OCL扩音机虽然性能优越,但开机时常有一股强大的冲击电流流过扬声器,产生出很大的“噗”声,致使业余爱好者开机时提心吊胆,生怕把扬声器烧坏。本文从分析产生“噗”声的原因着手,找出几条从根本上减轻“噗”声的办法,实践证明很有效。
几个电容器在作怪!
图1是OCL扩音机的部分标准电路。如果电路已经调试好,在正常工作时,A点的直流电位应该为零。那么,开机时为什么A点电位不为零,而会产生一个冲击电流呢?经分析和试验证明,原来主要是几个储能元件——电容器C\(_{1}\)、C2、C\(_{3}\)在作怪!C3是防自激电容,容量很小,对开机后电路进入稳态的过程影响不大,可以忽略其影响;C\(_{1}\)、C2影响较显著,不能忽略。

1.电容C\(_{1}\)是怎样引起开机“噗”声的?要单独分析C1的影响,应将C\(_{2}\)引线断开。开机瞬间,C1两端电压不能突变,正电源一方面通过R\(_{3}\)、C1、R\(_{7}\)到地构成回路,另一方面通过R3、C\(_{1}\)、BG2的be结、BG\(_{4}\)、R8到负电源构成一个通路。这两个通路都通过C\(_{1}\)而使C1充电。因为开机瞬间C\(_{1}\)相当于短路,所以R3、R\(_{7}\)此时成了BG2的偏置电路。通常R\(_{7}\)》R3,所以BG\(_{2}\)的基极电位很高,流过R3的电流几乎大部分灌入BG\(_{2}\)基极,使BG2基极电流远远大于正常值,于是I\(_{c2}\)↑→R6上的压降增大,此电压上正下负,于是I\(_{c5}\)↑。由于BG6为恒流源,所以BG\(_{5}\)集电极的电流增加的部分只能通过BG8的be结、R\(_{16}\)或BG10的be结,然后从A点经过R\(_{L}\)(喇叭)到地,从而促使A点的电位突然增高。此时BG9、BG\(_{11}\)是不导通的。冲击电流的路线如图1实线箭头所示。为了下面分析方便,我们把这种电流叫正冲击电流。实际上,由于图中有负反馈电阻R11,对A点电位起稳定作用,所以在一定程度上还削弱了一些正冲击电流。
2.电容C\(_{2}\)是怎样引起开机“噗”声的?在分析C2影响时,应将C\(_{1}\)断开。开机瞬间,C2相当于短路,BG\(_{3}\)的偏置电阻相当于R11与R\(_{9}\)的并联值。因为R9《R\(_{11}\),所以R9‖R\(_{11}\)≈R9。可以看出,R\(_{7}\)》R9‖R\(_{11}\),于是Vb2<V\(_{b3}\),Ib2<I\(_{b3}\),Ic2<I\(_{c3}\)。在稳态时,Ic2+I\(_{c3}\)=Ic4,I\(_{c2}\)=Ic3=I\(_{c4}\)/2。开机瞬间,Ic2小于稳态值,I\(_{c3}\)大于稳态值,于是R6上的压降小于稳态值。由于此时BG\(_{3}\)的基极电流Ib3远大于BG\(_{2}\)的Ib2,所以I\(_{c3}\)要大于Ic2许多倍,R\(_{6}\)的压降也远小于正常值。这个电压的极性是上正下负,BG5的负偏压显著减少,因而使I\(_{c5}\)明显减小,BG5集电极对地电压明显下降,从而使BG\(_{8}\)的Ube8低于导通电压甚至反向偏置,使BG\(_{8}\)、BG10截止。与此同时,BG\(_{9}\)基极电位下降,使BG9、BG\(_{11}\)的发射极电流增大。由于BG8、BG\(_{1}\)0此时截止,所以流过BG9、BG\(_{11}\)的电流只能如图1虚线箭头所示由地点经RL(喇叭)提供,我们把这个电流称为反向冲击电流。这个电流很大,对喇叭进行冲击也会引起较大的噗声。
3. C\(_{1}\)、C2同时考虑有什么影响?在R\(_{L}\)两端接上万用表25伏直流电压档,正表笔接A点,负表笔接地。开机瞬间,表针先迅速正摆,摆幅远大于仅考虑C1影响时的数值。接着摆幅又迅速反摆,然后才逐渐回升到零点。可见当一起考虑C\(_{1}\)、C2影响时,电流正冲击和负冲击不但没有相互抵消一部分,反而使正冲击更加厉害了。
为什么会产生较严重的电流正冲击?这是因为在开机瞬间,正电源通过R\(_{3}\)向C1充电,此时BG\(_{2}\)基极对地电位为正。我们又知道,R9、R\(_{11}\)的一端接BG3基极,另一端均相当于接地,此时BG\(_{3}\)基极电流的方向是由地经R9和R\(_{11}\)进入BG3基极,BG\(_{3}\)的基极电位只能低于地电位。显然Ub2>U\(_{b3}\),BG2的导电能力必然大于BG\(_{3}\)。也就是说,在刚开机时,C1的影响占主导地位。当U\(_{b2}\)↑时,必然使Ue2↑,因BG\(_{2}\)与BG3的发射极连在一起,所以U\(_{e3}\)也要上升,Ub3比U\(_{e3}\)更负,这就使Ube3↓,进一步使I\(_{c3}\)↓,甚至出现Ie3≈0、I\(_{c2}\)≈I4的情况。就使得BG\(_{5}\)、BG8、BG\(_{1}\)0的电流增加,产生了较大的电流正冲击。这时C2视为短路,BG\(_{3}\)对BG2电流大于正常值的抑制能力极差。电流正冲击也就显得更加严重了。
改进措施
1.C\(_{1}\)、C2不易取太大。C\(_{1}\)越大,开机时正向冲击电流越大,充电电流持续时间也越长,对喇叭、功率管、电源危害也就越大。此外,漏电电流也加大。为了兼顾低端频响并减小上述危害,C1可按下式选取:C\(_{1}\)≥1/2πf低·R\(_{7}\)。式中f低为放大器下限频率,一般可取10赫,从图1中知道R\(_{7}\)=30千欧,则C1≥1/6.28×10×30×10\(^{3}\)≈0.53微法,可取标准C\(_{1}\)=1微法。
C\(_{2}\)容量越大,反冲击电流越大,从这一点说,C2小些为好。但C\(_{2}\)是反馈元件,容量过小会使放大器的低频特性变坏。因此应在保证低频增益的条件下,尽量减小C2数值。可按下式选取:C\(_{2}\)≥1/2πf低·R\(_{9}\)。当R9=1千欧,f\(_{低}\)=10赫时,C2≥1/6.28×10×10\(^{3}\)≈16做法,可取标准C\(_{2}\)=20微法或C2=30微法。
2.降低B点电位。图1中B点电位低一些,可减小C\(_{1}\)两端的电位差,对减小正冲击电流有利。为此,可将BG1的静态集电极电流设计大一些,或适当增大R\(_{3}\)阻值。如果将BG1按图2所示改为射极跟随器,对降低B点电位更有利。也可以象图3那样,BG\(_{1}\)由正、负两组电源供电,这样可将B点电位设计在零伏左右。但此时BG1应选用BV\(_{ceo}\)较高的晶体管。


3.在R\(_{7}\)上并联二极管。如图4所示,在R7上并联一个锗二极管(如2AP型或锗三极管的be结、bc 结),可把开机瞬间的U\(_{b2}\)箝位在0.2伏左右,使C1的充电电流绝大部分经二极管入地,就会有效地减轻电流正冲击。

在电路正常工作时,U\(_{b2}\)电位为负(图1中约为-0.3伏),R7上并联的二极管反偏,对电路直流工作状态无影响。如果放大器输出功率大,要求输入信号电压也较大,这时二极管可能会使输入信号削幅,可再多串上一个二极管,或改用硅二极管即可,但这时会减弱对正向冲击电流的抑制作用。
4.将音量电位器改作为BG\(_{1}\)的负载,C1改接到音量电位器动臂。其接法见图5。这时电位器采用带开关式的,兼起电源开关作用。开机时,电位器位于最下端,近似于接地,C\(_{1}\)中就不会产生来自正电源的充电电流。此时Ib2与I\(_{b3}\)极相似,如果取C1=C\(_{2}\),并且在C1上串联一只与R\(_{9}\)阻值相等的电阻,则BG2与BG\(_{3}\)开机瞬间工作状态基本一致,就可有效地抑制电流冲击。

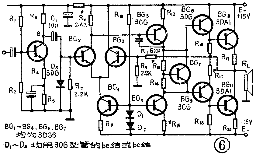
5.省去反馈电容C\(_{2}\)。电路如图6。由于没有C2,R\(_{9}\)直接接地,这样BG3的静态基极电流就由R\(_{11}\)和R9共同供给,而不是象图1那样单由R\(_{11}\)供给。图中R9=2.2千欧,R\(_{11}\)=62千欧,R9《R\(_{11}\),则BG3的基极电流主要由R\(_{9}\)提供。为了使BG2、BG\(_{3}\)工作对称,取R7等于R\(_{9}\)‖R11,也可近似为R\(_{7}\)=R9=2.2千欧。因为OCL电路的闭环输入阻抗基本决定于R\(_{7}\),所以图6的输入阻抗比图1电路小。为了不影响低频响应,应适当增大C1容量。根据公式C\(_{1}\)≥1/2πf低·R\(_{7}\)=1/6.28×10×2.2×10\(^{3}\)≈7微法,可取C1=10微法。

图6电路消除了产生反向冲击电流的关键因素,虽然正向冲击电流好象仍然存在,但由于R\(_{7}\)=2.2千欧,远小于图1中的30千欧,所以开机时R7上的压降就比图1中的小,正向冲击也就小一些。为了进一步减小正冲击,结合采用了在R\(_{7}\)上并联二极管措施。图6电路一般不要按单只锗二极管,应并接单只硅二极管(如3DG型三极管的be结、bc结),或用2~3只锗二极管串联后再并接到R7上。这是因为图6中的R\(_{7}\)远小于图1中的R7,所以图6中BG\(_{2}\)基极电流在R7上产生的压降就远比图1电路小。图6中, I\(_{c2}\)≈0.5毫安,如果BG2的β=50,那么I\(_{b2}\)=10微安,Ib2在R\(_{7}\)上的压降则为UR7=I\(_{b2}\)· R7=10μA×2.2KΩ =22mV(图1中 U\(_{R7}\)=300mV),方向为下零上负,这个电压对并联二极管进行反偏,由于锗管在正向偏置100~200毫伏即可导通,所以在输入几百毫伏交流信号时极易产生削幅失真。硅管的导通电压在600~650毫伏,就不会产生削幅失真。
图6电路由于省去电容C\(_{2}\),电路的直流负反馈量减小,所以电路直流工作状态的稳定性比图1要差,仪由于差分管的射极采用了恒流源,BG4的发射极设置了发射极电阻,尽量选配特性一致的差分管,并且采用了同温槽,使差分管温升一致,所以工作点还是很稳定的。经试验,开机噗声基本听不到。
最后应说明,本文只是分析了引起开机“噗”声的主要原因。还有其它一些因素:如差分管不对称、正负电源开机时不对称等也会引起开机“噗”声。所以应具体电路具体对待,从中找出更有效的方法。(徐金田)