在业余制作晶体管高传真扩音机时,许多爱好者手头现有的互补管和大功率管可能与线路上给出的型号不一样。能否互相代换使用呢?具体用什么办法代换呢?下面就介绍几点经验可供参考。

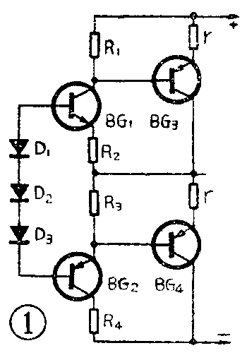
高传真扩音机的功放级的典型线路见图1。图中, D\(_{1}\)、D2 、D\(_{3}\)串联后为互补管BG1 、BG\(_{2}\) 提供合适的偏置电压。BG1为NPN型管,BG\(_{2}\)、BG3 、BG\(_{4}\)均是PNP型管。互补管改换后,要求的偏压也不同了,因此必须注意此时D1、D\(_{2}\)、D3也要相应改一下。表1列出了更换不同材料的互补管时可供搭配的管型及元器件数值。可供参考。


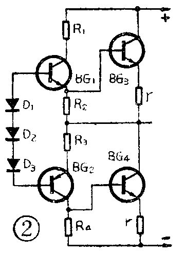
图2是将3AD类锗大功率管改换为不同极性的3DD类硅大功率管时的线路,元件改动见表2。更换成硅大功率管时,不要忘记将图1中BG\(_{3}\)、BG4的基极引线断开,而按图2接线。并且必须注意管壳对地应绝缘。

上述更改办法对一般用分立元件或集成运算放大器制作的OTL或OCL至放大级都是适用的。(张国华)