彩色电视机长时间使用以后,彩色显象管会老化,结果使彩色图象变得膜糊不清,彩色不鲜艳。或者由于某种原因将显象管灯丝烧断等。这时就需要更换新的彩色显象管。下面介绍一下怎样换新管。
选择彩色显象管
目前彩色电视机中采用的彩色显象管大致有三种类型:
①三枪三束管(又称荫罩管),其屏面呈球形,三基色荧光粉按品字形排列。国产北京牌834型、金星C\(_{49}\)—312型等和日本早期生产的彩色电视机基本上是用的这种管子。
②单枪三束管。其屏面呈柱面形,荧光粉按垂直条状排列。金星牌C\(_{47}\)—112型、C47—P型、春雷牌3S2—2型、上海牌201型等彩色电视机采用这种管子。
③自会聚管。其屏面呈球面形,荧光粉按垂直条状排列。国产金星C\(_{51}\)—401、C56—1、春雷3S2—4等,以及日本胜利牌7179KP、日立CTP-216、CTP-236,菲利浦KT2-18等彩色电视机采用这种管子。
在更换新管时,必须选择与原管相同型号的管子,这样可以减少电路的改动。选择同类型的管子代用时,要注意核对管脚和有关参数,特别是聚焦极电压差异较大,必须满足新管的要求,否则将造成严重散焦,影响清晰度。
换管注意的问题
彩色显象管安装到机箱内时,应注意以下问题:由于彩色管比相同尺寸的黑白管重得多,切忌抓住管颈拿管子。新管固定好后,照原来位置逐一套上管颈附件,不要把位置弄错。对于自会聚管,偏转线圈是与之配套出厂的,特别是低阻抗的偏转线圈,已预先固装在管子上调好了,不要动它。然后用无水酒精擦洗高压帽和锥体上的高压电极,待酒精蒸发完后,再在高压电极附近涂上一些硅脂,以提高绝缘性能,防止高压跳火。最后戴好高压帽,插上管座板。值得注意的是:单枪三束管的静会聚电极引线与阳极引线同轴,轴心线是会聚电极引线,不要接错。
彩色显象管安装固定好以后,需要进行以下调整:
1.预热灯丝
新的彩色显象管在正常工作以前,应先预热灯丝,这样可延长使用寿命。预热灯丝的电压一般应比正常工作电压低一些,预热时间应在10分钟以上。有的电视机在插上电源线,电源开关还没有打开时,灯丝就已经进行低压预热了。例如金星牌C47-112型彩色电视机就是如此,灯丝预热电压为3伏。
2.机外消磁
由于彩色管内部的金属障板和外部的金属骨架等受到地磁场或各种杂散磁场磁化后,会产生剩磁。它对三条电子束产生附加偏转力,使电子束的运动轨迹发生改变,引起色纯度不良和会聚误差。由于这部分剩磁量较大,利用机内自动消磁器无法彻底消掉,所以采用机外消磁。这是换新管必须进行的。消磁线圈是用直径为0.6~0.8毫米纱漆包线,做成直径为30厘米的圆环,总数为1000匝,在外面包上绝缘布做成。然后接上市电(220伏)就可以进行消磁了。
操作方法如下:打开电视机的电源开关,待屏幕上出现光栅后,将接上电源的消磁线圈与电视机屏幕保持平行,然后在屏幕前机箱边缘慢慢地转动几次,随后慢慢地移开屏幕,当移到距离电视机2~3米处,将消磁线圈平面朝下,切断电源即可,如图1所示。

3.色纯度调节
色纯度就是指单色纯净的程度。色纯度调节的目的是校正由于制管误差等原因造成三束电子束的着屏误差。使R、G、B三束电子束激发到各自对应的R、G、B三基色荧光粉上。
操作方法如下:①用接收机接收方格信号;②粗看屏幕中心区三基色光栅的合拢程度,若它们分得很开,应先粗调静会聚,使三基色光栅初步会聚;③去掉显象管座板上的红、蓝两路基色信号,只让绿色电子束工作(金星牌C\(_{47}\)—112型、C49—312型的解码板上设有开关K\(_{1}\),只要扳动开关即可),④松开偏转线圈的紧固螺丝,将偏转线圈尽量往前推(低阻抗自会聚管除外);⑤转动两片色纯环的相对位置(见图2)。使屏幕中间呈现一条纯绿色带(荫罩管的屏幕中心区则呈现一个单色的圆形区),如图3所示;⑥将偏转线圈小心地往后移动,直到满屏幕纯单色。若此时屏幕的某个地方还存在色纯度不良(即带有其他颜色),可微调色纯环。如果还不能达到全屏单色,可能是消磁不彻底或者是管内金属障板(尤其是单枪三束管的栅网)在高速电子轰击下发热变形等引起的。若属前者,则再进行一次机外消磁即可。若属后者,则属管子质量问题。轻者可在相应区域的锥体上粘上一块小磁铁,磁性的强弱和极性由实验决定,重者需更换管子;⑦分别对其它两束电子束进行色纯检查,也应有良好的色纯度。如果某种颜色的色纯不够理想,可微调色纯环或偏转线圈在管颈上的位置。但必须兼顾三种颜色的色纯度。一般说来,中间一条射束达到满意的色纯度,其他两种颜色的色纯度就容易满足;⑧调好后,应把显象管座板上的三基色引线全部插上,或将解码板上的开关K1扳回原位。再拧紧偏转线圈的固定螺丝。


4.会聚调节
所谓会聚是指在扫描过程中,三色电子束始终激发在同一组三基色荧光粉上,使三基色光栅重合在一起。若三基色光栅互相错开,如图4所示,说明存在失聚,或者说有会聚误差。在接收彩色或黑白图象时,都会产生彩色镶边现象,严重影响图象质量。

会聚调整包括静会聚调整和动会聚调整两部分。会聚调整比较复杂,对不同类型的彩色管,调整的手段和方法不一样,下面分别加以介绍。
(1)荫罩管的会聚调整
荫罩管的静会聚调整部件如图5所示。调整步骤如下: ①接收方格信号,同时转动圆盘磁铁M\(_{R}\)和MG,使屏幕中心区红、绿光栅合成黄色光栅;②再转动圆盘磁铁M\(_{B}\),使蓝水平线与黄水平线重合成白线;③调节蓝色横向磁铁(见图2),使蓝色垂直线与黄色垂直线重合成白线;④重复①~③调整步骤直到屏幕中心区的会聚误差消除为止。

荫罩管的动会聚调节部件为图5中的电位器W\(_{1}\)~W9、电感L\(_{4}\)、L5\(_{1}\)。调整时要看屏幕四周,先将红、绿光栅调成黄光栅。然后再将黄光栅调到与蓝光栅重合成白光栅。要注意的是:在调整某个部件时,光栅的变动并不是单一的,相互有牵连,例如调整电位器W7时,不仅使左边的红、绿水平线有变动,而且也会使左边的红、绿垂直线作相对变动。所以在调整时要采用合理的校正量。要调得三基色光栅全部重合是困难的,尤其是屏幕的四角,因为这里失聚量最大,一般很难校正到全部重合,若失聚量在2mm左右,基本上就可以了。这项调整比较复杂,必须耐心仔细。正常机器,切忌乱动这些部件。
(2)单枪三束管的会聚调整
单枪三束管的静会聚调节部件及其功能如图6所示,在管颈上的位置见图2。调节步骤如下:①接收方格信号,调节蓝色水平插片,使红、蓝垂直线与绿色垂直线距离相等。②调节红、蓝水平插片,使红、绿、蓝垂直线重合成白线。此步也可调节静会聚电压来实现。③调节蓝色垂直插片,使红、蓝水平线与绿水平线距离相等。④调节红、蓝垂直插片,使红、绿、蓝水平线重合成白线。⑤重复①~④步骤,直到达到要求。

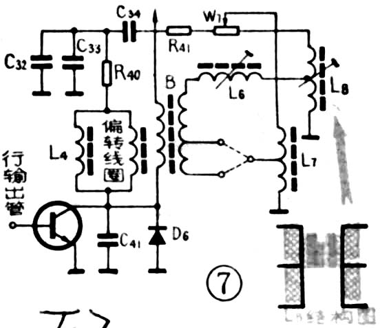
单枪三束管的动会聚调节比荫罩管要简单,图7示出了典型的动会聚校正电路及有关调节部件,其调节步骤如下:①接收方格信号,调节L\(_{8}\)的磁心,使图8(a)中的Δ=Δ'。②调节W7,使红、蓝垂直线重合成紫色如图8(b)所示。③调节L\(_{6}\)的磁心,使紫、绿垂直线重合成白色。


(3)自会聚管的会聚调整
由于自会聚彩色显象管的动会聚误差很小,所以不需要再校正。只需要作静会聚调整就可以。调整步骤如下:①接收方格信号,调节四极磁铁,使红、蓝光栅重合成紫光栅。改变四极磁铁开角的大小,可使红、蓝垂直线重合;同时转动它们,可使红、蓝水平线重合。具体方法见图9。②调节六极磁铁,使紫、绿光栅重合成白光栅,改变六极磁铁的开角大小,可使紫、绿垂直线重合;同时转动它们,可使紫、绿水平线重合。③重复①~②步骤,直至达到要求。

另外,由于自会聚显象管的垂直偏转场为桶形场,水平偏转场为枕形场,所以要求偏转场的中心与管轴重合。否则将会使红、蓝光栅产生交叉失聚或者使三基色光栅大小不一样。需要加以调整。
红、蓝光栅有交叉失聚时,如图10(a)所示,可在偏转线圈上方插入一个橡皮楔,如图10(b)所示。并逐步调整其深度,使三基色光栅在边沿处的交叉光栅重合或减至最小。

当三基色光栅大小不一样引起失聚时,说明偏转场中心偏右或偏左,这时可按下列方法进行调整:对于中心偏右的情况,如图11(a)所示,可在时钟9点钟的位置打入一个橡皮楔子乙,直到三色光框合拢。然后分别在1点钟和5点钟的位置打入两个橡皮楔子丁和丙,最后轻轻地拔掉原来的橡皮楔子甲,再固定橡皮楔子乙、丙、丁和偏转线圈。对于中心偏左的情况,如图11(b)所示,在时钟3点钟的位置打入橡皮楔子乙,直到三色方框会聚。然后分别在7点和11点钟的位置分别打入橡皮楔丙和丁。再轻轻地拔掉原来的橡皮楔子甲。最后固定乙、丙、丁三个橡皮楔子和偏转线圈。

5.黑白平衡调整
彩色电视机换显象管后,经过上述调整,一般能够正常收看,但有时由于选用新管的三基色荧光粉配方、发光效率与原管不同,或者由于彩色管的调制特性有差异、选用的标准白不同等原因。结果在收看黑白图象或显示彩色图象中的黑白部分时,实际显现的不是黑白颜色,而是带有某种色彩。检查的办法是,在接收图象时,将色饱和度关掉,此时显示的图象应为黑白色,若带有某种颜色,就说明是黑白不平衡。
调整步骤如下:
<1>黑平衡调整:①接收标准彩条信号或彩色测试卡;关掉色饱和度;亮度、对比度电位器调至适中位置(一般调至三分之二左右)。②关掉控制栅极电压的三个电位器(单枪三束管)或者关掉控制加速极电压的电位器(荫罩管三个,自会聚管1个),这时三条电子束均被截止。③观察黑色条位置,分别调节上述各个电位器,使屏幕上黑条位置的三基色光点处于刚要发光但还未发光的临界状态。通过上述调整,能使三条调制特性曲线位于同一截止点上,一旦阴极上有激励电压,就能产生相应的束电流。
<2> 白平衡调整:此项调整主要是补偿三条调制特性曲线斜率不同和三基色荧光粉发光效率差异,造成高亮度时不能获得纯白光而设置的。调整方法是: ①接收彩色测试信号或标准彩条信号,关掉色饱和度,亮度和对比度适中;②观察彩条信号中白条位置,分别调整红、绿、蓝三路视放输出管发射极电路中的三个电位器(有的机器只设两个电位器),使白条位置呈现纯白光。例如当白条位置呈现红色时,则可调节红色一路视放输出管发射极电位器,进行减红;或者调节绿、蓝二路视放输出管发射极电位器,进行加绿、加蓝。
通过以上黑白平衡的调整,在关掉包饱和电位器的情况下,屏幕上应显示黑白图象,不带有其他颜色。再打开色饱和电位器,这时应显示鲜艳的彩色图象。(吴龙生)