随着我国电视广播事业的发展,VHF频段已不能满足电视事业发展的要求,目前正逐步向UHF频段发展,我国已在上海(20频道)及无锡(13频道)等地进行UHF频段的电视试播。
由于UHF频段的频率比VHF频段频率高得多,更接近可见光的特性,遇到障碍物的绕射能力比VHF差,在同样高度的发射天线和发射功率条件下,UHF频段的有效服务范围要比VHF频段小。因此,要在离电视台远达100公里的地方接收UHF频段电视广播,就必须安装高增益天线或天线阵;加装天线放大器,必要时还要增加接力放大器。
种类和要求
目前用于UHF频段的天线放大器常见有以下几种:
1.室内天线放大器:这种放大器用于补偿馈线的损耗,安装在电视机的附近,一般由两只晶体管组成,增益约18~25dB。适用于距离电视台较远,但接收到的电视信号,不太弱的地区,以及无法把放大器安装在天线上的地方,如图1。

2.远程天线放大器:用于提高接收灵敏度,补偿馈线、阻抗匹配器、分离器等的损耗。它通常由天线放大器与电源供给器组成。放大器安装在离天线振子1.5米的直杆上,其电源线与天线引入线共用,电源供给器安放在电视机附近如图2。这种放大器一般由三至四只超高频低噪声三极管组成,增益约35~55dB。

3. 接力天线放大器:由于制造级数多的高增益单只放大器,容易引起自激,而且调试也比较困难,因此一般由分立器件装配的天线放大器增益都在60dB以下。如果使用单只天线放大器,不能满足用户电视机对信号强度的要求,或由于馈线过长,损耗比较大,需要补偿时,可以在线路中间,加接一只接力放大器,如图3。这时两只放大器的供电方式如图4所示,从供电器送来的交流电能通过L\(_{1}\)、L2再送到天线放大器,电容C是用于滤除输入与输出通过L\(_{1}\)、L2残余的高频信号,使之互不干扰。


4.选频放大器:以上各种放大器一般是做成放大UHF的整个频段的,由于其频带较宽,增益就不能做得高,而用户往往又不可能使用整个UHF频段,因此把放大器的频率调整在用户需要接收的频道上,这样能提高增益,提高抗干扰能力。一般用于共用天线系统,和接收环境恶劣的个体用户。
5.超远程天线放大系统:它是由室内天线放大器、远程天线放大器组成,必要时还可加设接力放大器,总增益可达97~125dB。在离电视台100公里以外地区能较好地收到电视节目。我们曾在远离发射台200公里的地方作过实验,效果满意。
一个良好的天线放大器必须具备以下条件:
①在整个频段范围或在规定的频带内,应具有均匀的增益;②具有低的噪声系数,比较强的抗干扰性;③放大器的增益不受电源电压影响;④易与天线及馈线匹配;⑤不受温度、气候影响,应有防水、防雷措施;⑥可靠性高,便于安装。
原理与制作
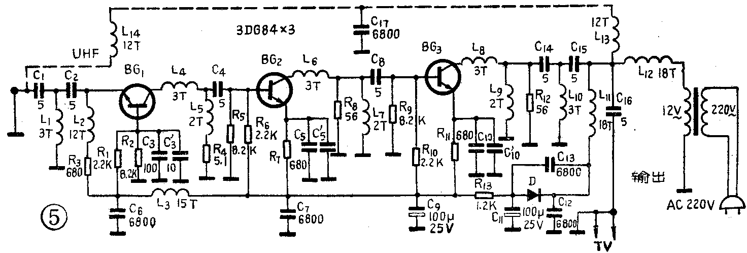
由天线接收来的信号,经带通滤波器送到BG\(_{1}\)的发射极,考虑到放大器的工作频率高,故第一级采用输入阻抗低、稳定性好的共基极电路,其余两级采用共发射极电路,以获得较高的增益。
图中L\(_{1}\)C1、L\(_{2}\)C2组成带通滤波器,允许460MHz~868MHz的频率信号通过,使放大器具有较好的选择性。R\(_{1}\)、R2是BG\(_{1}\)的偏置电阻,调节R1的阻值,可以改变放大器的增益,C\(_{3}\)使高频信号接地,使BG1构成共基极电路,但因在不同频率下,它存在着不同的容抗,故此旁路电容分别采用一只10P和一只100P电容器,使得在整个频带内BG\(_{1}\)基极对地容抗都最小。三只晶体管的集电极均串接有电感线圈,分别是L4、L\(_{6}\)、L8,称为“建峰线圈”(或称峰化线圈),它的作用是提高某一频率信号的增益。C\(_{4}\)、C8、C\(_{14}\)是耦合电容,L5、L\(_{7}\)、L9分别是BG\(_{1}\)、BG2、BG\(_{3}\)的负载电感。被放大的信号经由L10、C\(_{14}\)、C15组成的T型滤波电路输出。R\(_{5}\)、R6、R\(_{9}\)、R10分别是BG\(_{2}\)、BG3的偏置电阻。C\(_{1}\)0以及C5的作用与C\(_{3}\)相同。D是整流二极管,C6、C\(_{7}\)、L3,C\(_{9}\)、C11、R\(_{3}\)等组成退耦滤波电路,L11、L\(_{12}\)是高频扼流圈,C12是高频旁路电容,滤除残留的高频成份,C\(_{7}\)也是高频旁路电容,以减少级间、电源等互相干扰。各线圈均用直径φ0.38毫米的漆包线,绕制成内径为4毫米的空心线圈。绕制L1、L\(_{2}\)等圈数较少的(仅2、3圈的)线圈时,最好先按所需长度截取一段线,去掉漆皮镀上锡后再绕制。
晶体管必须选用超高频低噪声三极管,如无3DG84也可用3DG56,2G910等。
调试
安装完毕,检查各元器件如无错漏、假焊等现象之后,便可进行调试。该电路采用交流12V供电。12V交流电源通过一段75Ω同轴电缆加到放大器输出端,分别调整各晶体管工作电流均应在1.5~2mA左右。然后,通过接收到的电视信号,调整放大器的频率特性。把天线接到放大器的输入端,把12V电源加到电视机天线插孔上,如装配无误应有放大作用,这时分别调整L\(_{4}\)~L9使图象和伴音均达到最佳。
如果在调试中屏幕上出现木纹、负象、串台、镶边、阻塞以及伴音严重失真、声音时有时无、有哼声、串音等现象,可能是放大器出现自激造成。遇到这类现象可检查所有元器件引线是否过长,特别是级与级之间的输入、输出端不应距离过近;调整线圈L\(_{4}\)~L9的疏密;降低电源电压至无自激点。在无自激的情况下,要细心调整上述各线圈的疏密,尽可能使信号被放大的更大些。
上述放大器可根据需要用作室内放大器,天线放大器、接力放大器等。作室内放大器时,可把电源供给器装在同一金属盒内;作天线放大器和接力放大器时,要用防水的塑料盒;作接力放大器仅在电路上增加L\(_{13}\)、L14及C\(_{17}\)(如图5虚线所示),并使两线圈分别紧贴输入和输出端,否则会产生严重自激。
安装和使用
天线、放大器及馈线的安装正确与否,对接收效果影响极大,安装不正确会使接收系统不能发挥它的应有作用,甚至会变成一个干扰信号的发射源,使屏幕布满雪花和网纹状干扰。因此,须注意以下几点:
1.天线放大器应安装在离天线振子1~1.5米左右的下方(如图7a),过近容易引起自激,但也不能使天线振子至放大器这段信号传输线太长,否则使送到放大器的信号减弱;放大器的输入、输出引线要有一定距离(如图7b)。

2.从天线放大器的输出端至电源供给器的引线,每隔一定距离应用绝缘支柱将馈线固定。引至电视机的信号馈线的多余部分应当剪去。
3.天线振子与放大器及馈线之间应有良好的阻抗匹配。
4.应在天线杆上安装避雷器。(蔡凡弟)

