国际牌SW-2030和益华牌SW-2030都是国外来料我国加工的交直流收录两用机。这两种机器在市场上都有一定数量。为帮助维修人员和无线电爱好者修理,这里介绍一下这两种机器的常见故障和检修方法。
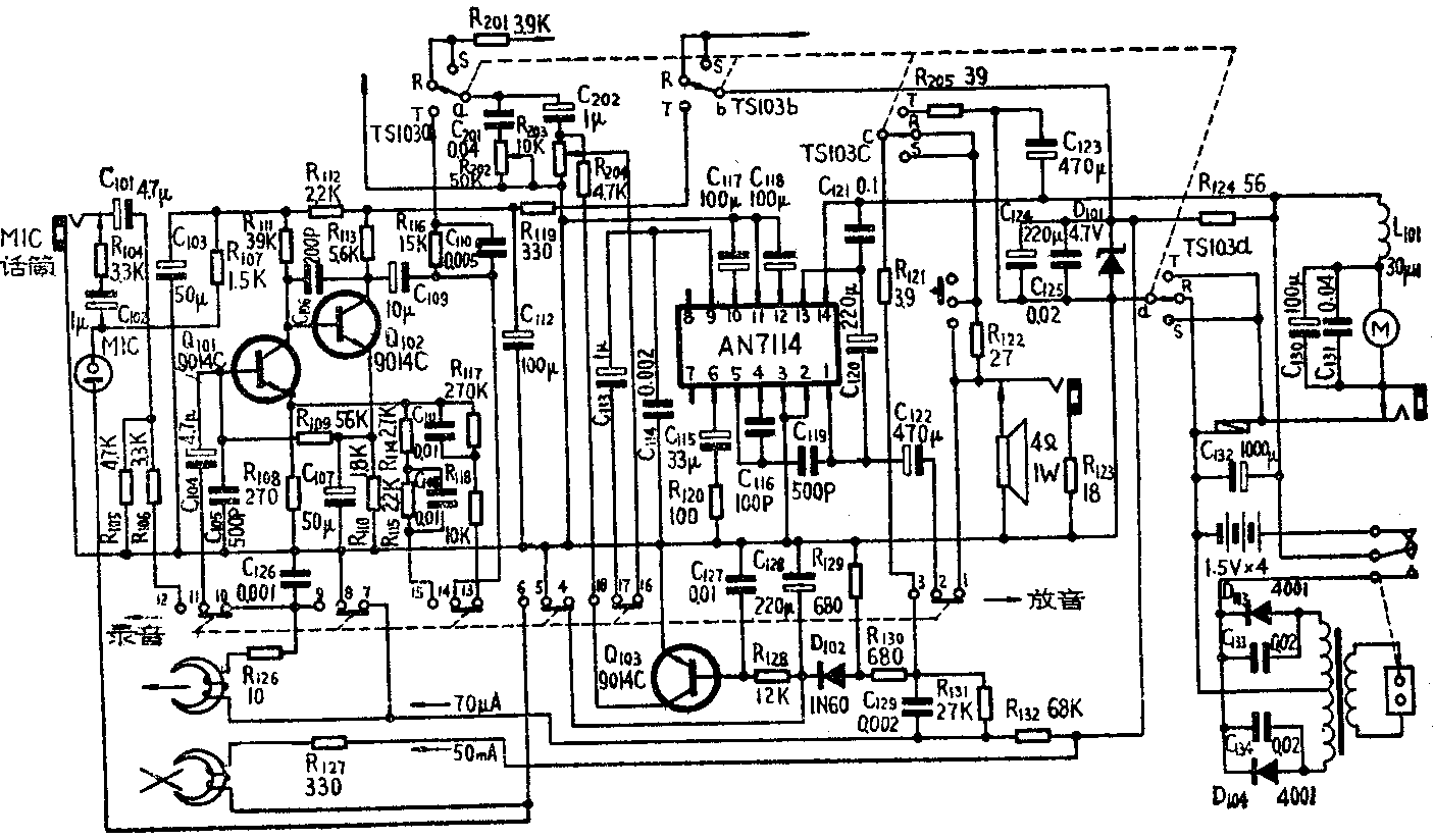
该机的收音部分与一般晶体管收音机相似,没有什么特殊的地方,常见故障也与一般晶体管机差不多、这里仅就录放部分的常见故障介绍如下(附图是该机录放部分电原理图):

一、无声 这里是指收音和磁带放音均无声。常见故障有①电源变压器初级开路。本机变压器初级使用φ0.09毫米漆包线乱绕2700圈,由于过压超负荷能力裕量不大,当负载电流过大、电源电压过高时使得初级线包烧断。修理时可使用小号手术刀将二芯插座和外壳热烫处切开,取下插座再取变压器,用φ0.09毫米高强度漆包线乱绕2700圈。②喇叭引线从根部震断。由于接受强台信号时实际输出功率超过额定功率的1.5倍,使得纸盆振幅过大,引线和纸盆交接处震断。此时如用耳机收听仍有声音。修理时可用一段多股软线的芯线,穿过纸盆和原来纸盆上引线焊牢,也可用3英寸4欧内磁喇叭装上,并在喇叭另一边加上一个压线卡使喇叭固定,防止机震。③整流电路中的D\(_{1}\)03、D104击穿,保护电容C\(_{l33}\)、C134击穿短路、C\(_{132}\)击穿短路均会产生无声故障。修理时整流管可用2CP21代替。④集成电路AN7114烧毁,该集成电路正常时各脚电压值可参考附表。如有不符,应先检查AN7114的外围电路。如其外围电路完好,则可能是AN7114损坏。
表
接 脚 1 2 3 4 5 6 7 8 9 10 11 12 13 14
电压(V) 4 0 0 4 1 3 0 2.5 4 3 0 6 6 6
二、收音正常录放音时无声或声小 这两种故障常见有以下原因:①磁头与印制板的连接线的插头接触不良。原机该插头座接线内部不焊接,时间长了由于接触不良造成声小或无声。修理时可将连接线从根部剪断,直接焊在印制板上。②录放磁头内部断路会造成无声。磁头表面磨损;拆卸磁头之后重装时两根引线焊反;方位角改变等均会造成声小。③该机前置放大器的C\(_{1}\)04、C109容易失效,晶体管Q\(_{1}\)01、Q102虚焊,这也会造成声小或无声。修理的方法是用烙铁烫烫烫有关焊点,使焊点熔化再凝固,如仍不恢复正常,应怀疑元件损坏。
三、录、放时声音摆抖、失真、音调忽高忽低该机常见的故障有:①卷带轮力矩大于驱动轴走带力矩,使音调变高。主要原因是卷带轮背面的塑料压紧垫圈过紧,使压簧压力增大。修理时可取下机芯,用平口钳旋转卷带轮上的红色塑料轴套并慢慢拔下,挑松塑料压紧垫圈。②电池电压过低或整流输出直流电压低于5.5伏会造成马达稳速装置失控。此时应检查整流电路各元件是否正常并更换损坏元件。③录音电路的高低音补偿网络或自动电平控制网络元件有损坏时会产生录、放失真。正常时Q\(_{1}\)03的基极对地电压应为0.5伏。
四、机芯功能失灵 常见故障有①卡带造成该机卡带的主要原因是:a卷带力矩不够大。可将机芯拆下将卷带轮的压紧垫卷压紧些。如果不起作用可检查卷带轮内的毛毡上有无油污,需要清洗的可用酒精擦洗。b.主轴表面有毛刺、粘附磁粉或压带轮太脏,使磁带粘绕在主轴上。c.卷带轮的黑色三棱衬套下面的压缩弹簧弹力减小,磁带盒装入后衬套弹不起来,使卷带轮无法收带。可以取下压簧适当拉长即可解决。d.带动卷带盘旋转的橡皮摩擦轮表面打滑,使卷带盘不能正常转动。可以将摩擦轮反过来试试。②开门键失灵 按下开门键,按键弹不起来,使得仓门关不上。此病主要是用力过猛,使门钩跳出滑道卡死。可用手指拨动门钩使它复位。③不能快倒 此故障常因倒带盘的皮带从倒带盘槽中滑出所致。另外,皮带上有油污打滑或皮带变长也会出现不能快倒。修理时可拆下倒带轮清洗皮带,如不成功,就要更换新皮带。④快倒、快进、放音各键均按不下去或按下放音键时磁带不走。这类故障主要是机芯正面白色塑料锁片从限位槽里跳出,使锁片卡死在槽外。另一种原因是支撑带盒的簧片在装配时卡在机芯里,带盒下落造成的。⑤录音、放音键自跳功能失灵 常见故障有:a磁带陈旧,带盒变大。b.机内灰尘太多,使活动部位阻力加大。可将活动部位清洗干净,并适当滴上一些高级润滑油。加油时注意不宜多以防碰到胶轮上。c. 录音键、放音键自锁起作用的塑料支柱表面不光滑,使锁片弹出时阻力加大。可用小刀在塑料支柱左棱角上轻轻地削掉一点,使棱角变圆些,行程变短,并涂上润滑油。但切不可削掉过多,否则造成不能自锁。d.自跳杠杆内的小拉簧(在录放磁头下面)拉力过大使自跳阻力增大。此时可拆下机芯用镊子将小拉簧适当拉长些。e.机芯支架变形,使活动部位阻力加大。此时可逐个松动固定机芯座的螺钉,发现不平处适当加垫圈。另外,可将六方形黄铜支柱取下,将机芯上的两个相应固定孔扩大,调整机芯前后左右位置,消除由于装配阻力大造成的不自跳故障。(俞传定)