目前我国市场上常见的石英电子钟控收音机有海燕K103、飞乐792、红灯793等几种。它们都以功能齐全、走时精确、使用方便而深受用户喜爱。但由于一些用户使用不当,也会使机器的控制部分或显示部分产生故障。下面就常见的故障谈谈修理方法。
一、控制部分的原理简述及常见故障
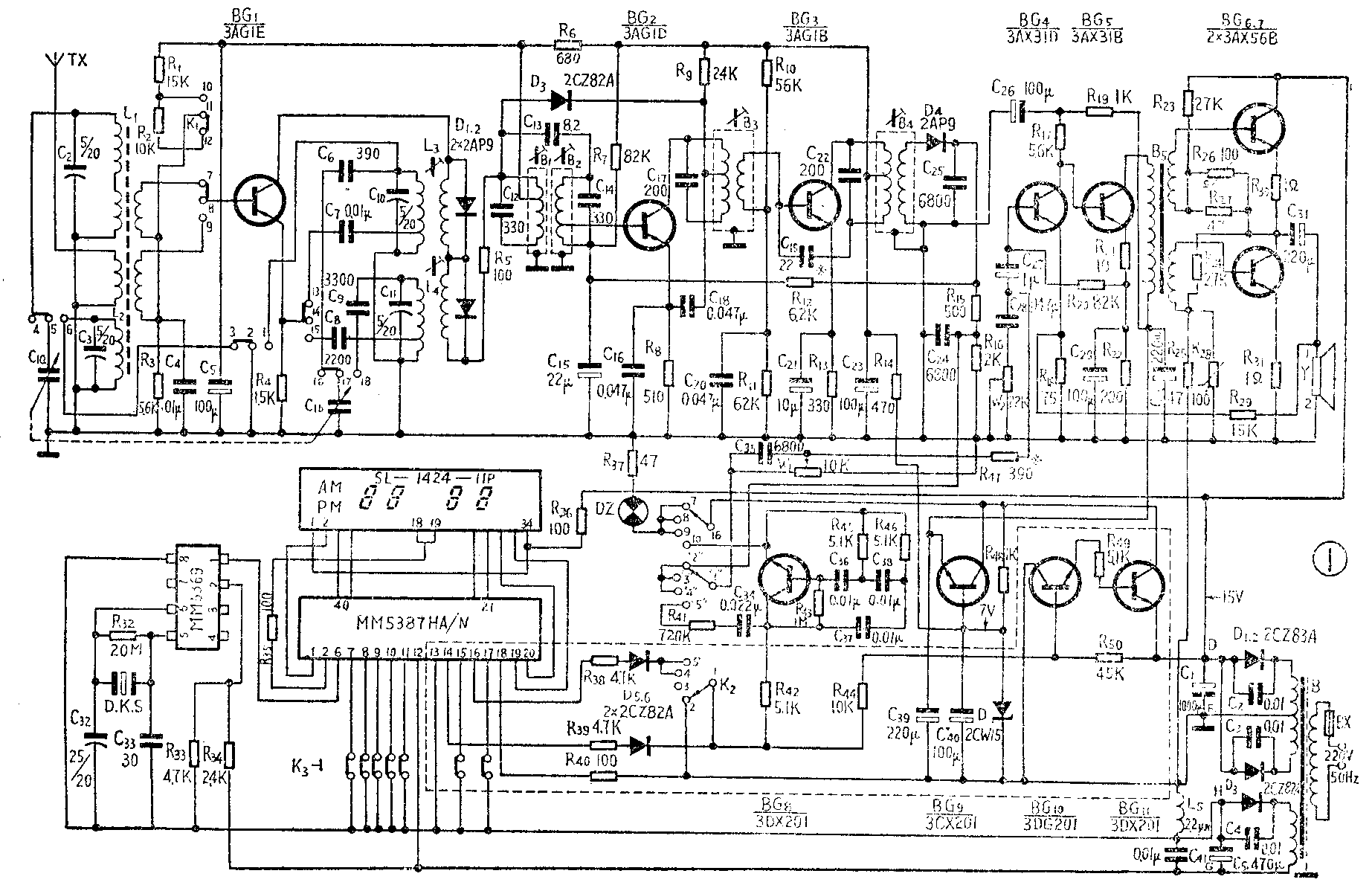
图1是红灯793型电子钟控收音机的电原理图。由图可见收音部分与一般晶体管收音机一样。虚线里边是控制系统。大规模集成电路MM5387HA/N的14、16脚不输出正脉冲时,晶体管BG\(_{1}\)0的基极电压为负值,集电极无电流流过,因而BG11处于截止状态,相当于收音机电源开关断开。当MM5387HA/N的14、16脚有正脉冲输出时,BG\(_{1}\)0的基极电压近于零伏,其发射极电位也随之升高,电阻R49上有2毫安电流,使得BG\(_{11}\)处于饱和状态,相当于收音机电源开关接通。无论是手动控制还是自动控制,常见的故障有:

1.开机不响 开机不响说明收音机电源没有接通。检查时首先把功能开关置于手动控制开位置,用万用表测量供电部分是否供电正常(正常为负15伏)。然后检查电子开关电路,如电源供电正常(-15V),而BG\(_{11}\)发射极有电压,集电极无电压,这说明电子开关未接通。也即BG11未处于饱和状态。再测BG\(_{1}\)0基极电位电压,如已接近零伏,就可断定BG11已坏。如果BG\(_{1}\)0基极电位为负值,应检查功能开头的有关连线是否有断路。如果BG10基极电位已近零伏,BG\(_{11}\)管子也没坏,可检查BG10的发射极是否已随着基极电位升高了,R\(_{49}\)上是否有2毫安电流。如果BG10发射极电位没有随基极电位升高,R\(_{49}\)上也无2毫安电流流过,则说明BG10已损坏。另外电子滤波器BG\(_{9}\)开路也能造成开机不响,检修时应加以注意。
2.收音机关不掉 这种情况说明电子开关断不开,也即BG\(_{11}\)没有处于截止状态,检查方法与步骤同上所述。
如果机器处于手控状态时开关正常,而自动控制时失灵,就应检查集成电路MM5387HA/N的14、16脚有无正脉冲输出。有正脉冲输出时14、16脚电位较高(0~2伏之间),如自动控制时14、16脚电位不能升高则说明集成电路MM5387HA/N有故障。
二、发光显示器的常见故障
目前市场上见到的电子钟控收音机的发光显示器都是采用进口SL—1424—11P型发光显示器。它是由印刷电路板、数字结构暗盒和彩色遮光板组成。印刷电路板上共有27只超小型发光二极管组成发光数字。常见故障是报时数字断缺,主要原因是发光二极管损坏。可用下述方法检验:在6伏直流电源(如四节电池)的正极接上一个1千欧电阻,按图2接法分别碰触各个发光二极管的引出脚,哪一个不亮就说明哪一个已损坏。由于目前市场上尚无此类显示器或发光二极管,因此用“拆东墙补西墙”的办法也能奏效。在电子钟报时过程中,除17、18两只发光二极管作报秒显示外,其他25只均作报时及显示上、下午用。这25只中任何一只损坏都会影响报时,故可把17、18两只取下作为更换用。

修理时操作要小心。用刀片将显示器背面8只塑料热铆点切去,拆开显示器后盖。用小刀分别将坏的二极管和17、18两只二极管连同两极焊点处铜膜削刮下来。17、18两只的引线要留得长些,焊在坏管处。焊接时先把烙铁烧热,拔去电源插头再焊。焊接时间要尽量短。焊好后再用上述方法检查是否发光。如已发光,则更换完毕,再按显示器原样装配好,用胶水封好,待干后可装机使用。

表一:
故障现象 故障原因
报时不准 MM5387集成块坏,需更换。
秒点显示快
秒点显示慢
报时数字断缺 除显示板故障(注①)外,为
秒点显示缺一点 MM5387集成块坏,需更换。
显示板无显示(不亮) 除显示板供电外、一般为MM
5387集成块坏,需要换。
显示板全亮,但不会跳动 MM5387集成块坏,需更换。
无秒点显示 MM5369集成块坏,需更换。
秒点显示不跳 注②
快、慢按键调节无作用或 除检修按键座各根连线外,一
时钟数字不跳 般为MM5387集成块坏,需更
秒按键调节无作用 换。
表二:
故障现象 故障原因
手 开机不响 除检修功能开关及其连线故
动 机器关不掉 障外,为电子开关坏。注③
开机不响(自动开) 如手动开关正常,即集成块
自 机器关不掉(自动关) M5387坏,需更换。
定开定关无作用 查按键座及连线。
动 暂定不起作用
暂定后不会自动开 MM5387集成块坏。
停键不起作用 查按键座及连线。
为了方便修理,提供图3和表一、表二作参考。表中注①:可按前述二方法检查。注②:MM5369集成块在电路中正常时为:脚1有负10伏电压;脚2有负17伏电压。注③:按前述一的方法检查。(邹全璋 张玲)