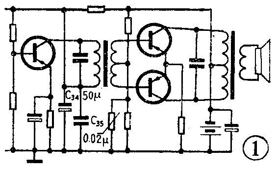
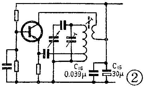
有些电路在一个大容量的电解电容器上又并联一个容量很小的其它种类的电容器。例如,在收音机电路里,常见的就有三处:(1)功放级与前面各级的电源退耦电容(图1中的C\(_{34}\)上并联了C35);(2)独立的本地振荡器的电源退耦电容(图2中的C\(_{15}\)上并联了C16);(3)自动增益控制电路中RC低通滤波器的滤波电容(图3中的C\(_{2}\)0上并联了C21)。其中C\(_{34}\)、C15、C\(_{2}\)0为电解电容器,而C35、C\(_{16}\)、C21则为陶瓷电容器,它们的容量与电解电容相差十分悬殊。



为什么要采用不同的电容器并联呢?为了说明这个问题,我们需要研究一下电容器在高频情况下的特性。
我们知道,任何电容器都是由两个导体中间加上电介质构成的。如果电介质是理想的绝缘体,当电容器两端加上一个直流电压时,电容器中的充电电流应该经过一段时间后逐渐降到零。实际上电介质并不是理想的绝缘体,尽管给电容器长时间充电,其电流也不为零,而是保留一个极小的“最终值”,这就是电容器的漏电流。漏电流将在介质中造成一定的能量损失,而使介质发热。漏电流的大小可用绝缘电阻来表示,漏电流大,绝缘电阻就小。一般电容器的绝缘电阻数值都很大,用万用表测不出来,即万用表的指示为无穷大。此外,在高频情况下工作的电容器,由于介质的分子在高频交变电场的作用下还会发生介质极化现象,这种极化现象也要损耗能量,而且频率越高,损耗越大。这种能量损耗和漏电流一起被称为介质损耗,可用一个和电容C并联的电阻R\(_{P}\)来表示。因此考虑了介质损耗以后的电容器的等效电路应该如图4a所示。

电容器都有引线、接头和极片,而在这些引线、接头和极片上也存在着一定的电阻,在这些电阻上流过电流也要消耗一些电能,尤其是在高频情况下,由于趋肤效应的影响,这些电阻将显著变大,因此损耗也增大。这种损耗在电容器的等效电路中可以用一个串联电阻R来代替,见图4b。电解电容器的负极极片是与氧化膜相接触的电解质,它比其它种类电容器的金属极片具有更高的电阻系数,因此电解电容器等效电路中的R比其它种类电容器大得多,而且随着频率的升高R将剧烈增加。此外,在电容器中还存在着等效电感L,它是由电容器极片以及外部和内部引线电感构成的,这个电感L是与电容串联的。这样我们就可以画出一个实际电容器的等效电路,如图5所示。

一般陶瓷或云母电容器多采用平行板式的结构,而且容量小,极板面积小,电容体积小,内外引线也比较短,因而分布电感一般较小。电解电容器采用卷绕式结构,芯子本身就等于一个很多圈的带子形状的线圈,再由于极片及引箔面积较大,本身就具有较大的电感,所以电解电容器的寄生电感也较陶瓷、云母等电容大得多。
在频率较低时,R的数值很小,感抗X\(_{L}\)也很小,R和L的影响可忽略不计。在一般情况下,RP的数值很大,其影响也可忽略。这样,一个实际的电容器就可以看成是一个理想的电容器,既没有串联电感,也没有串、并联电阻。
频率变高时,R及L的影响变大,R\(_{P}\)的影响仍然很小,可以忽略。这样,我们就可以得出在高频情况下的电容器的等效电路,如图6所示。显然,这个等效电路是一个RLC串联谐振电路,其谐振频率为f0=\(\frac{1}{2π}\)\(\sqrt{LC}\)。电路的总阻抗
Z=\(\sqrt{R}\)\(^{2}\)+(X\(_{L}\)-XC)2(1/2)=R\(^{2}\)+(2πfL-\(\frac{1}{2πfC}\))2

当f<f\(_{0}\)时,XL<X\(_{C}\),XL-X\(_{C}\)为负值,Z为容性阻抗;当f=f0时,X\(_{L}\)=XC,X\(_{L}\)-XC=0,Z=R为一纯电阻;当f>f\(_{0}\)时,XL>X\(_{C}\),XL-X\(_{C}\)为正值,Z为感性阻抗,见图7。由此可见,只有当工作频率低于谐振频率f0时,电容器才能作为一个电容在电路中使用,而当工作频率高于f\(_{0}\)时,电容器在电路中则相当于一个电感线圈,不再起电容的作用。

从以上分析可以看出,在高频下工作的电容器,除了要求它有一定的容量之外,还要求它的损耗小、寄生电感小,以取得较高数值均谐振频率f\(_{0}\)。云母及陶瓷电容器均能比较好的满足这些条件,它们可以工作于数百兆赫以至几千兆赫,因而被广泛地应用于高频电路中。电解电容器的寄生电感较大,而且一般容量也较大,因此其谐振频率f0较低,工作频率稍高就会呈现一个感性阻抗。即使不超过f\(_{0}\),电解电容器往往也不能很好地通过较高频率的信号,这是因为它的介质损耗大,即RP值小,高频信号衰减严重,而且它的等效串联电阻R也大,阻止了高频电流畅通。尤其在高频低温情况下,电解电容器就等效成一个大电阻,因而它不适于在高频情况下应用。
经过上面的分析,就不难解释在图1、2、3的电路里,为什么要采用两个电容器并联。图1、2、3中那些并联的电容器是用来消除交流信号之间的寄生耦合的,也就是将某点的交流信号旁路接“地”。但是这三处所需旁路的交流信号与其它地方的交流信号有所不同。图1中需要旁路音频信号及前面各级的中频信号;图2中需要旁路低频及本振的高频信号;图3需要旁路AGC电压中残留的低频及中频信号。这些地方仅仅用一只电解电容器,往往不能很好地完成旁路任务,因而造成变频级、中放级等各级之间的耦合,使中放自激或其它级工作失常。如果用另一只高频性能较好的陶瓷或云母电容器与电解电容器并联,这只电容器容量虽然不大,但对中频和高频信号呈现的阻抗反而比电解电容器的阻抗小。这样高频、低频信号电流各自都有了良好的通路,从而消除了有害的耦合。
需要说明,收音机中存在的寄生耦合是多方面的,消除的方法也不完全相同。以上分析的在电解电容器上并联小电容的方法,在某些收音机里就不一定必要。即使是同一型号的收音机,有些机器拆掉了小电容,也不一定就发生自激。但作为批量生产的产品,考虑到质量的稳定性及工艺的一致性,则一律安装上为好。作为业余爱好者,不一定完全照搬,可根据自己收音机的具体情况和实际效果,通过实验来决定取舍。(刘铁夫)