中央电视台举办了北京中学生智力竞赛,这种比赛方法是十分有趣的。其中有一部分是由三个学校的九位同学抢答二十道题,每个学校座位前都安装了电铃,谁先按响了铃,谁就抢到了答题的权利。由于比赛激烈,多次出现了三人同时按铃的情况,这就给裁判员同志带来了困难。其实这种情况可以用以下电路来解决。
设想有这样一个逻辑元件如图1,A\(_{1}\)为输入端,A2为输出端,A\(_{3}\)4为两个禁止端。当A\(_{3}\)=“1”、A4 =“1”,即都没有加上禁止信号时,这时若输入信号A\(_{1}\)=“1”,这个元件输出端就会有输出A2=“0”。如果A\(_{3}\)4中有任意一个为“0”,这时无论输入端A\(_{1}\)是否加上信号,A2总是没有输出信号的。我们用这样的逻辑元件就可以构成一个简单的时间判别电路,见图2。如果A\(_{3}\)=“1”、A4=“1”,则A\(_{1}\)=“1”时A2=“0”,A\(_{2}\)的输出信号同时送到B4和C\(_{4}\),使B4=C\(_{4}\)=“0”,这就封锁了B、C电路,即使它们加上了输入信号也得不到输出信号。同理,B的输出信号也应加到A、C的禁止端,而C的输出信号也应加到A、B的禁止端。

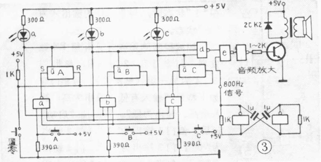
下面介绍一个实际电路如图3。当使用微动开关作按钮时,由于对输入信号要加以保持,所以在电路中使用了触发器,前面介绍的逻辑元件其功能就由触发器和一个与非门来完成。平时三只触发器均为“0”态,Q端输出为高电位,由于门a、b、c均通过390Ω电阻接地,所以门a、b、c均输出高电位。当把开关A首先按下时,门a的三个输入端全为高电位,输出端的低电位使触发器A置“1”态,Q-端为低电位。这时发光二极管a亮。A触发器Q~端输出低电位封锁了门b和门c,开关B和C就不再起作用。

门d是一个与非门作为或门使用,平时它的输入端全为高电位,输出低电位把门e封锁,使800Hz信号送不到音频放大器去。当任一个触发器翻转时,给门d输入端送来一个低电位,门d输出变为高电位,门e被打开,音频放大器输出端的喇叭便会发出音响信号。有一个人按了微动开关,对应的发光二极管亮,喇叭发出音响。这时其他人再按其它的微动开关,对应的发光二极管不会再亮。裁判员就可以判断是那一学校先按的,并在认清之后,用“置零”开关将电路复原,以便提下一个问题时再用。
图中触发器可用JK触发器或D触发器,与非门均用7MY23型。5V电源应加滤波电容。发光二极管用发红光的磷化镓或磷砷化镓发光二极管。由于门电路和触发器的翻转时间需要几十毫微秒,如果在这个时间之内同时输入两个信号,也会使两只指示灯同时发亮,但出现这种情况的概率很小,可以不考虑。(徐祖哲)