无线电爱好者在制作变压器、扼流圈、中频变压器、音箱分频器等,常对电感值的测量感到困难。为此,本文介绍一台电感测试仪,量程从10μH开始,共分八档,可测量0.5μH到100H的电感量。电路简单、制作容易、使用方便。
电路原理
原理电路见图1。当开关K置于“左”时,有一电流I通过线圈L;当K置于“右”时,线圈中的电流I不能突变仍按原方向流动,这个电流通过表头,并逐渐减小到零。线圈的电感量大,电流减小得慢;电感量小,电流减小得快。如果每秒钟重复转换开关(K)f次,那么线圈上储存一释放的功率为P\(_{L}\)=12LI\(^{2}\)f,这个功率绝大部分变成了使电流表指针产生偏转的电流。如果其它不变,对应不同的电感值,电流表将指示出不同的电流。这样就可以根据电流表的读数得出电感值。

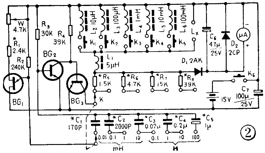
根据这一原理设计的测试仪电路见图2。图中晶体管BG\(_{3}\)和二极管D1的作用相当于图1中的K。电阻R\(_{5}\)~R8相当于图1中的R,L\(_{1}\)与校准电感L2~L\(_{6}\)、Lx串联后相当于图1中的L。BG\(_{1}\)、BG2和C\(_{1}\)~C5组成脉冲振荡器,产生一定的频率信号用以控制BG\(_{3}\)的开关状态。从图中可以看出,当BG3导通时,D\(_{1}\)反向截止,相当于图1中K置于“左”位;当BG3截止时,D\(_{1}\)正向导通,相当于图1中的K置于“右”位。电感L2~L\(_{6}\)分别对应0.01、0.1、1、10、100mH各档作校准电感用。W是频率微调电位器,用以校准表头满度。电容C1~C\(_{5}\)决定振荡器振荡频率,R5~R\(_{8}\)控制通过被测电感的电流大小,它们决定了仪器的量程。

元件选择与制作
单结管BG\(_{1}\)取第1、第2基极间的电阻和分压比都大的管子(BT31~BT33)。为了提高测量小电感的准确度,BG2、BG\(_{3}\)(特别是BG3)尽量选择开关速度快的晶体管,如3DK3B、3DK6B等,若无此管,也可以用3DK2C、3DK3A、3DK5C、3DK6A等代替。为了减小由于电感的直流电阻r而引起的电流变化,电源电压取高一些,使R\(_{5}\)~R8也取大一些。K\(_{1}\)~K6用小型微动开关。波段开关K用小型的2掷8刀开关。表头用44C7型的50微安电流表表头。W用小型炭膜电位器。电感测试插孔用半导体收音机的天线插座。电感L\(_{1}\)~L6可自制,数据见表1,绕好后要用Q表测试,电感量合适后涂上蜡或漆。其中L\(_{5}\)、L6用蜡封入一个小塑料瓶或塑料管内。各电感线圈的引线用单股硬线。这些校准电感一定要数值准确。L\(_{1}\)~L4也可以用色码电感。

印制板见图3,面板见图4(均为示意图)。固定微动开关时,将两根φ2的铁丝插入开关的两个孔内,K\(_{1}\)和K6之间有3~5mm的空隙,用一个塑料圆管套在铁丝上,将K\(_{1}\)、K6隔开。然后用M3×15的平头螺钉通过夹住两铁丝的铝垫片将一串开关固定在底板上。固定好以后,螺钉头不要高出印刷板,微动开关的上平面应和印制板平,太高了会顶起面板,太低了按钮露出太少。如果高度不合适,就要适当调整垫片的厚度。面板上对应微动开关处要开小方孔,微动开关的按钮要正好从面板的小方孔中露出来。然后再将波段开关、电位器、待测电感插孔、表头等固定好。


调试
按下电源开关K\(_{6}\)和校准电感开关K1,检查振荡器是否起振。然后再按下K\(_{6}\)和K2、K\(_{6}\)和K3…分别检查各档是否都能起振。若起振表头应有指示,否则就要检查焊接是否有误或元件是否损坏,然后分别调试各档。
1.将K拨至10μH档,按下K\(_{1}\)和K6,电位器调到零,表针指示最小,再调R\(_{1}\)或C1,使表针偏转到45微安处(满度为50微安)。若在加大R\(_{1}\)或减小C1时发现振荡电路停振,可减小R\(_{5}\)或加大L1。然后把电源降到12伏,调电位器W至阻值最大,指针右偏并超过满刻度。若按下K\(_{1}\)和K6时,电路没起振,应减小R\(_{1}\)或增大C1的数值。如仍不起振,应更换BG\(_{1}\)管。
2.将K拨至100μH档,调电容C\(_{2}\),指针应偏转到45微安左右。然后将K拨至1mH档,调电阻R6;将K拨至10mH档,调电容C\(_{3}\);将K拨至100mH档,调R7,使表针偏转均能满足同样的要求。
3.将K依次拨到1H、10H、100H各档,外接上1H、10H、100H标准电感,分别调C\(_{4}\)、R8、C\(_{5}\)使指针偏转也能满足上述要求。若手头没有这三种数值的电感,可暂不调试,按C4=10C\(_{3}\)、R8=2.5R\(_{7}\)、C5=10C\(_{4}\)将元件焊接好。
4.定标:由于通过表头的电流与电感L并非线性关系,因而不能直接用原表盘上的电流刻度来表示电感。我们用已知电感来重新刻度,绘制表盘。
先进行10μH档刻度。由于晶体管BG\(_{3}\)的关断时间不可能无限快,这就使得2μH以下的电感难以测准。为此,在被测电感上串一固定的小电感L1,使10μH量程的零点向右移。先绕一个10μH的电感,用Q表将这个线圈值测准。将它插入被测电感插孔,按下K\(_{6}\),调W使表针指示满度,然后取下这个电感,减小它的圈数使电感量变为9μH,再插入插孔,按下K6,读出原电流刻度的指示数。这样逐次减小电感值直到0.5μH,最后插入短路线,测出零点位置,分别记下这些数值。
100μH、1mH、10mH三档亦如此进行,这样就得到了四组刻度数据,根据这四组数据可以绘出四条刻度线,因2、3、4三组数据差别不大,可取其平均值绘成一条。这样就在表盘上刻出两条刻度线。表2给出了刻度线的参考数据(表中\(^{*}\)5为2、3、4的平均值)。

应注意,由于电感大时分布电容也较大,所以用Q测量校准电感时,不能用调“谐振”电容的方法来测试,而必须用调“测试频率”的方法。以QBG-1A型Q表测1~10mH电感为例,测10mH电感时,测试频率为76KHz时,谐振电容为440PF,电感读数为1,然后不改变电容,根据谐振频率与电感的平方根成反比的关系,标出1~9mH的电感测试频率见表3。如果频率偏高,则电感小;频率偏低,则电感大。
表3
L(mH) 1 2 3 4 5 6 7 8 9 10
f(KHz)240 170 138.7 120.2 108.6 98.2 91.0 85.0 80.1 76
100mH以上电感的测试,可用调压器串一电阻后加到电感上,如图5所示。若无调压器可串50K、2W的电阻直接接到220伏市电上,分别测出电阻R和电感L上的压降,就可以算出电感值:X\(_{L}\)=RV2/V\(_{R}\),L=RVL/2πfV\(_{R}\)。在有了几个大电感并测出其电感量之后,就可对1H、10H、100H档进行验证。如果指示有偏差,可对C4、C\(_{5}\)、R8再进行调整。

使用方法
1.检查电池电压:将波段开关拨至0.01~100mH各档,按下电源及对应的校准开关,调电位器表针指示应能达到满度,否则说明电池电压不足,应更换新电池。
2.测量100mH以内的电感时,先估计被测电感的大小,选择合适的量程,同时按下电源和校准电感开关,调电位器使指示满度。然后断开电源和校准电感,将被测电感接入插孔,接触要良好,再按下电源开关,表针指示即为被测电感值,如无法估计电感值,可先用大量程档试测。
3.测量100mH以上电感时,都是先拨到100mH档进行校准,然后再拨到相应的量程,接上被测电感,按下电源开关,表针指示即为被测电感值。测量100H电感时,因频率低表针有抖动现象。
4.表头上有两条刻度线,10μH量读下面刻度,其它各量程读上面的刻度。(徐维江)