这种扩音机特点是电路简单、稳定,便于安装、调整,特别适合于电唱机放音。
电路原理简介
本机电路见图1。输入级用场效应管3DJ7F连接成源极输出电路,作为阻抗匹配器。信号经C\(_{1}\)、R2耦合至运放块的同相输入端,经运放电路及其末级的几个晶体管放大后,再从功放级输出端反馈到集成运放电路的反相输入端,起深度负反馈作用。音调控制电路设置在这一个负反馈回路里。电位器W\(_{2}\)调到A点时为低音最大提升,W2调到B点时为低音最大衰减;W\(_{3}\)调到C点时为高音最大提升,W3调到D点时为高音最大衰减。高、低音控制量约±20分贝。中音闭环放大倍数约为10。C\(_{4}\)为隔直电容,R6为全反馈电阻,它们可保证放大器工作点稳定。如果不用C\(_{4}\)、R6,则当集成运放电路偏置电流较大时,调节W\(_{2}\)可能造成输出直流工作点变化太大,以致无法使电路正常工作。C9、R\(_{18}\)及C10、R\(_{19}\)为电源滤波网络,它对源极跟随器及整机输出交流声具有抑制作用。

图2为音调控制电路。当W\(_{2}\)滑臂调到A点时为低音最大提升,此时图2可简化为图3。对中音以上频率而言,C3可视为短路,放大倍数K=(R\(_{3}\)+R4)/ R\(_{3}\)=(300+3K)/300=11;对低音频而言,C3可视为开路,故放大倍数K=(R\(_{3}\)+W2+R\(_{4}\))/R3=(300+22K+3K)/300≈84倍,可以看出低音已经得到了提升。


图4为低音衰减电路,此时W\(_{2}\)滑臂置于B点。对于中音以上的信号频率,C2视为短路,K=(3K+300)/300=11倍;在低音时,C\(_{2}\)视为开路,K=(22K+3K+300)/(22K+300)≈1.13,可见低音受到了衰减。

在高音最大提升时,W\(_{3}\)滑臂处于C点,电路简化为图5。对中音以下频率而言,C5视为开路,K=(3K+300)/300=11;高音时,C\(_{5}\)视为短路,K=〔3K+(300‖30)〕/30≈100倍。高音受到了提升。

高音最大衰减时,W\(_{3}\)滑臂置于D点,电路简化为图6。对中、低音C6视为开路,此时K=(R\(_{4}\)+R3)/R\(_{3}\)=11;高音时,C6视为短路,形成全反馈。此时K=R\(_{3}\)/R3=1,显然高音受到了衰减。

安装、使用注意事项
1.本机由于元件较少,放大倍数不高,所以灵敏度较低,要求输入端信号电平应比较高。因此很适宜作为电唱机放音(晶体唱头输出信号有几百毫伏)。对于其它信号源,如放音磁头输出信号、普通话筒或一般收音机检波器输出信号,因为较弱,大约仅几毫伏,则灵敏度显得不够。
2.如果没有8FC2,也可以参照本刊1981年第6期《集成运算放大器的互换》一文,用其它型号的运放块代换使用。
另需注意,不同厂家生产的8FC2,其管脚排列可能不一样,如本文的8FC2和东光电工厂的8FC2管脚排列就大不一样,读者使用时要参照厂家说明书,否则容易损坏集成块。
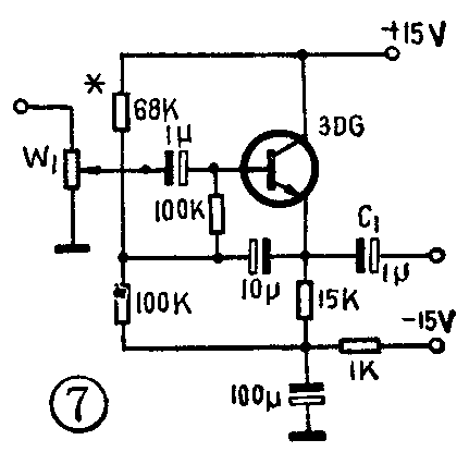
3.如果一时买不到结型场效应管,可如图7所示用3DG型晶体管代替,晶体管的β值应大于50。

4. 音调控制级的电位器W\(_{2}\)、W3采用业余品时,应注意其零位阻值不要太大,否则会缩小音调控制范围。特别是W\(_{3}\)的滑臂移动到C点时,如果零位阻值较大,则图1中R5的阻值应减小一些,或者省掉R\(_{5}\),以尽量满足高频提升要求。W1选用指数式电位器,W\(_{2}\)、W3选用对数式电位器。
5.本机高端频响可达100千赫,所以应注意电路自激问题。布线时,W\(_{1}\)引线应远离输出端引线,并适当选择C11容量(一般应在100P左右)。
6.C\(_{1}\)、C4容量大于1微法即可,不要超过10微法。
7.R\(_{1}\)应根据所用场效应管的饱和漏源电流IDSS选择,以期使U\(_{S}\)≈0。例如对于F档管子,R1可在4.7千欧~15千欧之间选择。
8. 如果BG\(_{1}\)耐压不够高,可适当加大R19阻值,使U\(_{D}\)≥+5伏即可。若管子耐压大于15伏,则R19及C\(_{1}\)0也可以不用,对整机性能无影响。
9.BG\(_{3}\)、BG4不要求配对,但要求最大电流应大于100毫安,耐压大于30伏。BG\(_{5}\)的hFE应比BG\(_{6}\)大,这样处理的好处是失真较小。

10. 本机印制板图见图8。图中只给出了元件安装孔位及印制导线走向,读者在描漆时可根据各人爱好自行决定线条粗细。应注意的是电容C\(_{12}\)、C13的引线应直接连到整机相关元件上。不要使其充放电电流流过±15伏电源的导线。若电容体积较大,需在印刷板外布置时,其引线也应尽可能焊在印刷板上所给的位置,否则容易引起交流声。(王希舜)