目前高档收录两用机的面板上都装有电平指示器。这种指示器不但可以用来指示录音电平,而且可以指示放音音量。常用的指示器有两种,一种是磷砷化镓发光二极管(LET),一种是荧光显示管。前者多为红色,也有其他颜色。后者一般是发兰绿色光。收音机、录音机装上这种指示器,使得面板装璜美观,别开生面。现在上海半导体器件16厂已经生产了几种指示器的驱动电路,经试用效果不错。本文介绍其中SL323、SL322。
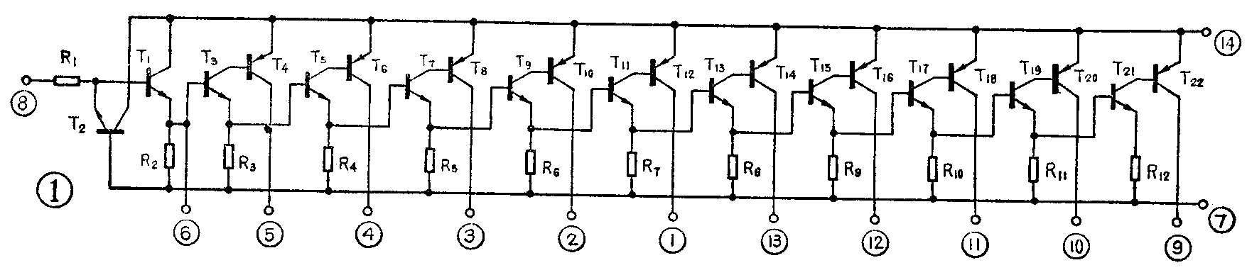
SL323是荧光显示驱动电路,这种集成电路如题头所示是14脚双列直插式。图1是它的内电路。按图2接上两只电容连同T\(_{1}\)、T2、R\(_{1}\)、R2构成一个倍压整流器。一般指示器作为音量指示时是把输入端通过C\(_{1}\)接到收音机或录音机喇叭两端。但由于电路设计得当,输入阻抗较高,对收、录音机的影响很小。驱动器的⑥脚外接电解电容,随着输入信号幅度的增加⑥脚电位也升高。当⑥脚达到0.6~0.7伏时T3导通,T\(_{4}\)饱和,如果在⑤脚对地之间接入一个灯泡,灯泡就可发亮。当⑥脚电位再升高0.6~0.7伏时T5导通,使得T\(_{6}\)饱和,接在④脚与地之间的灯泡也会发亮。以后⑥脚每增加0.6~0.7伏就会使“阶梯”下一级的管子导通。因此接在③、②、①、……各脚上的灯泡会先后发光。也就是说灯泡发光的个数与输入信号大小成比例。


将SL323驱动器与荧光管按图3连接就构成了荧光显示器。YS13-D荧光管是上海电子管三厂的产品。其外形可参看题头。图4是管脚顺序图。面对管脚,将两根长引线放到右方,管脚排列如图所示。①、脚(F、F)是灯丝引线,⑥脚是栅极(G),其余10个引线为阳极。该管灯丝电压为3.5伏,理想情况是用交流供电,这样管子各阳极亮度一致,均匀。如机器内没有交流电源也可以如图3所示用电阻R降压。


当SL323的⑤、④……⑨各脚按图3的顺序接到荧光管的各阳极上时,则喇叭两端电压每增加0.6~0.7伏就有一个阳极发光,随着喇叭两端音频电压的变化,发光的阳极个数也就跟着变,达到了音量指示的目的。
实际应用中常按图5、6、7的方式把指示器与整机电路联在一起。图5的接法效率较高,喇叭上有1瓦功率时10个阳极均可发光。图6接法适于喇叭输出3瓦功率的场合。图7适于喇叭输出大于5瓦的情况。调节电位器W可使得10个阳极全亮。由于SL323要求的电源电压V\(_{cc}\)是24伏,YS13-D的阳极工作电压要在15伏以上,故低电源电压的场合上述显示器无法应用。



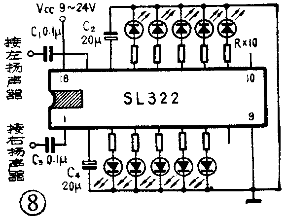
驱动电路SL322与发光二极管按图8方法连接,可在9~24伏电源电压下工作。图9是SL322的内电路图,可见图9是一种双声道指示器,①脚和分别是左右两路输入端。③~⑦和~别是两路驱动端。与各驱动端连接的电阻是限流电阻,可按下式计算阻值:R=(V\(_{cc}\)-0.7-1.8)/I式中Vcc为电源电压;I为发光二极管工作电流;0.7为开关管的饱和压降;1.8是发光二极管的正向压降。如将SL322⑩脚与②脚相连接也可改成单路指示。此时可驱动10只发光二极管。


装配时应注意,SL323的管脚排列是:面对印章(正放),左侧有一条记号,此时左下角为第①脚,逆时针数,右下角为第⑦脚,右上角为⑧脚,左上角为。YS13-D的管脚也不可接错,否则有烧断灯丝的危险。
下面把上海和绍兴产的两种荧光显示管简要介绍一下,以便读者使用时参考。
上海管的型号是YS13-D,管长70mm,管径14mm。绍兴管的型号是YB-1,管长110mm,管径19mm。两种都是10个阳极。YS13-D的典型使用数据为:阳栅电压20V、阳栅电流<10mA、灯丝电压3.5V、灯丝电流<30mA。YB-1的典型使用数据为:阳栅电压12~24V、阳栅电流<15mA、灯丝电压5V、灯丝电流<35mA。两种荧光管的发光颜色相同,都是兰绿色,使用方法也相同。一般是根据收录机面板的尺寸及电源电压选用荧光管。
两种荧光显示器的印刷电路板图都在函购元件时提供。(徐治邦)