调频收音机通常是和调幅收音机合装在一起的,调频部分只作为一个波段,低放及中放管可以合用,工厂都按这种格式生产,原因是为了节省材料降低成本。业余制作者可以不必拘于这个格式。如果已经有了调幅收音机,再装制一个独立的调频调谐器,使用原来调幅机的低放,就可以收听调频广播了。制做独立的调频调谐器比调频、调幅合装在一起容易调试,易于成功。由于普通调频收音机的电路已经典型化了,除非高档机增加一些特殊功能外,一般没有什么特别的地方。但要装好调频机,关键在于元器件的选用、组装和调试。这里以一个简单的调频调谐器为例,介绍一下元件的选用原则,组装调试方法。
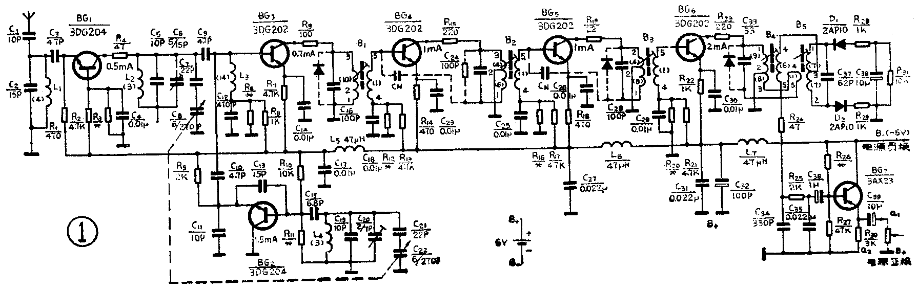
图1给出了一个简易调频调谐器的电路。调频头使用三只管子,BG\(_{1}\)作高放,BG2作本振,BG\(_{3}\)作混频。BG4、BG\(_{5}\)作中频放大,BG6为鉴频放大器。BG\(_{7}\)是射极输出器,便于与后级连接。调频头的线圈很容易制作。L1~L\(_{4}\)电感量均小于1微亨,用φ0.6~1毫米漆包线绕成直径为φ5~φ6毫米的空芯线圈,外形可参考图2。各线圈数据已标在图中。调试时拨动线匝之间的距离即可改变其电感量。10.7兆赫中频变压器B1\(_{2}\)3及鉴频线圈B\(_{4}\)5的骨架、磁芯、磁帽、外罩等均可用调幅机短振线圈改制。圈数标在图1中。各线圈均用φ0.1~φ0.13漆包线,先绕次级后绕初级,抽头顺序可根据印制电路板编排。其中B\(_{5}\)的两个7圈要双线并绕;B5中的1圈不需要交叉,实际只有半圈。考虑到超高频频段的介质损耗,调频头部分的电容器最好选用高频瓷介电容,金属纸介及涤沦电容均不适用。旁路电容C\(_{4}\)、C14等选用1000微微法以上均可,为统一方便都使用了0.01微法。可变电容器最好使用调频机专用的3~19微微法空气电容,或调频调幅机上用的复合四联可变电容器(只用4~24微微法的调频部分)。调幅机上用的2×270微微法双连串接一只20~30微微法固定电容也可用。半可变电容最好选用小型瓷介微调电容(CWT型)。电阻仍可使用一般小型炭膜电阻。


晶体管的f\(_{T}\)一般要比实际工作频率高5倍以上,因此调频头的三只管子fT要大于500兆赫,但混频管BG\(_{3}\)的fT可以低一些。此外高放三极管BG\(_{1}\)还要求噪声低。现在,国产专为调频收音机设计的高频管是3DG204,类似的管子有3DG18C等。3DG30、3DG32B、3DG84C及3DG11B也可代用。中放级工作在10.7兆赫上,使用一般调幅机常用的3DG200系列即可。
图3是印制板图。从图3可见,元件按照电路的顺序从左至右逐级排列(从右至左也行)。工作在超高频段的调频头部分各元件之间引线要短,以减小分布电容。因为在调幅波段可忽略的某些分布电容和分布电感到了超高频段往往有很大影响,造成交连或旁路,引起自激或降低增益。特别要注意地线,务必短而粗。可按图3采用大面积地线方式,这种方式地线导通良好,工作稳定。另外从图3可以注意到,双连电容把输入回路、高放级与混频、本振级隔离开。使得输入线圈、高放线圈与振荡线圈相互远离,减小了相互交连,使工作容易稳定。中频陷波器工作在10.7兆赫频率上,可装在混频管附近,与它串联的C\(_{12}\)接地端应靠近C14的地端。

从中放级BG\(_{4}\)开始逐级采用了按电路顺序通行的方式,而其中每级的地线是独立的,即每级放大器的基极、发射极旁路电容和集电极地端都在同一段独立的地线上,使每一级电流自成系统,前后级之间的电流不在公共部分交连,这种接地方法放大器工作最稳定。
该调谐器鉴频器音频输出部分的印刷板走线是根据低放电路供电的情况设计的。一般低放电路有两种供电形式:一种是供负电(即电池正极接地,这种情况低放部分使用锗管),另一种是供正电(即电池负极接地,这种情况低放部分使用硅管)。为了适应低放电路供电的不同方式,印刷板有三根走线(带斜线的)要根据具体情况联接。先假设低放电路电源正极接地,此时图1中的BG\(_{7}\)用锗(PNP)管,R30焊在电路板R\(_{A}\)(虚线)的位置,RB(虚线)的位置用导线短路。电路板中A\(_{1}\)2两处用焊锡连起来,这样音频信号从a\(_{1}\)(C39正极)和a\(_{2}\)输出。如果低放部分是电池负极接地,图1中的BG7应改用硅(NPN)管,R\(_{27}\)和R26位置互换,C\(_{36}\)极性反接,局部电路参考图4(a、b)。此时R30焊在R\(_{B}\)(虚线)的位置,RA(虚线)位置用导线短路。并且将P\(_{1}\)、P2两处用焊锡短路,音频信号就从b\(_{1}\)(C39负极)、b\(_{2}\)(音频地)输出。由于C38极性只与D\(_{1}\)、D2的方向有关,与电源正负极的接法无关,故不必更动。

调谐器组装完毕之后可与调幅收音机联接起来,调频与调幅波段可用波段开关控制转换。另外,由于调谐器末级是射极跟随器,故输出引线可以很长,而且不必用屏蔽线。联好之后先加上直流电源,将调谐器各管子工作电流调到图1所标数值,然后进行交流调试。用信号发生器调试的方法如下:将信号发生器输出一个等幅(未调制的)10.7兆赫、5~10毫伏的信号,从BG\(_{6}\)基极输入,调整B4\(_{5}\)使输出最大。然后从信号发生器输出10.7兆赫调幅信号,再微调B5使输出最小,此时表示对调幅抑制最好。一般鉴频器约有0~6dB(0~2倍)左右的增益,因此10毫伏中频信号输入应有10~20毫伏左右的音频电压输出。并且当已调频信号在10.7兆赫左右改变频率时,音频信号应有图5那样的变化,两谷之间约有600~800千赫的距离,小峰应比大峰低6dB以上。然后将10.7兆赫调频信号逐级从2中放、1中放和BG\(_{3}\)的基极输入信号,调整B3\(_{2}\)1使音频输出最大。如果输出最大时失真太大;则应调B\(_{3}\)2\(_{1}\)使失真最小。最后,将超高频信号从天线端输入。低端调L4匝距,高端调C\(_{2}\)0的容量,反复调整几次使调谐器能够复盖87~109兆赫频段。统调可按如下步骤进行:先输入88兆赫信号,调L2匝距,使输出最大;再输入108兆赫信号,调C\(_{6}\)使输出最大,反复几次。最后从天线输入10.7兆赫中频,调L3匝距使输出最小。到此整机全部调整完毕。正常情况,每级中放有16~20dB(4~10倍)左右的增益。调频头有20dB(10倍)左右的增益。因此鉴频器输出10毫伏音频信号时,天线输入超高频信号应在几十微伏至几个微伏。从调谐频率向左右偏离±400千赫时衰减量应有20dB以上。

业余条件下没有信号发生器,可使用电台广播信号调整。方法是调谐可变电容,找到本地的调频台,调整中频变压器及鉴频线圈使喇叭的发声最响。如果声音最响时失真大,则应反复调B\(_{1}\)2\(_{3}\)4\(_{5}\)使失真最小,此时可以说中频通带已正常。然后调本振的L4、C\(_{2}\),使收到的电台位于度盘的正确位置上,再调L2、C\(_{6}\)使声音最响。
调试中最易发生的问题是中放自激。有自激时输出波形中带有各种寄生杂波,声音失真难听,严重时啸叫以至完全不能工作。这时可在中周槽路上并联几千欧的电阻,或将中周抽头至集电极之间的匝数减少。必要时可如图1所示加入中和电容C\(_{N}\)(1~2pF)。如果没有自激,可将中周初级的中心抽头与集电极之间的匝数增加几圈,这样可进一步提高中放增益。(中夏)