这里介绍一件新颖有趣的电子玩具——抢“15”。它能培养孩子们计算和数学思维能力,适合学龄前儿童游戏。
玩具的外形如图1所示。接通电源后,指示灯点亮。玩的时候,两个人轮流揿动两头的按钮,规定每次最少揿一下,最多揿三下,把两个人所揿的次数累计加起来,无论谁揿动第15次时,玩具里就会发出响声。怎样才能使自己揿第15次呢?这就要孩子们动动脑筋了。

电路组成
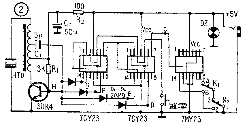
玩具的整个电路见图2。它分成蜂鸣器、门电路、计数器和脉冲整彩电路四个部分,现依次介绍如下:

1.蜂鸣器:
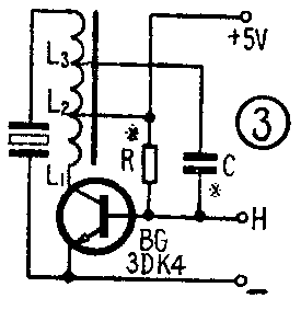
这是一个晶体管音频振荡器,电路如图3。发声元件用的是上海无线电一厂生产的HTD27A-1型压电陶瓷片。这个蜂鸣器的体积和重量都较小,而且价格便宜。但因变压器要自己绕制,做起来稍复杂些。如果用普通小型扬声器,电路如图4。这时可以配用现成的推挽输出变压器,不必改绕,其它元件数值与图2同,效果是一样的。


2.门电路:
图5是个简单的二极管4与门电路,用来输入蜂鸣器的控制信号。

3.计数器:
这是玩具的关键部分,由集成电路D触发器组成。图6是单个接成计数状态的D触发器。

玩具中用两片双D触发器,型号是7CY23,这样共有四个触发器,连成如图7电路。若从CP\(_{1}\)输入脉冲使它逐级发生翻转,那么从四个Q端都处于低电位时开始,则要15个脉冲才能使所有Q端都处在高电位。

现在把四个Q端分别和门电路二极管右端连接,不难理解,在CP\(_{1}\)连续输入15个脉冲时,蜂鸣器就会发音。
4.脉冲整形电路:
玩具中计数器的触发脉冲是用手揿按钮开关的办法产生的。但由于开关的簧片在通、断的瞬间不可避免地会有抖动,所以每次揿动开关实际上会产生一连串的电压跳动,形成一串脉冲,若在电路中直接用开关的通断去触发计数器是极不可靠的。这里,我们用一片TTL双与非门,型号为7MY23,组成双稳电路,这样,揿动开关一次,能保证电路只输出一个“干净”的单个脉冲。具体电路如图8。

5.其他:
图8中两个开关K\(_{1}\)、K2叫微动开关,其构造如图9。它1、3两端为常闭触点,1、2两端是常开触点。揿动按钮,簧片在2、3两点间切换。为了使两个开关能独立地轮流使用,要把它们按图8连接。

玩具中还有“置零”按钮。揿动这个按钮就会使计数器“置零”,准备重新开始计数,这时计数器Q端都是低电位。
制作
玩具中使用的集成电路型号是7MY23与7CY23。因生产时间与厂家不同,它们管脚排列方式可能有不同。这里使用的是业余爱好者中常见的一种,图10是它们的引线排列方式。

整个玩具的线路如图2所示。其中R\(_{2}\)、C2是退耦电路,避免振荡器引起电源波动影响计数器工作。图11是此玩具的印刷线路板,上面标有各零件的焊接位置。因集成电路引线很细,间隙也很小,所以绘制时要力求位置准确、边缘清楚。绘好后要用集成电路片放上去比试一下,尺寸不合适的地方用小刀修整。线路板上空白的地方要用漆盖住,尽量不露大片铜板。

蜂鸣器中压电陶瓷片边缘要粘牢才能发出较大声响。安装时先在片上按图12a位置焊两条软导线作引线,再找一个废电子管的胶木管腰,或者大小相当的胶木瓶盖,在上面打一个直径26毫米的圆孔,将压电陶瓷片的金属片向外盖在圆洞上,边缘用树脂胶(如914等)粘牢,见图12b。

变压器的绕制规格如图13,也可以用晶体管收音机的输入变压器改绕:将它次级拆下,初级不动,就用作L\(_{3}\),用拆下的线与L3串接同向绕60匝为L\(_{2}\),再用稍粗一点线(如φ0.23)绕40匝为L1,线头位置如图13。

蜂鸣器的发音频率由R\(_{1}\)、C1的大小决定(见图2)。最好先在纸板上把这部分线路搭好,调整R\(_{1}\)、C1使声音响亮,然后再将零件焊到线路板上去。调整时R\(_{1}\)阻值不宜太小。
市面上出售的微动开关按钮都很小,使用不方便必须把按钮接长。接长的办法要根据开关构造灵活解决,这里是将开关侧面撬开,另用有机玻璃锉一个长一点的按钮,再在上面套一个废晶体管的帽管(见图9)。微动开关用胶粘在线路板上。
集成电路引线上已镀有黄色金属,很容易吃锡,焊接时不要再刮掉。7CY23中不用的S端应接V\(_{CC}\),这样可防止外来干扰,以免触发器误动作,但业余使用,周围没干扰时也可悬空。7MY23中多余的输入端并接在相邻输入端或电源上。
玩具的电源电压规定是直流5伏,可以用稳压电源供电,若用四节干电池供电,经试验也还可以。
玩具外壳是鱼罐头盒,上面可以粘滑稽人头等作为装饰。
检验与使用
所有零件都装好后,若焊接位置无误,玩具不用任何调整就能使用。
为了检查电路工作情况,可以用万用表的直流10伏档测量各测试点电压,测量按下面步骤进行:
1.接通电源,测量电源电压。
2.黑表笔接地,用红表笔测A、B两点对地电压,应分别为0伏与1.5伏,揿动任何一个微动开关,两点电压要互相跳变,否则要检查微动开关间线头有没有接错,开关的通断是否灵活可靠。
3.测7MY23的输出端C点电压,K未揿下时应大于2.7伏(实测3.5伏),而K揿下时应小于0.4伏(实测0.05伏,下同)。不论哪个开关每揿一次,C点电压都应跳变一次。如果不能跳变,或者出现跳变不规律及跳变幅度不够的情况,则可能在焊接中有错处、连线、开焊等情况,或者是7MY23质量有问题。
4. 检查计数器,顺次测量触发器输出端D、E、F、G四点电压。先按一下“置零”按钮,上述四点电压都应小于0.4伏,然后揿动K\(_{1}\)或K2,四点电压将有规律地跳变。我们只要记住:K揿第1次,D点电压跳变为大于2.7伏高电位;K揿第2次,E点跳高;第4次F点跳高,第8次G点跳高;揿第15次时,四个点电压都跳到大于2.7伏高电位。
若出现跳变不规律或跳变幅度不够的情况,就要检查是否有焊接错误,集成电路是否损坏。
5. 蜂鸣器应在第15次揿动开关后发声,除这时以外,H点电位始终小于0.7伏,否则可能是二极管D\(_{1}\)~D4的方向接错或损坏。若怀疑蜂鸣器有问题,可以断开门二极管,蜂鸣器应发声。当退耦电容C\(_{2}\)失效时,蜂鸣器只发出“嘀”的一声,不能连续发音。
若在K按第15次时,只有揿下时蜂鸣器才响,松手后按钮弹回,响声也立即停止,那是开关K到7MY23的引线位置接错了,只要把A、B两线位置对调一下就行了。
在游戏中怎样才能保证取胜、抢到“15”呢?这个“诀窍”我们将在下一期告诉大家。关于7MY23等函购消息见29页。(陈鹏飞)