在超外差式收音机中,有约占总数五分之一的元件是起滤波和退耦作用的,这部分电路如果出了问题,对全机性能有很大影响,甚至根本不能收听。这是为什么呢?
从滤波器谈起
任何无线电接收设备,都必须有效地选出有用信号,同时去掉无用信号的干扰。这种选出有用信号,去掉无用信号的电路就叫滤波器。

最简单的滤波器是由两个阻抗元件Z\(_{1}\)和Z2接成Γ型或者说倒L型的电路,如图la所示。Z\(_{1}\)和Z2可以是电阻,也可以是电容和电感。显然,图1a电路的输出与输入的关系是分压的关系,即u\(_{出}\)=Z2Z\(_{1}\)+Z2u\(_{入}\),因此信号经过这样一个电路之后便被衰减了。如果Z1是电阻R,Z\(_{2}\)是电容c,则

这时u\(_{出}\)的大小不仅和电阻R、电器C的大小有关,还和频率ω有关。随着信号频率ω的上升,\(\frac{1}{1+RωC}\)的值将减小,因此u出也将下降。图1b的曲线1表示了u\(_{出}\)随ω而变化的情况。曲线1说明,这种电路对低频信号衰减不大,对高频信号衰减严重。或者说该电路能使低频信号通过,不能使高频信号通过,所以把它叫低通滤波器。图中Z1是串联在电路中的,叫作串臂,Z\(_{2}\)是并联在电路中的,叫作并臂。如果将Z1改为电感L,Z\(_{2}\)仍用电容C,则

式中的分母出现了ω\(^{2}\),说明随着频率的升高,信号衰减得就更快,其衰减特性曲线如图1b的曲线2所示。
低通滤波器还有П型和T型电路,如图2a、b所示。考虑到和滤波器连接的信号源都有一定的内阻R\(_{i}\)(只是大小不同),同时滤波器也要和负载RL连接,因此无论是П型还是T型滤波器,都可以看成是由两节Γ型滤波器构成的(见图2c、d),所以滤波效果更好。把图2c、d中的Z\(_{1}\)、Z2用具体元件代替,则得图2e、f,它们是典型的П型和T型低通滤波器。

除了低通滤波器之外,还有所谓“带通”滤波器。这种滤波器只让一定频率范围内的信号顺利通过,而这个范围以外的信号则受到一定程度的衰减。图3a中的LC并联谐振回路与信号源内阻R\(_{i}\)就构成了一个带通滤波器,当信号u入的频率接近LC并联谐振回路的谐振频率ω\(_{p}\)时,由于这时谐振回路的阻抗最高,该阻抗远远大于信号源u入的内阻Ri,因此并联谐振回路的阻抗与R\(_{i}\)分压的结果,使得u出≈u\(_{入}\);而当信号频率远离谐振频率ωp时,并联回路的谐振阻抗大大下降,因而使信号电压u\(_{入}\)受到很大衰减,这时u出<<u\(_{入}\)。图3b的曲线就反映了图3a电路的信号电压传输特性,其中信号频率为ωA和ωB时,输出信号的幅度为最大输出幅度的0.707倍,我们把ωA与ωB之间的频率范围看成是允许信号通过的频率范围,并把它叫作“通带”,信号受到较大衰减的频率范围叫作阻带。

如果需要衰减掉某一频率范围内的信号,而只允许该范围以外的信号通过,就用带阻滤波器,也叫陷波器或吸收回路。图4a就是一个带阻滤波器,它的并臂是一个LC串联电路。当信号频率接近LC串联电路的谐振频率ω\(_{p}\)时,由于LC串联电路的谐振阻抗很小,因此信号受到很大的衰减;当信号频率远离LC的谐振频率时,信号衰减得很少,也就是说信号能顺利通过,其传输特性曲线如图4b所示。

收音机中的滤波电路

在有整流电源的收音机中,低通滤波器用来滤除整流后直流电压的交流成分,以消除交流声。图5a是一个桥式全波整流电路,经过整流后的电压是单向的带有纹波的直流电压,它既有直流成分,也有交流成分(频率为100赫),若不滤除其交流成分,则它必将和直流电压一起,加到各级晶体管的集电极和基极去。如果是加在低放管的基极,因为它也在音频范围以内,因此便与有用信号一起被放大输出,形成讨厌的交流嗡嗡声。所以必须把电源电压的交流成分滤掉。图5a中由R和C构成的Γ型滤波器就是起这个作用的。由于电源中的交流成分频率很低,所以作为并臂的电容容量必须足够大才成,常用数十至数千微法的电解电容。以图5a为例,设R为10Ω,C为2000μF,对于100赫的交流成分则有
u\(_{出}\)=\(\frac{1}{1+Rω}\)Cu\(_{入}\)=1;1+10×2π×100×2000×10\(^{-}\)6
u\(_{入}\)≈\(\frac{1}{13}\)u入
可见经滤波后,交流成分被衰减到原来的\(\frac{1}{13}\),因此它对电路的影响将大大减小。
带有整流电源的晶体管收音机,其电源滤波器的串臂一般都不外接电阻或电感,实际上整流电路的内阻就代替了串臂电阻,这样就不会增加电源的内阻。滤波器并臂上的电容达数千μF。电子管收音机,由于工作电压高,因此要求作为并臂的电容不仅容量要大,而且要耐高压(250伏以上)。这样的电容成本高、体积大,因此只好采用数值较小的滤波电容,一般在8~20μF范围内,耐压则要求在30O伏~450伏。为了保证滤波效果,在减小并臂电容数值的情况下,必须把串臂阻抗加大,一般串臂阻抗都是用一个大电感,也叫扼流圈(见图5b)。扼流圈的成本也比较高,体积也比较大,为了进一步降低成本、减小体积,串臂阻抗也有用线绕电阻的,见图5c。而滤波电路也采用性能更好的П型电路。
收音机中的自动增益控制电路(AGC)实际上也是一个低通滤波器。因为AGC电路要输出一个与音频信号的大小成比例的直流电压,送到被控中放管的基极以控制它的工作点,调整中放增益,所以应滤除音频信号,而只让直流分量通过。图6中的R\(_{2}\)、C3就构成了这样的Γ型低通滤波器,因工作在音频频率,所以C\(_{3}\)用10μF已足。C1、R\(_{1}\)、C2则是一个П型低通滤波器,它们是滤除检波后残余的中频(465千赫)信号的,所以C\(_{1}\)、C2的容量只有0.01~0.02μF。

为提高收音机的选择性和灵敏度,收音机中用带通滤波器的地方更多。输入回路、中周都是用谐振回路作带通滤波器的。这些问题已介绍较多,这里不再详谈。带阻滤波器(即陷波器)在收音机中常用来吸收中频干扰信号。实用的陷波器可用串联谐振回路,并接在收音机输入回路的天地线之间,如图7a所示,也可以接在混频级的基极,如图7b所示。它们都是旁路外来中频干扰信号的。此外,还可以将并联谐振回路串联在天线回路中(见图7c),因并联谐振回路调谐于中频,谐振时对中频的阻抗最大,因此能阻止中频干扰信号进入收音机,起到陷波作用。

收音机中的退耦电路
收音机中的信号是用耦合电路从前级传送到后级去的,如阻容耦合、变压器耦合、直接耦合等等。收音机电路中,除了我们所需要的耦合之外,还会通过各种途径产生许多不必要的耦合,导至信号不完全按照人们安排好的途径传输,引起一些不良后果,如寄生振荡、噪声、失真,甚至使整机无法工作。设法去掉这些不必要的耦合。就叫作退耦。而退耦的办法之一,就是用滤波电路去完成。所以退耦又叫退耦滤波。在超外差式收音机中,造成不良耦合的因素很多,消除的方法也不一样。下边重点讨论电源内阻和地线电阻的影响。
电源内阻的影响:
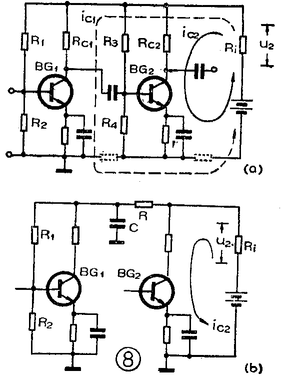
我们以一个两级放大器(见图8a)为例,讨论电源内阻为什么能引起前后级之间的耦合。我们知道,任何一个电源都有内阻R\(_{i}\)存在,而且各级交流信号都要流过Ri,并在R\(_{i}\)上产生压降。这就是说,Ri也成了各级放大器负载电阻的一部分。例如,后级(BG\(_{2}\))的大信号电流ic2在R\(_{i}\)上产生的电压力u2,这个电压必然通过前级(BG\(_{1}\))的基极分压电阻R1和R\(_{2}\)加到前级的基极,这便成了反馈信号(也就是将后级信号耦合到了前级),当它满足一定的振幅和相位条件时,就可能成为正反馈而引起自激。至少这个反馈信号也会以额外的噪声电压出现在前级,和有用信号一起被再次放大,从而破坏了电路的正常工作。为了消除这种耦合作用,常用Γ型滤波器进行退耦滤波。图8b中的R、C就是这种退耦滤波电路。由于该电路并联在电源内阻Ri上,在设计时又使滤波器的容抗远小于串臂电阻的阻值,所以尽管电源内阻上仍然存在着由于i\(_{c2}\)而引起的交流信号电压u2,但这个电压经过滤波器后大都降在电阻上,在电容两端已很小,再经R\(_{1}\)、R2分压后加到BG\(_{1}\)的基极就更小了,这就起到了退耦作用。有些用电池供电的收音机,在电池两端也并上一个大电容,就是因为电池用旧后内阻明显增加,容易引起自激。加上大电容以后,该电容和电源内阻就构成了一个Γ型滤波器,从而减小了电源内阻的影响,防止了自激的产生。

单从退耦滤波的效果来看,滤波器的时间常数τ= RC越大越好,但应考虑到R太大会导至其直流压降过大,降低电源利用率;而C太大又使体积和成本增加。通常RC的数值应由放大器工作频率范围的最低频率决定。
地线电阻的影响:
既然各级电流流过电源内阻会造成不利耦合,那么各级集电极和基极电流又都必须流过公共地线,而地线本身又总是有引线电感和电阻存在的(图8a的虚线电阻表示地线电阻),当然也会通过地线电阻(还有电感,但频率较低时电感的作用不明显)造成各级间的耦合。所以退耦工作的另一个重要方面就是设法消除公共地线造成的不利耦合。
对于公共地线的退耦工作,如仍用Γ型滤波器的方法,则串臂电阻将使各级电路失去公共接地点,因而使各级直流工作点的基准零电平不再一致。就是对交流而言,即使并臂电容再大,其容抗也与信号频率有关,并不为零,因而也使交流信号失去了公共接地点,不同频率的信号就有不同的接地阻抗,引起信号的频率失真。所以对于地线电阻的退耦一般是用加粗地线引线(或使印刷电路板地线加宽)和缩短地线长度,以减小地线电阻和电感的办法来解决的。此外,还应将各级接地点集中在一起,然后再将各级地线统一接于一点(见图9),使各级地线电流分头流向公共点D,这样便能较好地消除级间耦合。对于放大量高、信号幅度又小的高频电路,或电流较大的末级功放电路,要求结构紧凑,并用大面积印刷电路作地线,其原因即如上述。

需要说明,造成放大器自激或工作不稳的原因,除了电源内阻和地线电阻的不利耦合外,还有很多因素,如晶体管极间电容的反馈耦合,元件和引线间的分布电容和分布电感之间的耦合,空间电磁辐射的耦合等等。这就要求对症下药,即用不同的方法消除不同原因引起的耦合,不能单靠电源和地线的退耦来解决。(闻芒)