最近不少读者来信询问集成电路BA527的修理方法。现在简要答复如下,供读者参考。
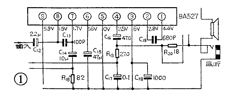
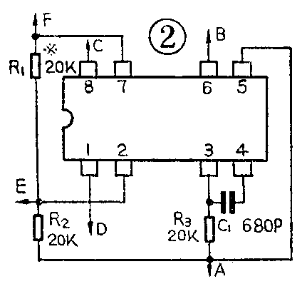
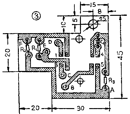
BA527是国外生产的功率放大集成电路。许多进口录音机、收录两用机的功放部分使用了这块电路。这块电路如果出了毛病,表现为整机无声或声小。修理这类故障机的方法有两种。一种是根据BA527的内电路,在集成块的外部有关接脚上加焊晶体管;一种是更换集成块。现以进口机RQ—2106为例介绍BA527的代换方法。图1是RQ21O6的局部电路。当确认是BA527已损坏时,可将BA527从电路板上烫下来。用国产集成电路5G37代换。方法是:在原BA527③、⑨脚的焊接点之间接入10欧电阻。然后按图2、图3焊接5G37。其中C\(_{1}\)可用原机的C19代用。5G37各脚与整机的连接顺序是:A接原机⑤脚;B接④脚;C接电容C\(_{16}\)的负极;D接⑦;E接⑧;F接③。接⑧、⑤两脚的导线用屏蔽线,⑧接芯线,⑤接皮线。调整图2的R1,使得原线路板的④对“地”为3伏。借助“飞轮”支架上的安装钉,将已调好的小线路板固定在整机支架上。经上述代换之后,录音机的主要性能仍可达到原机水平。




