最近,不少读者来信询问进口收录两用机(M4500K、M4200K、M1700F等)中使用的LA4112集成电路的工作原理及代换方法。首先告诉大家,我国上海8331厂生产的FZ\(_{8}\)型集成电路与LA4112完全相同,可以直接代用。这种电路具有输出功率大、失真小、频响宽等特点。使用9伏电源电压时,在4欧扬声器负载上可得到1.2瓦不失真音频功率。如外加1.5mm厚,2500mm\(^{2}\)面积的散热板,不失真功率可达到2.25瓦。
FZ\(_{8}\)内部电路包括三级音频电压放大、一级准互补推挽输出功率放大、内部偏置电路及有源滤波器,共13个三极管、6个二极管、16个电阻。图1的框内是内部电路。框外是典型应用时的外围电路,下面分别介绍各部分的工作原理。

有源滤波器及主偏置电路
BG\(_{5}\)、BG7和R\(_{11}\)、C8构成两个有源滤波器,分别向前后级电路提供低纹波供电电压。采用这种有源滤波器相当于分别在BG\(_{5}\)、BG7发射极各接了一个(1+β)×C\(_{8}\)的电容。显然,等效电容量增大了β倍。C8为脚外接电容,β为晶体管电流放大系数。BG\(_{5}\)发射极由脚引出,可向外部其他电路提供30mA低纹波电流。采用两个有源滤波器可使前后级供电电路相互隔离。
D\(_{1}\)、D2、R\(_{4}\)、R5构成了主偏置电路。它的作用是给恒流源BG\(_{4}\)和差分管BG1提供稳定的偏压。即利用二极管正向结压降(0.7伏左右)的恒压特性做为偏置电压基准。D\(_{2}\)的结压降加到BG4 基极使得基极电流和集电极电流为固定值,这就使BG\(_{4}\)成为一个恒流源。另外,从VCC至地的直流通路是R\(_{11}\)→D1→R\(_{4}\)→R5→D\(_{2}\),适当选取这个串联回路的各电阻值,使得⑩脚为\(\frac{1}{2}\)VCC,此电压作为输出端中点电压的参考基准有重要作用。
差分前置放大级
该级由BG\(_{1}\)、BG2、R\(_{1}\)、R2、R\(_{3}\)、R7组成。R\(_{1}\)是BG1的基极偏置电阻;R\(_{7}\)是BG2基极偏置电阻兼闭环负反馈电阻(R\(_{1}\)=R7);R\(_{2}\) 是BG1、BG\(_{2}\)共发射极电阻(也称共模负反馈电阻);R3是BG\(_{2}\)的集电极负载电阻。外面的音频信号经过C1注入BG\(_{1}\)基极。第二输入端是BG2基极,功放输出端①脚的反馈信号由此注入。本级是典型的双端输入、单端输出的差分放大器。这种电路有两个作用:一是利用差动特性自动调整功放级中点①脚的电压,使之稳定在12V\(_{CC}\);二是放大外面来的输入信号。
先看第一个作用。BG\(_{12}\)、BG13是串联连接的。正常时,两管静态集电极电流I\(_{C12}\)=IC13,①脚电位为\(\frac{1}{2}\)V\(_{CC}\),与⑩脚相同,故BG1、BG\(_{2}\)的基极电压也相等,发射极电流Ie1=I\(_{e2}\)。所以R2上的电流I\(_{0}\)=Ie1+I\(_{e2}\)。当某种原因使得IC12C13时将导致①点电位偏离1;2VCC。假设①点电位高于\(\frac{1}{2}\)V\(_{CC}\),则BG2基极偏置电压也随之高于BG\(_{1}\)偏置电压,使Ie2比原来增大。而差分电路的I\(_{0}\)仅取决于电源电压及发射极共用电阻R2。本电路V\(_{CC}\)、R2均为定值,故I\(_{0}\)也就恒定(因此又称R2为恒流源电阻)。因此随着I\(_{e2}\)的增大,Ie1必等量减小。集电极电流I\(_{c}\)=Ie-I\(_{b}\),而Ib极微小,可视I\(_{c1}\)=Ie1,I\(_{c2}\)=Ie2。所以I\(_{c2}\)增大,必然Ic1等量减小。I\(_{c2}\)增大将使得R3上的压降增加,BG\(_{2}\)集电极电位(即BG3基极电位)下降。这意味着BG\(_{3}\)的Vbe增大,使得BG\(_{3}\)的集电极电流增大,流经负载BG4,R\(_{15}\)的电流增大,导致R15两端电压升高,也即BG\(_{16}\)基极电位升高,Ic6增大,R\(_{8}\)上压降增大。使得BG9基极电位降低,导致BG\(_{9}\)发射极电流增大(BG9的供电是经R\(_{16}\)、R12来自电子滤波器BG\(_{7}\)发射极的)。所以R16上的电流I\(_{16}\)增大,R16两端压降增大,BG\(_{9}\)发射极电位降低。又由于从BG9发射极→D\(_{5}\)→D6→BG\(_{1}\)0的BE结→R14→地存在另一直流通路。BG\(_{9}\)发射极电位降低了,而D5、D\(_{6}\)、BG10的BE结各保持0.7伏不变,于是R\(_{14}\)两端电位下降,中点①的电位正是此点电位,于是实现了迫使①点电位下降的作用。此下降后的电压再经R7反馈到BG\(_{2}\)基极,直至BG1、BG\(_{2}\)两管基极电位再度相等,如此构成自动调整环路,使①点电位稳定在1;2VCC。
下面说明差分放大器的放大作用。注入BG\(_{1}\)的信号(正半周时)使BG1的基极电位高于BG\(_{2}\),导致Ie1增大,I\(_{e2}\)等量减小,也即Ic2相对I\(_{c1}\)的增大而等量减小,BG2集电极输出电压上升;信号负半周时,各电压变化方向相反。实现了电压放大作用。波形变化见图1,可见输出的信号与输入同相。但其放大倍数比一般单管共射放大器减少一半。本级电压放大倍数约15dB左右。
第二电压放大级
由BG\(_{3}\)、BG4、R\(_{6}\)、R15组成的放大级为本集成电路提供了大部分电压增益。BG\(_{3}\)是放大管,R6是它的发射极电阻,BG\(_{4}\)做为它的有源负载使用,R15与BG\(_{4}\)并联,共同作为BG3的负载。为什么BG\(_{3}\)使用PNP管呢?因为集成电路内部避免使用大电容,所以各级之间均是直接耦合。共射放大器信号从基极输入,集电极输出,而NPN管的集电极直流电位总高于其基极直流电位,经过几级放大之后,输出端直流电位会逐步升高。这样一来输出端交流信号电压的动态范围就减小了。为了解决这个问题,集成电路中采用着多种形式的电平位移电路。这里,BG3采用PNP管,接于BG\(_{2}\)后面,就有电平位移作用。因为PNP管的集电极电位是低于其基极电位的,前级被BG2集电极升高的直流电位经此级电平位移后,BG\(_{3}\)输出端的直流电位又降下来了。而为什么要用BG4做为BG\(_{3}\)的有源负载呢?大家知道,三极管的电压放大倍数AV= -g\(_{m}\)RL,g\(_{m}\)是管子的跨导,RL是等效集电极负载(由集电极电阻和后级输入阻抗并联而成)。此式说明电压放大倍数与负载电阻成正比。而在集成电路中,制造大电阻是困难的,并且电源电压一定时,集电极电阻过大,必然使工作电流变小,跨导g\(_{m}\)随之变小,这样仍不能提高放大倍数。因此,我们希望有这样一种负载“电阻”:对直流来讲,它的阻抗很小,以保证放大器有必要的工作电流。而对交流信号来讲,它的阻抗很大,从而能有效地提高放大器的电压增益。由D2和BG\(_{4}\)构成的恒流源电路就有这种特性。图2表示晶体管输出特性曲线,如静态工作点Q选在平坦部分,其直流电阻RDC=V\(_{CEQ}\)/ICQ是很小的。对交流信号,晶体管呈现的阻抗是曲线在Q点斜率的倒数,即R\(_{AC}\)=△VCE/△I\(_{C}\),因Q点左右平坦,很大的VCE变化只能引起很小的I\(_{C}\)变化,所以RAC很大。这就是采用恒流源做BG\(_{3}\)负载的缘故。那么为什么又并联R15呢?这是因为BG\(_{4}\)呈现的交流阻抗虽然很高,但在大批量生产中一致性较差。它与后级BG6的输入阻抗并联构成BG\(_{3}\)的等效负载。BG6的输入阻抗达几十千欧,一致性也较差,因而导致集成块(成批时)总增益误差大。故又并联了5.1千欧的R\(_{15}\),使它成为BG3交流等效负载中的主要起作用者,改善了产品电压增益的一致性。R\(_{15}\)虽使本级增益下降几dB,但本级仍有近30dB的增益。

第三电压放大级
由BG\(_{6}\)和R8、R\(_{9}\)、R10构成共射放大器。发射极电阻R\(_{1}\)0实现本级电流负反馈,以提高BG6输入阻抗。R\(_{9}\)是阻尼电阻。下节讲到,在信号正、负半周期间,BG8、BG\(_{9}\)交替导通,这使得BG6的交流负载大幅度变化,为减小下级对BG\(_{6}\)的影响,这里设置R9起缓冲作用。集电极负载电阻,它与后级BG\(_{8}\)和BG9的输入阻抗轮番并联(因BG\(_{8}\)、BG9轮流交替导通)构成BG\(_{6}\)的交流等效负载阻抗。本级有20dB电压增益。本级是驱动后面功放管的,故也称驱动级或激励级。
外电路C\(_{5}\)、C6是防振频率补偿电容。大家知道,共发晶体管放大器由于存在基极—集电极电容C\(_{cb}\),很容易产生自激。Ccb相当于一个容量为C\(_{m}\)=(1+gmR\(_{L}\))Ccb的电容并联在该管基极—发射极之间,这种效应称为密勒效应。此效应不但影响放大器的高频响应,而且又产生附加相移。信号频率越高,因C\(_{m}\)作用而引起的相移越大。因而在某些点上出现自激。外接C5就是为了减小这种相移,防止自激振荡所采取的措施之一。C\(_{5}\)可在30~100pF之间选取。C6也是用来消除高频自激的。
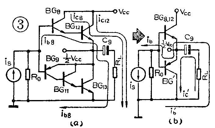
互补推挽输出级
常用的OTL或OCL输出级多是互补射极跟随器。因为这种共集组态放大器的电流增益最高,又能实现与低阻负载(扬声器)的匹配,获得最大功率增益。而为了进一步提高电流放大倍数,又常将两个以上晶体管按达林顿方式(见图3)连成复合管。本集成电路输出级就是这种形式。BG\(_{8}\)与BG12连成达林顿电路,等效一个电流放大倍数为两管β值乘积的复合NPN管;BG\(_{11}\)与BG13先连成达林顿电路,而后又与BG\(_{9}\)(PNP管)连成复合PNP管,其总的β值为三管β值乘积。这样,两组复合N P N、PNP管便构成互补推挽输出级。图3画出了等效复合管及信号电流流动途径。当BG6集电极输出信号为正半周时BG\(_{8}\)导通,BG9截止。将BG\(_{6}\)等效成电流源,则基极驱动电流ib8的通路为BG\(_{8(b)}\)→BG8(e)→BG\(_{12(e)}\)→C9→R\(_{L}\)→地。被放大的电流ic8通路为电源→BG\(_{8(c)}\)→BG8(e)→BG\(_{12(b)}\)→BG12(e)→C\(_{9}\)→RL→地。i\(_{c12}\)的通路为电源→BG12(C)→BG\(_{12(e)}\)→C9→R\(_{L}\)→地。信号电压为负半周时,BG9导通,BG\(_{8}\)截止。可视BG9、BG\(_{11}\)、BG13复合管等效为BG′,由于复合管的导电型式取决于信号直接输入的那只管,所以BG′相当于PNP管。此时基极驱动电流i\(_{b}\)通路为:地→RL→C\(_{9}\)→BG′(e)→BG′\(_{(b)}\),被放大的电流ic通路为:地→R\(_{L}\)→C9→BG′\(_{(e)}\)→BG′(C)→地。因此负载R\(_{L}\)便从上下两组复合管交替地得到正负两半周被放大了的信号电流。为使互补输出管工作在甲乙类(即静态时处于微导通)状态,设置R16、D\(_{5}\)、D6、BG\(_{1}\)0做偏置电路,减小了交越失真。D3、D\(_{4}\)、R13是用来给BG\(_{11}\)、BG13的BE结加温度补偿的。R\(_{14}\)是放电电阻,在信号消失时,它和C9构成反向放电通路。C\(_{1}\)0做频率补偿用,也是防止高频自激的,一般在0.1~0.47μF之间选取。C7是自举电容,与R\(_{12}\)构成自举电路。所谓自举,是指一种正反馈回路,它能使某一点的电位被电路自身提升。利用这个作用既可提高放大器增益,又能扩展输出级动态范围。

反馈电路 C\(_{2}\)(22μF)对音频信号可视为短路,对直流相当开路,直流反馈经R7全部加于BG\(_{2}\)基极。R7 和外接R\(_{NF}\)、C2组成交流分压式反馈回路,以减小输出信号的失真。交流反馈量为R\(_{NF}\)与R7的比值。它们决定了本集成块的闭环电压增益
A\(_{V}\)=R7R\(_{NF}\)=20KΩ;0.1KΩ=200倍=46dB。
本集成电路内部具有噪声抑制电路,可以抑制开机时浪涌电流引起的噪声,这是FZ\(_{8}\)的另一个特点。关于静噪的原理以后另文介绍。(上官沁)