上一期我们介绍了硅光电池的参数和物理性能,下面我们介绍硅光电池的应用。硅光电池的应用,一般可分为两大类,一类是把太阳能转换为电能作为电源使用;另一类是把光信号转换成电信号,作为光电转换器用于自动控制和测量技术中。
无污染无噪声的电源
把单片硅光电池经串、并联组成硅光电池组,与镍镉等蓄电池配合,可作为一切低电压、小电流用电器的电源。这种电源具有很多优点,它不消耗其它能源,没有污染和噪声,而且体积小、重量轻,又由于它不易老化,因此寿命长,性能稳定。
单片硅光电池的开路电压在100毫瓦/厘米2的光强下约为500毫伏,短路电流为16~30毫安/厘米2。如果把面积大小和电参数都相同的单片硅光电池串联起来,则可得到所需要的电压值。如将12片硅光电池串联起来,其总电压值则为0.5×12=6伏,于是就可用于工作电压为6伏的晶体管收音机上。如果收音机需要的电流较大,还可将硅光电池并联使用,因为硅光电池输出电流的大小与并联后的总面积成正比。总之,硅光电池经适当串并联以后,可以组成具有一定输出功率的电池组。
硅光电池组作为电源可以直接给负载供电,但是在夜间无光或是阴雨天光强变化较大时,硅光电池便没有输出或是输出电压很低,影响使用效果。为了解决这个问题,人们都是把硅光电池组与镍镉蓄电池配合使用,如图1a、b所示。有光照时,由硅光电池向负载供电,同时也向蓄电池充电;无光照时,由蓄电池向负载供电,这就解决了负载的半永久性电源问题。图中D为防逆流二极管,因为在无光或光线很弱时,光电池组的输出电压低于蓄电池电压,因而造成电流逆流(由蓄电池流向硅光电池组),加了二极管D就能防止逆流的出现。D的最大工作电流要大于硅光电池组的最大输出电流,反向耐压要高于蓄电池的电压。图1的a和b还有区别,图1a是把若干硅光电池片串联成一组后再进行并联,这种连接法有一个缺点,一旦某一电池片损坏,则将会使整个一组不起作用。图1b中,每一横行的硅光电池片都并联在一起,假如其中任一硅光电池片损坏,则不会影响其它片子的工作。

目前,由于硅光电池的价格较贵,又受光照条件的限制,因此还不能普遍作为生产和生活中的电源来使用,但是在一些特殊环境中,例如在人造卫星、无人气象站、微波通信中继站、航标灯、黑光灯、电牧栏、地震仪器上却被广泛地作为电源使用着。
巧妙的光电开关电路
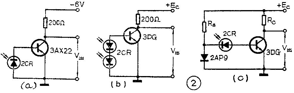
把硅光电池作为光的接收器件,利用光的有、无来断开或闭合电路,这样就组成了光电开关电路。最基本的光电开关电路如图2a所示。图中晶体管3AX22的基射极电压V\(_{be}\)约为0.3伏,无光照时,硅光电池无电压输出,晶体管截止,电路输出电压V出=-6伏;有光照时,硅光电池的输出电压大于0.3伏,晶体管导通并达到饱和状态,V\(_{出}\)≈0伏。晶体管的截止和饱和这两种状态(两种不同的输出电压)就相当于一个开关的断开和闭合。如果把V出端和执行机构适当连接,就能达到自动控制的目的。例如,我们把阳光作为照射硅光电池的光源,就能制作出路灯自动开关控制器。清晨,太阳升起来,硅光电池受到阳光照射,V出≈0伏,这个0伏信号控制执行机构,使路灯电源断开,灯灭;太阳下山以后,硅光电池不再受阳光照射,V出=-6伏,-6伏信号再去控制执行机构,接通路灯电源,灯则亮。
图2a的电路不能用硅管,因为硅管的V\(_{be}\)为0.7伏,而硅光池的最大输出电压也不会超过0.6伏,所以硅管不能导通。若用硅管可采用图2b的线路,它把两片硅光电池串联,受到光照时,它们的总输出电压大于0.7伏。图2c则是在硅光电池2CR上串联一只二极管2AP9,2AP9的正向压降约为0.3伏,当有光照时,加在晶体管b、e极之间的电压为2CR的输出电压与2AP9的压降之和,因此大于0.7伏,线路能工作。


光电开关电路应用范围很广,除了作路灯自动开关以外,还可用于航标灯、室内照明灯的自动开关,用于冲床、木工刨床、切纸机的安全保护装置,用于印花套版定位,邮局、银行的光电日戳机,纺织行业的断头自停装置,防盗报警器,光电计数器等等。
光电开关的光源有多种,它们各有特点。例如白炽灯泡,货源充足,价钱便宜,但寿命短。用激光器作光源,稳定性能好,但所需工作电压高,价钱也高。砷化镓红外发光二极管价钱虽然也较高,但所需工作电压低,光均匀稳定,而且这种光源发出的光眼睛看不见,因此作防盗报警器的光源比较理想。
灵敏的光电探测头
利用硅光电池的光电流、电压随受光面积而变化的特性,可以制成多种光电检测仪器的探测头。例如,衣服的布面上有无疵点,决定于纱线上有无纱疵,为了检验并去掉纱线上的纱疵,人们研制了“电子清纱器”。图3是电子清纱器光电探测头的示意图,当均匀纱线通过探测头时,硅光电池输出某一电压信号,执行机构不动作;当纱线上出现纱疵时,由于纱疵比纱线粗,硅光电池的受光面积随之减小,因而其输出电压也随之减小,当小到一定数值时,执行机构便会动作,电磁铁吸动并控制剪刀剪断纱线,实现自动清纱。

硅光电池作为光电探测器,还可用在激光准直仪上。例如,在铺设铁轨时,对铁轨的水平度要求很高,一般在百米长的一段距离内,其上下偏差不能超过四毫米。为了达到这个要求,在施工中可采用图5所示的激光准直仪(示意图)进行校准。它用激光器作光源,用9片硅光电池作光的接收器件,光源与光电池保持在百米以上的距离,把它们的位置调好以后,只有光源照射到5号硅光电池上,水平度才符合要求,若照射到其它号电池上,说明在高度上有偏差。

利用硅光电池的光电转换特性,可以制成很多高精度的检测仪器,检测各种物质的物理性能,例如,检验水的浊度,检验针剂的清洁度,检验钢、铝金属工件的平整度,测量农作物叶面积的大小等等,限于篇幅,这里不一一细谈。
最后需要说明,作为光电转换器件,除了硅光电池以外,还有很多其它类型的器件,如光敏电阻、光电二极管、光电三极管、光电倍增管、硒光电池等等。这些器件有的时候可以互换(当然不同器件的电路不同),互换后从效果上看并无十分明显的差别。但是它们各自还是具有一些不同的特点,选用时如果注意到了这些特点,还是可以得到电路更简单一些,效果更好一些的设备。例如,硒光电池接收光谱的峰值约在0.56微米,接收光的频谱范围与人眼的视觉函数相同,因此用作照度计的探头很方便。但是硒光电池的光电灵敏度低,体积也较大,而且容易出现光老化,寿命较短,因此硒光电池在不用的时候,应当加保护罩,使其避光,以延长其使用寿命。硅光电池的光电灵敏度较高,体积小,重量轻,寿命长,有的可使用数十年。但是硅光电池接收的光谱峰值在0.9微米左右,属于近红外光的范围,如果选用硅光电池作照度计的探头,则应加滤光片进行校正。硅光电二极管、三极管一般是全密封式的,具有防潮、防震、防沾污、工作频率高的优点,又由于它们的管芯小,受光面积小,因此接收光线的方向与受光面轴心的夹角越小越好,这样可以提高光控精度。硅光电池是一个大面积的PN结,接收光线方向与受光面轴心角度的限制不严格,还可根据需要任意选定不同面积、不同形状的硅光电池,给设计提供了方便。此外,硅光电池在出售时一般不加封装,用户使用时需加防潮、防污保护装置。光电倍增管的光电灵敏度很高,但它的体积大,怕震动,需加高压电源才能工作,因此设备复杂,价格较高。(程春生)