测电风扇转速,无论采用机械转速表还是闪光测速仪都不够理想。我们在数字式频率计(如PB—2十进频率仪,PP—6频率计数器等)上加上如图1所示的光电转换器,就能很方便地直接读出被测电风扇的转速来。采用光电转换器配合数字式频率计测转速的优点是:一、测量仪表与被测风扇间无机械接触,不会影响电机负载,能准确地测出电机在额定负载下的转速。二、测速是采用直接计脉冲数的方法,克服了用闪光测速仪测速时会误测出半频和倍频的可能。

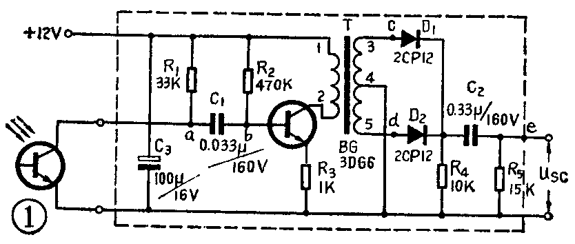
测量电风扇转速时,如图2所示,把风叶置于光源与光敏管之间,当光线被风叶遮住时,光线不能照射到光敏管上,光敏管呈高阻。风叶转过一定角度后,光线从风叶间的间隙照射到光敏管上,光敏管导通呈低阻。当风叶不停地旋转时,每转一圈光敏管就受到间断地照射三次,由于在电阻R\(_{1}\)和光敏管串联电路的两端加有12伏电压,因此在光敏管的两极上就会随着光线的间断照射而形成脉冲电压。此脉冲电压经过由电容器C1和晶体三极管的输入电阻组成的微分电路微分后形成尖脉冲,如图3所示,经二极管D\(_{1}\)和D2整流,得到二倍频的脉冲信号通过电容器C\(_{2}\)输出,送到数字式频率计输入端。


从光敏管信号输入,到C\(_{2}\)信号输出,是把光信号转换成电信号,并进行了放大和倍频,便于通过数字式频率计直接显示出转速来。
测速原理
以三叶电风扇为例,风叶每转动一圈,从光敏管上就输出3个脉冲,经过倍频放大后从C\(_{2}\)输出6个脉冲,送到数字式频率计的输入端。假定电风扇每分钟转n圈,每分钟就有6n个脉冲送到频率计。由于频率计是按每秒钟多少个脉冲计数的,因而转速为n时,每秒钟输出的脉冲数是6n60=0.1n,即电风扇每分钟转一圈,在频率计上的显示数是0.1。因此采用光电转换器配合数字式频率计测转速时,只要将显示数乘以10就是实测转速数。当测四叶风扇转速时,把测得的转速乘以3/4即可。
测其它电机转速时,制作一只阻力小的三叶遮光盘,固定在电机转轴上,用测电风扇转速的方法,亦能方便地测出电机转速。测速范围为200~30000转/分。
制作与调试
为便于与倍频放大器共用一直流电源,图中光源采用12伏0.15安培的小电珠。光敏管用3DU51A或类似型号的。变压器T采用袖珍六管半导体收音机的输入变压器。如果自行绕制,可用D42硅钢片截面6×8毫米,初级用φ0.1QZ型线绕2000圈,次级用同型号线并绕600+600圈。

按照图4所示的印制板安装焊接完毕后,即可通电试验。先用三用表测光敏管两端的电压,在受光照射时应低于2伏,遮住光线时应大于6伏。否则应检查光敏管极性和光线是否直射到光敏管上。然后把电风扇风叶移到图2所示的光源与光敏管之间,使其在风叶旋转时,光线断续地照射到光敏管上。电容器C\(_{2}\)输出与风叶转速成正比的脉冲,送到数字式频率计输入端。数字式频率计正常工作时,即可准确显示被测风扇转速。(罗长荣)