这种报警器是用集成块装的。当有人触动安了报警器的门锁时,它就会连续发出长达5分钟的警报信号。
工作原理
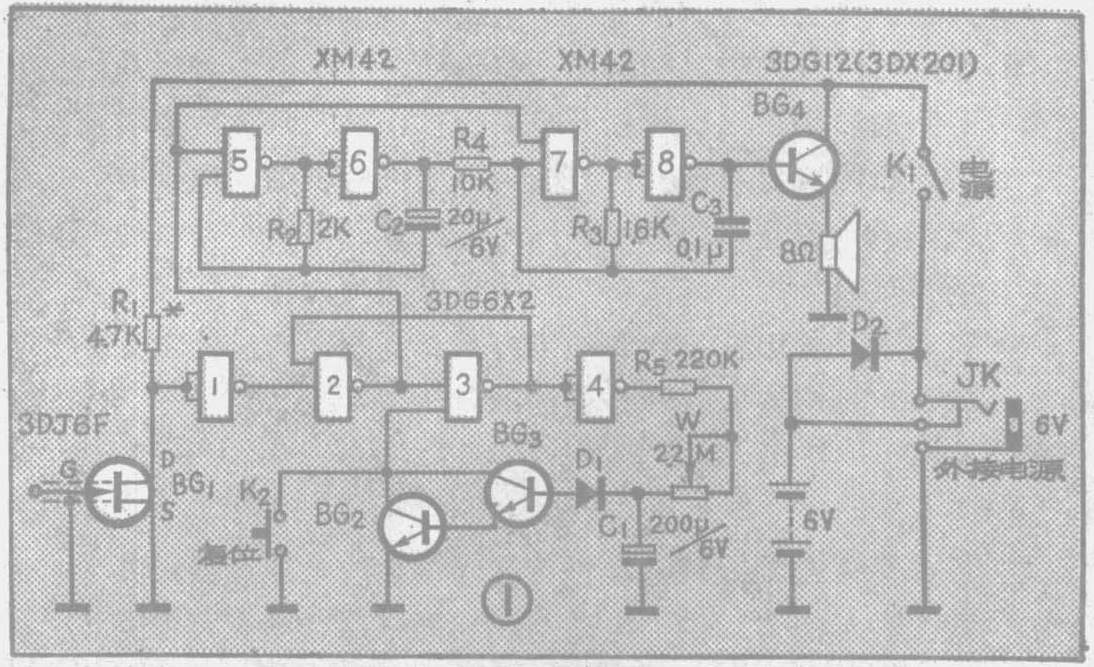
报警器电路见图1,是由触发延时器、笛音振荡器、放大器等部分组成。

当人体接触到场效应三极管BC\(_{1}\)的栅极G时,由于感应电场的作用,它的源极S和漏极D之间的电流就急骤减小,电阻R1上的电压降也随之减小,与非门1的输出端电平下跌,由与非门2和3组成的双稳态触发器被触发翻转。这时与非2的输出端为高电平,用以控制振荡器起振。同时,与非门3的输出经与非门4反相后,通过电阻R\(_{5}\)、W给电容C1充电。当C\(_{1}\)上的电压上升到2.lV时,二极管D1开始导通,复合管BG\(_{2}\)、BG3也导通,复合管的输出加至与非门,于是触发器又被触发翻转回到原始状态,于是振荡器停振。振荡器由与非门5、6、电阻R\(_{2}\)和电容C2组成,发出约为3~5赫的超低频信号。超低频信号经电阻R\(_{4}\)加到与非门7的输入端。与非门7、8和R2、C\(_{3}\)等组成音频振荡器,产生一个频率约为4000Hz的音频信号。这个音频信号受到超低频信号调制后,加到BG4进行放大,推动喇叭,使之发出警笛一样的报警声。调节电位器W,可以改变充电电流的大小,从而可以改变警笛声延时时间的长短。
元器件选择
与非门1~8用两块两输入端、四与非门集成电路。BG\(_{1}\)用3DJ型的结型场效应三极管,选用夹断电压小于2伏的。BG2、BG\(_{3}\)的β值大于100。BG4的耗散功率应大于300毫瓦。喇叭可用2.5英寸的。电源用四节二号电池。
安装调试与使用
电路元器件焊在图 2(1:1)所示的印制板上。若元器件完好,焊接准确无误,装好后接通电源,用起子将R1短路一下,喇叭里就能有声。

确定灵敏度时,先用一个10KΩ的电位器(最好是线性的)代替R\(_{1}\)接入电路。将这个电位器旋至最大值,先按一下复位按钮,使喇叭没有声音,然后逐渐减小电位器阻值,直至喇叭里突然发声为止。将电位器焊下再用一个阻值相当的电路焊上,作为R1。
最后是调整延时时间,一般最短在半分钟左右,最长为5分钟左右。如果最短时间还要短,可减小R\(_{5}\)的阻值,要是感到5分钟的时间还不够长,可将C1容量加大。注意每次实验前,应将C\(_{1}\)中的电荷放尽。
整个电路板可以放在小型半导体收音机的机壳内。原设计用于放电位器、电池的位置可不必更动。插孔可利用收音机外接电源插孔位置。引出线要用金属隔离线。
使用时,先将引出线一端的夹头(焊在金属隔离线的心线上,金属丝网部分空着)夹在门锁上没有漆的地方,然后接通电源开关,并按一下K\(_{2}\)。为了检验引出线夹头的接触是否良好,你可以自己碰一下门锁的锁头,如果马上发出警笛声,说明一切正常,你再按一下K2,便可以放心离去,有人碰锁的话,报警器就会发出报警信号。(钱以真)