人们常见到一些比较好的电子管收音机,都装有调谐指示管(俗称电眼)。调整接收机的调谐旋钮,选择电台时,可以通过电眼阴影的闭合情况,表示出收音机是否处于最佳调谐状态。有些半导体收音机也装有发光二极管,担任这种调谐指示工作。那么,电视机是否也可以设置这种指示装置呢?是的,某些进口电视机,已经使用了这种指示方法。不过采用的不是调谐指示管,而是利用在电视屏幕上显示出的垂直黑带作指示的。电视机用户,调整电视机的频率微调钮时,通过观察屏幕上,所显示的黑带的宽、窄变化,便可得知是否已调整到最佳状态了。这使得电视机在接收任何一个频道的节目时,都能得到最好的效果。这种装置也可用于国产电视机中,其效果也比较好。
电路原理
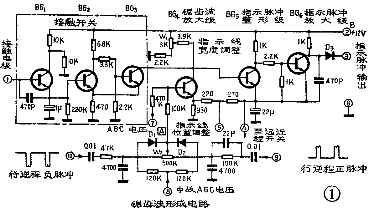
图1是国外某型号黑白电视机中具有接触开关的微调指示电路。其中BG\(_{1}\)~BG3组成接触开关,开关的接触极与电视机的天线和高频头频率微调钮的金属部分相连。当调整电视机的天线或高频头微调旋钮时,因人手与这部分金属相接触,即BG\(_{1}\)管的b极受人体感应电压而处于正偏,BG1管就开始导通。又因BG\(_{1}\)的发射极e与RG2管的基极b相连,BG\(_{1}\)导通时,其发射极电位升高而使BG2的b极电位高于其e极而导通。BG\(_{3}\)管的发射极与BG2发射极相连,当BG\(_{2}\)导通时,使BG3发射极e电位上升,BG\(_{3}\)处于反偏状态而截止。因而BG3的C极电位上升,从而去控制指示脉冲整形级BG\(_{5}\)管的工作。经整形后的指示脉冲,再经BG6放大后输出,供给电视机机频放大级,使显象管显示出调谐指示线。

调谐指示线,是由锯齿波形成电路的⑨、⑩两端同时引入的两个极性相反的行逆程脉冲,分别经积分后在A点得到一个叠加的锯齿形脉冲(该脉冲的谷点,正好落在每一行的中间)其波形如图2所示,经BG\(_{1}\)放大后加到BG5管,整形而成一方波,再经BG\(_{6}\)放大后输出。BG4管的工作是受AGC电压控制的,当调整电视机的天线或微调旋钮时,AGC电压将随电视信号而变化;因而引起指示脉冲宽度的变化。这就使得屏幕上显示的指示线有宽窄的变化。

图中的W\(_{1}\)为指示线宽度调整电位器;W2为指示线位置调节电位器。D\(_{3}\)为隔离二极管。
在图1所示微调指示电路中,要形成指示线脉冲,就需要从行输出管和行输出变压器的一个绕组分别取得正、负极性的两个行逆程脉冲,而一般国产电视机不具备这样的绕组,要特意增加这一绕组又不太方便,所以该电路不能直接用于国产电视机。为了便于业余自制,下面再介绍一个适合国产电视机,使用国产元器件的频道微调指示电路。
图3(a)为一种比较实用的微调指示电路,其印制电路板图如图3(b)。它可用于国产的任一种晶体管电视机中,只要根据具体情况,对微调指示电路中的某些元件稍作变动即可。电路各点波形(粗略的)如图4。其工作原理如下:


电路输入端接行输出管集电极,从中引入一个行逆程脉冲电压如图4(波形A),经耦合电容C\(_{1}\),电阻R1和二极管D\(_{1}\)加到电容C2上,对C\(_{2}\)充电。逆程脉冲过后,D1截止,C\(_{2}\)上的电压经R2、R\(_{3}\)、W1及BG\(_{1}\)管的输入电阻放电,于是便形成了一个锯齿波电压(图4波形B)。此电压经R2、R\(_{3}\)、W1分压后,经限流电阻R\(_{16}\)送到BG1管的基极。波形B上的电压U\(_{O}\)是BG1管工作于导通与截止之间的转折点电压,锯齿波电压大于U\(_{0}\)时BG1截止,低于U\(_{0}\)时,BG1饱和导通,BG\(_{1}\)集电极波形如图4波形C。为了保证BG1管能在对应于行扫正程的一半时间时,获得从截止到导通的跳变,在电路中接入了二极管D\(_{1}\)。由于D1的接入,使得电路的放电时间常数τ放大于充电时常数τ充。在行逆程脉冲来到期间内,D\(_{1}\)导通,由于τ充相对较小,可使C2在较短时间(12.5μS)内充得足够高的电压,逆程脉冲过后D\(_{1}\)截止,C2仅能通过R\(_{2}\)、R3、W\(_{1}\)和BG1的输入电阻放电,因τ放较大,放电曲线拉得足够长,使放电时间达到行扫描正程时间的一半时,BG\(_{1}\)由截止转为导通。再则,用较高的电压激励BG1管的基极,可以改善BG\(_{1}\)管从截止转为导通的过渡过程,使BG1集电极输出的矩形脉冲的上升沿尽可能陡峭些。调节电位器W\(_{1}\),可改变U0的大小,使脉冲的上升沿的位置,可在扫描正程中点两侧偏移,以使电路形成的指示线能准确地调整到电视屏幕的中间。D\(_{2}\)是BG1管在截止时的e、b结保护二极管。R\(_{4}\)、R5、C\(_{3}\)为另一个锯齿波电压形成网络,C3上的波形见图4波形(D )。C\(_{3}\)上的锯齿波经C4耦合到BG\(_{2}\)管的基极进行放大,同时高放和中放AGC电压分别经R6、R\(_{7}\)引入到BG2基极,使BG\(_{2}\)工作点随高、中放AGC电压的变化而变化,当电压幅度高于Ubo时,见图4波形(E),BG\(_{4}\)管输出高电平,低于Ubo时,则输出低电平,见图4波形(F)。于是BG\(_{4}\)管集电极便输出了一个脉冲宽度与AGC电压有关的矩形脉冲。图3电路中的BG3为脉冲整形级,BG\(_{4}\)为指示脉冲输出放大级。W2为指示线的基准宽度调节电位器,用以适应各种型号电视机所给出的不同的高、中放AGC电压,使BG\(_{2}\)管集电极偏置在适当的工作点上。C7用来防止BG\(_{3}\)输出的脉冲过冲,以减小指示线的白色镶边。D4仍为隔离二极管,在微调指示电路不工作时或指示脉冲未来到时,D\(_{4}\)处于反偏状态,从而使微调指示电路接入视放级后,不会引起视放频率特性曲线的改变。
该电路与图1所示电路所不同的在于:
一.图3电路的输出端,不采用图1电路那样,仅通过隔离二极管耦合至电视机视放管的发射极。因为这样做,必须使BG\(_{4}\)管的发射极电压与其饱和压降之和低于视放管发射极工作点电压Ve,否则就会破坏微调指示电路和视放级的直流工作状态。因此,图3指示电路输出级采用了C\(_{6}\)和D3组成的隔直流箝位电路,这样便避免了指示电路的BG\(_{3}\)、BG4管与视放管之间的直流工作点的相互影响,使指示电路更具有独立性。二.为了简化电路,节省元件,图3电路中省去了接触开关电路和远近程开关。三.形成指示脉冲所需的锯齿波信号,图1电路是由行输出变压器和行输出管分别取出正负两个行逆程脉冲,然后分别经各自的积分电路后再进行叠加得到的。而图3电路只需要取一个行逆程脉冲即可,不必改动原有的行输出变压器绕组,方便业余自制。
由上述可知,将图3电路应用于现有各型号晶体管电视机中,其装制及调试工作都比图1所示电路简单方便。因此,下面仅介绍图3电路中的某些元器件的选择及电路调试。
元器件选择
一.BG\(_{1}\)、R4、R\(_{5}\)、C3的选择。为了便于说明,将图3部分电路重绘于图5。BG\(_{1}\)管集电极输出的矩形脉冲,见图5波形①,其脉冲宽度约26μS,在BG1管输出高电平(即导通)时,电源经BG\(_{1}\)、R5、向C\(_{3}\)充电。当BG1输出低电平(即截止)时,C\(_{3}\)经R5、R\(_{4}\)放电(不考虑BG2输入阻抗),放电时间约为38μS。为使C\(_{3}\)输出线性良好的锯齿波,应取RC时间常数远大于脉冲宽度,并且使得放电时间常数大于充电时间常数。若不这样做,则C3输出的锯齿波将产生非线性,如图5波形②虚线所示。此时,屏幕上显示出的指示黑带,随信号强弱作宽窄变化时,表现为黑带两侧边缘伸展速度不对称。由波形②可知,黑带左侧边缘的变速度比右侧快。这里BG\(_{1}\)采用PNP型三极管给解决这个问题带来了可能。这样可满足。τ放>τ充。根据分析这里取RC时间常数为充放电时间的15倍,则:τ充≈C3R\(_{5}\)≈15×26μ……①,取C3=0.047μ,得R\(_{5}\)≈8.2K;τ放≈C3(R\(_{4}\)+R5)≈15×38μS……②。由①、②两式可得:τ充/τ放=26/28≈R\(_{5}\)/R4+R\(_{5}\),所以:R4=R\(_{5}\)(\(\frac{38}{26}\)-1)≈3.9K。

应当指出:BG\(_{2}\)的输入阻抗对回路的影响不可忽略,因此上式有一定误差。但作为实用已经可以满足要求了。为了增加BG2的输入阻抗而增加了电阻R\(_{18}\)。
二.R\(_{17}\)为电源降压电阻、C8为电源滤波电容,对于用12V电压的电视机可以省去,直接通过开关接入12V电源即可。对于大于12V电压的电视机,使用该指示电路时,R\(_{17}\)可按下式选取:R17=E-12/10(KΩ)。
三.各晶体管的β均取80左右。为使RC时间常数准确,C\(_{2}\)、C3应选用容量误差小的电容。
调试方法
将电路按图3各点分别接好,电视机频道开关置于空频道位置,调节W\(_{2}\),使BG1集电极电压约为6.5V。屏幕上出现黑带后,调整W\(_{1}\)使黑带位置居屏幕中间。然后,在接收信号时,根据接收信号的强弱再对W1和W\(_{2}\)作修正。图3电路中电阻R1对于使用24V电压的行输出级电路来说其附值不必更动。否则,高于24V电压的,R\(_{1}\)阻值应加大;低于24V电压的,R1阻值应减小,具体数值可通过实验取得。方法是:将W\(_{1}\)调在中点位置,再改变R1使黑带大致出现在屏幕中间,再修正W\(_{1}\)即可。R6、R\(_{7}\)接到几种常见型号电视机电路的接法见附表。
附表
机型 R\(_{6}\)至高放AGC R7至中放AGC
12D1 2BG6/3AK20集电极 2BG7/3DG6发射极
B31-1 2BG7/3CG21集电极 2BG6/3DG6发射极
JD16-2 1BG11/3CG15集电极 1BG18/3DG6发射极
9D3-1A 4BG1/3AK20集电极 4R6/TP5端
注:高放采用负控AGC电路的电视机,R\(_{6}\)空开不接。
该电路不足之处可由图5看出:因BG\(_{1}\)输出的不是标准方波,故由C3输出的锯齿波不可能是等腰三角形,即α1≠α2,也就是,尽管使C\(_{3}\)两端输出的锯齿波线性做得好一些,但还是不能使黑带左右两边缘向两边伸展的速度完全一致。不过,已很不明显了。(吴纪祥 张小林)