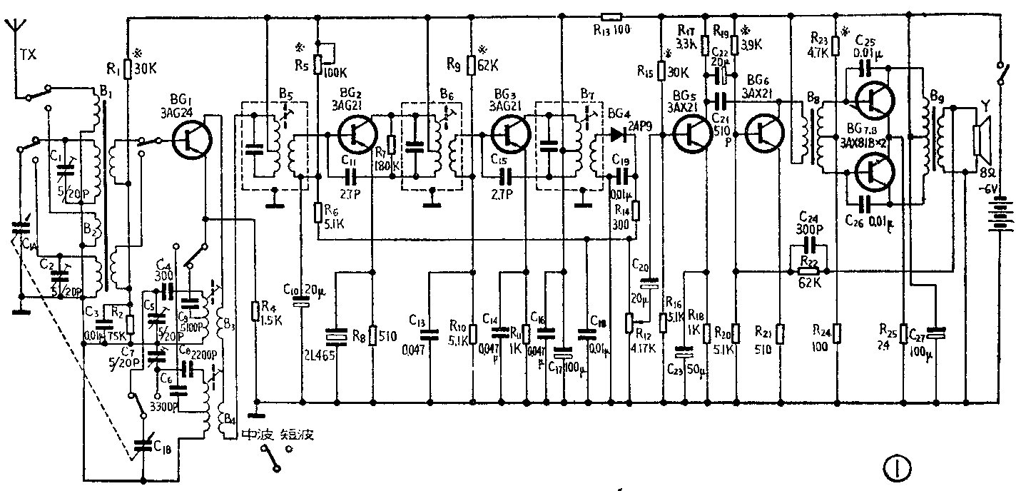
四、选择性变坏 收音机选择性变坏的现象是串台。故障主要来自各调谐回路,因此应重点检查中频调谐回路、输入调谐回路。中放级晶体管的直流工作状态变化也会引起中频调谐回路失谐。此外,自动增益电路中的R\(_{6}\)开路时,不但造成失真而且失去对强信号的控制作用,使得强台信号在度盘上很大一段出现,从而与相邻电台相混。有的听者为了收听远地台,在输入电路连接很长的室外天线。当天线与输入回路耦合过紧时会造成输入回路严重失谐,出现混台现象。这种“故障”只要在天线与输入回路之间串接一个100PF左右小电容就能消除混台。超外差机还有一种混台现象,即是象频干扰。其表现是同一电台信号在两处出现。例如1530千赫的信号会在600千赫处出现,因为收600千赫时本振频率为1065千赫。此时如有1530千赫电台混入,它与1065千赫本振频率混频也能得到465千赫差频,可见高端电台信号会在相隔两倍中频(1530-600=2×465)处的另一地方出现,干扰那个地方的主信号,这就是象频干扰信号。解决这个问题需重新统调输入回路,或提高输入回路线圈的Q值,使象频干扰信号不能进入输入回路。
五、汽船声、啸叫及噪声 汽船声主要由于中频电路、低频电路自激引起。一般电池用旧,内阻增大或滤波电容C\(_{17}\)、C27容量减退(参见图1),开路使得退耦作用减小,前后级之间形成正反馈,就会自激发出“卜卜”汽船声。啸叫主要是变频、中放电路内产生的,而噪声主要是变频级和低放前置级的管子产生的。这几种故障应重点检查:①高频、中频电路的3只晶体管的集电极电流是否过大,BG\(_{1}\)、BG2、BG\(_{3}\)的工作点远大于规定值会使中频增益过高而自激,啸叫,噪声也会增加。可以通过调整偏流电阻R1、R\(_{5}\)、R9使工作点降到规定值。②检查中和电容C\(_{ll}\)、C15是否开路。③中频变压器失谐,也会产生啸叫。例如失谐到500千赫以上时,在波段低端就会啸叫。这种故障应通过调整中周磁芯的办法,使其重新谐振到465千赫。④B\(_{5}\)6\(_{7}\)三只中周只要有一个谱振电容开路,就会产生叫声。特别是B5的谐振电容开路,会使整个波段出现较强的杂乱噪声。此种故障可通过并联电容的方法检查。即在原来谐振电容连接的位置并联一只相同容量的电容。⑤将BG\(_{3}\)的发射极电阻加大到2~3KΩ,或减小B6初级并联电阻R7对消除啸叫、自激均有明显效果,但灵敏度会受影响。⑥补偿电容C\(_{2}\)容量变化使输入回路失谐,在波段高端会出现强烈叫声。可通过调整C2消除。⑦有些机器元件排列较密,收听930千赫电台时常出现差拍叫声,这是中频谐波干扰,可将检波二极管屏蔽起来。⑧消除噪声的另一方法是:从BG\(_{1}\)开始向后逐级使基极对地短路,到哪一级噪声明显降低,则噪声就是在这级产生的,可以降低工作点或更换新管来消除噪声。如噪声还存在,还可继续向后逐级检查。

六、失真 喇叭发出的节目声嘶哑不清晰或刺耳难听均属失真。失真多是由检波、低放、或喇叭有毛病引起的。也有部分故障由前级(中放、变频)产生。检修范围包括:①检查反馈元件C\(_{24}\)、R22有没有开路或短路。②自动增益控制电路R\(_{6}\)、R14、R\(_{5}\)有一个开路,则会引起强信号的过荷失真(即阻塞)。C10容量减小或开路,不但滤波不良而啸叫,而且由于时间常数变化而失真。③中频变压器调得过于尖锐,通带变窄会产生频率失真。中周Q值降低或R\(_{5}\)、R7开路也会引起失真。④二极管BG\(_{4}\)质量不良,在反向偏压之下漏电流过大,则接收弱信号时会有失真。判断二极管好坏的简便方法是用万用表R×100或R×1000测量其正反向电阻(焊开一条腿测)。正常时正向电阻约为500欧,反向电阻应大于50千欧。⑤低频放大器的工作点与失真有很大关系。图2的工作点Q是正常的,静态的基极电流为100μA静态集电极电流为2.5mA。此时如果输入一个交流信号,基极电流在14~160μA范围变化,集电极电流就在1~3.8mA范围内变化,没有失真。图3的工作点Q是不正常的(太高)。可以看出集电极电流被削顶。相反,工作点过低也会造成削顶失。造成工作点变化的原因一般有以下几种:耦合电容C22击穿短路;偏流电阻R\(_{16}\)、R17、R\(_{19}\)、R20、R\(_{23}\)、R24变值、开路、短路;负载电阻R\(_{17}\)变值;R22、C\(_{24}\)短路等。另外,输入变压器次级、输出变压器初级局部短路,扬声器、晶体管损坏也会造成失真。


七、高频机振 现象是调到一个电台之后,随着音量的开大,扬声器发出震耳的“嗡”声。主要原因是:①随着扬声器纸盆的振动,引起双连电容动片的机械振动,②与双连并联的C\(_{5}\)、C7的机械振动。③振荡线圈、中周磁芯的机械振动。修理的方法是把双连用螺钉固定牢固,必要时加减振垫圈。C\(_{5}\)、C7用焊锡牢固地焊在印制板上。把各磁芯牢固地用蜡封好。
八、其他 ①有时机芯装入机壳内不响,把机芯拿出来就响。这多半是机芯放入机壳时喇叭的铁壳把印制板上的某两点短路,或把某点与地短路,这需要边听边仔细查看,就能找到故障的所在。②音量电位器控制失灵是指音量电位器关到最小时仍有声音,这多半是由于电位器接地端没有与“地”焊牢,或内部开路。③度盘指针与电台频率不符,多半是由于本振线圈磁芯松动或C\(_{5}\)、C7容量改变。双连内部损坏也会出现度盘指针位置不准。④频率漂移是指收听某一电台时,突然收不到了。经过调谐在别的位置重新找到该台。这种毛病多半是由于双连动片松动,振荡线圈磁芯松动。⑤停振有高端停振或低端停振,也有全波段停振,停振的现象是在高、低端或全波段收不到台。造成停振的原因有:双连碰片;垫整电容变质;耦合电容C\(_{8}\),C9变质;振荡管衰老;振荡线圈受潮;印制板走线过密而漏电;印制板走线间有脏物等等。(马兰皋)