目前不少家庭拥有盒式单声道录放机。这种机器只能放送单声道磁带的节目。有时从朋友处录下的立体声磁带节目,经过这种机器放送也只有单声道效果了。为了使用现有的单声道录放机欣赏立体声磁带节目,我们进行了一次改装的尝试,并且取得了满意的效果。图1表示单声道磁带和立体声磁带的区别。由图可见,磁带宽度相同而且是通用的,只是录音时被磁化的磁迹不同。单声节目磁带第一面的磁迹与立体声节目磁带第一面的磁迹宽度一样。前者只录了一个声道,而后者录了两个声道。题头给出单声道磁头和立体声磁头,外形基本相同。区别是单声道磁头正面有一条工作缝隙,背面有两根引出线;而立体声磁头正面有两条工作缝隙,背面有四根引出线。从图2和图3表示的单声道和立体声放音过程可见:前者,磁带上的单声道磁信号经放音磁头转换成一路电信号,经过一路放大器放大,由一只扬声器放声。后者,磁带上的双声道磁信号经放音磁头转换成两路电信号并由两路放大器放大,由两只扬声器放声。可见用单声道录放机是不能放送立体声节目的。第一种改装方案见图4。除更换磁头之外,还需增加一路与原机相同的放大器及扬声器。但要使左、右两路信号平衡,要求新增加的放大器、扬声器与原机保留的放大器、扬声器性能完全相同。这是很困难的。况且原机放大器的输出功率都比较小,喇叭口径也较小,难于获得良好立体声放音效果,我们放弃了这种方案。第二种方案见图5。将立体声磁头的引出线直接焊在新增加的两个输出插座上(见题头与图6)。原机的放大器仍旧保留在机壳内,按图6与立体声磁头相接。双声道放大器及喇叭箱均放在原机外面。这样既保持了原盒式机的便携性,又可输出左右两路信号。原机的机械传动部分均可保留在原机内、下面分别介绍几点注意事项:






1.调换磁头:对新更换的立体声磁头有以下几点要求:(1)尺寸外形应与原磁头相同。(2)磁头线圈阻抗应与原磁头一致或接近,以免破坏原来的偏磁工作状态。磁头的线圈阻抗值一般在外壳上有注明,也可根据型号从手册上查到。国产单声道磁头多采用超音频交流偏磁方式,线圈直流阻抗较低,约100~200欧。进口单声道磁头多采用直流偏磁,直流阻抗比较高,约300~400欧。必要时可用R×100Ω档测量。应该指出,不到不得已时不用此法测量。因为测量时万用表会给磁头充磁,从而增大噪声电平。经过这种方法测量过的磁头必须用消磁器消磁。调换磁头的步骤是:先烫下原磁头的引线,拧下左边的固定螺钉,取下原磁头。将立体声磁头按原磁头的样子安放好,拧好固定螺钉,参考图6焊上四条引线。再按下述方法进行机械和电气的调整。
安装位置调整:将划上基准线的带盒放入带仓里,按下放音键,此时录/放磁头的端面距基准线应为3.1~3.8毫米(见图7)。如距离不符合上述要求,将机芯取出,调整滑动基座(见图8),使磁头位置满足上述要求。调好位置后可用快干漆封住固定螺钉。


方位角调整:调磁头方位角,是为了使磁带运行方向与磁头缝隙保证严格垂直。方法是按图5连好放大器,用一盘录有6.3KHz信号的立体声磁带放音,按图9调整方位角螺钉,测量喇叭两端的输出电压,当输出最大时,则方位角是合适的。也可用一盘高音丰富的立体声原声带放音,调整方位角螺钉(图9),使高音输出最大。

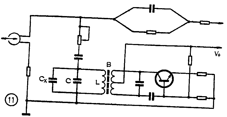
偏磁工作点的调整:由于新换磁头与原磁头的阻抗不完全相同,会产生不匹配,出现音量小、失真大、噪声大等现象。必须通过重新调整磁头的偏磁工作点来解决。业余条件下调偏磁电流的方法是用一盘质量好的原声带放音,调整偏磁电流使输出音量最大,再继续增大一点偏磁电流,使音量稍小一点,此时失真、噪声均最小。这就是最佳偏磁点。直流偏磁方式的进口普及机(如三洋M2511、松下RQ—2106、康力V—130等)可调整图10中的R。一般偏磁电流约为70微安左右。交流偏磁方式的单录机(如上海L—311型、L—316型、海鸥L—101型等),可调整图11超音频振荡器的C\(_{x}\)容量,从而改变振荡器的频率及偏磁电流大小。对于普通氧化铁磁带,交流偏磁电流调在0.5~0.75毫安较合适。


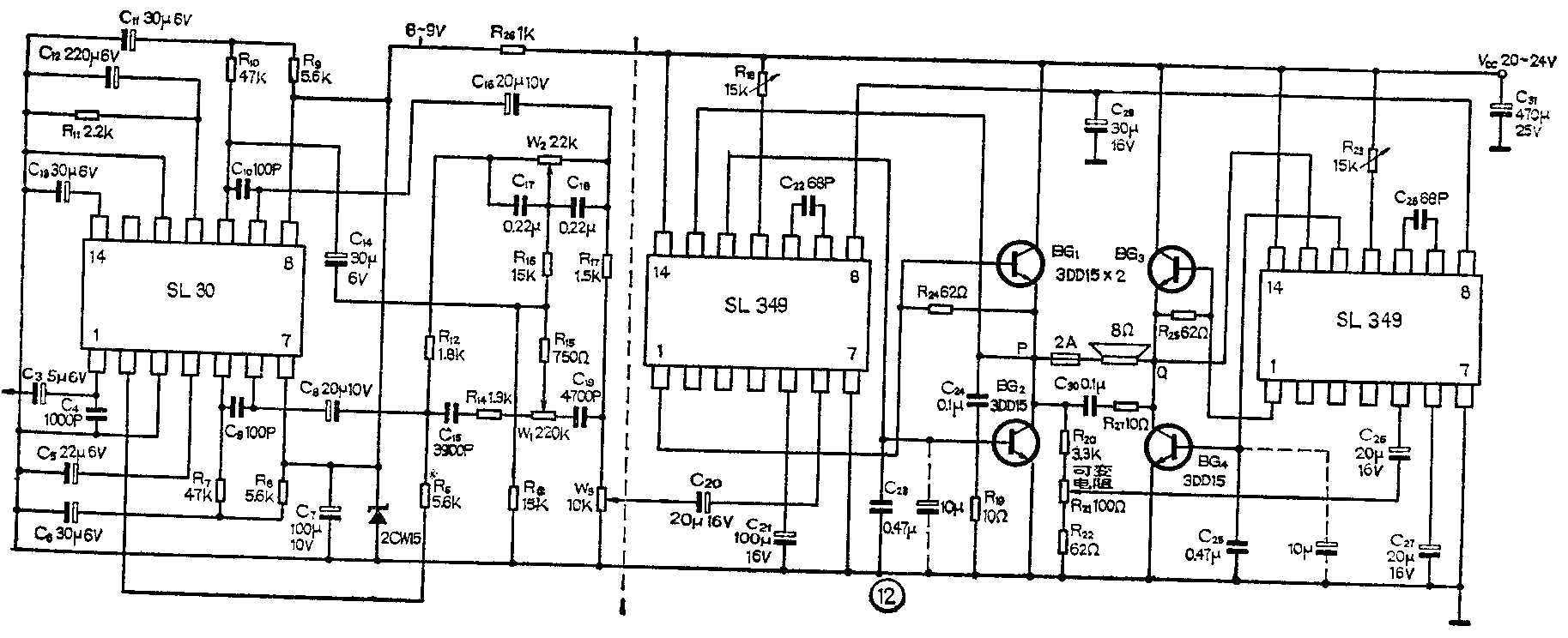
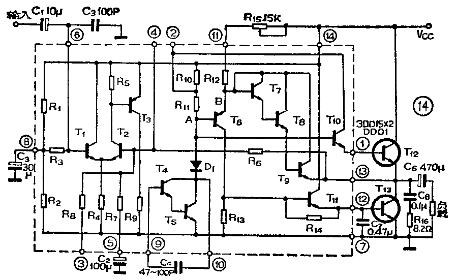
2.外接立体声放大器:大家知道,晶体管功率放大器有OTL、OCL、BTL三种接法。OTL接法由于输出端有一个电解电容,使得频响低端变差。OCL接法虽然避免了输出电容对频响低端的限制,但供电电路变得复杂了。BTL接法不但频响宽,电源电路简单,而且在相同电源电压下可比前两种电路输出功率大得多。经实验,图12所示的电路在20Hz~20KHz范围内,失真小于1%的情况下可输出20瓦音频功率,功率储备比较大。一般在20平米的房间内欣赏音乐时,扬声器输出0.5~1瓦的功率足以够用。但放大器的功率余量越大则小功率放声时声音越柔和好听。图13是印刷板图。该电路的另一个特点是使用了三只国产集成电路,这给装配调试带来了很大方便。SL349内电路见图14(虚线内)。它与大功率管T\(_{12}\)、T13及其他外围元件共同组成了OTL电路。两个这样的OTL电路按图12虚线右边的接法构成BTL电路。SL30与外部元件共同构成音调控制级。SL30的内电路由两组图15所示放大器构成。1~7脚为第一放大器,8~14脚为第二放大器。该音调控制级的静态耗电小于3mA,输入阻抗大于50KΩ,输出阻抗小于5KΩ,开环增益大于60dB,输入灵敏度为30mV,音调调节范围大于40dB。




装配与调试:装配之前应对所有外围元件进行测量,检查电阻阻值有无过大超差,电解电容有无漏电。焊接时应防止虚焊,否则将给调试带来很大麻烦。电解电容不要把极性装反,否则容易出现自激。装配时应特别注意接喇叭的两端(P、Q)不得与“地”或电源相碰,同时P、Q两点也不能自相短路。焊接工作确实无误之后可进行整机调试。附表的SL349各脚静态电压值,可供调试参考。调试应从后向前进行。调SL349时应不接负载(喇叭),同时断开SL30的电源。将万用表串入电源回路,此时总静态电流应为35~50mA,如过大或过小可调整R\(_{18}\)和R23,并注意两个OTL电路的静态耗电应接近,如果BTL静态耗电过大,调R\(_{18}\)、R23又不起作用,说明有寄生振荡存在。此时应着重检查C\(_{22}\)、C23、C\(_{24}\)、C25、C\(_{28}\)是否有漏电、反接或数值不符;或在SL349的12脚与地之间加一个10μ电容试试。当静态电流正常了,并且P、Q之间电位差不大于200mV则可接入负载(喇叭)了。此时应特别注意要在喇叭上串联一根2安培保险丝。此时用手摸C20时,喇叭应有感应声。BTL的交流调试可如下进行:从C\(_{2}\)0输入一个正弦信号,用万用表交流电压档串接一只100μF电解电容器,测量第一组OTL放大器输出端P对“地”电压。保持输入信号幅度不变,再测量第二组OTL输出端Q对“地”电压,两次测量数值应相等。如不相等可调整R21使之相等。没有信号发生器也可用金属物摩擦C\(_{2}\)0的引线,照上述方法测P、Q对“地”电压(用万用表交流档),调R21使两次电压值相等。C\(_{22}\)、C28在47~100P之间选择,过大引起自激,过小使高频频响变差。附表SL30各脚静态电压值,可作调试时参考。当测量电压值不符时,可检查C\(_{2}\)0、C21、C\(_{29}\)、C26、C\(_{27}\)有无漏电或接反。若SL30的7( 8)脚电压值不符,可检查稳压管(2CW15)有无反接或短路、开路,C7有无漏电。SL30只有一个可谓元件R\(_{6}\)。R6用来调整音调级的闭环增益,R\(_{6}\)越大增益越高。但太大了容易自激。音调级只要焊接无误,一般很容易成功。

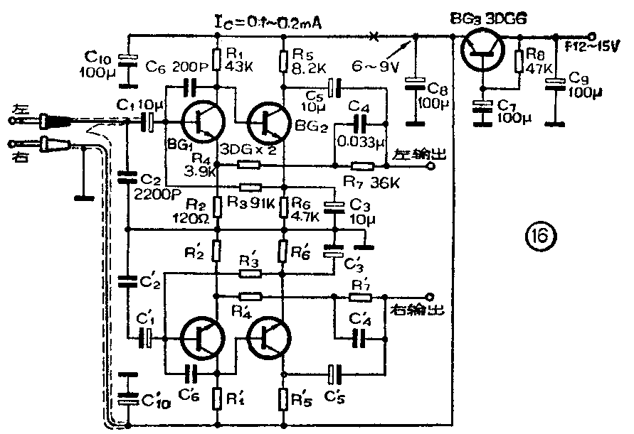
该主放大器的输入灵敏度为30mV,而磁头输出信号只有0.3~lmV,中间必须加入一级前置放大器才能正常工作。图16给出前置放大器电原理图,图17是印刷板图。该前置放大器工作比较稳定。增益可高达36~42分贝。R\(_{4}\)、C4和R\(_{7}\)构成国际通用NAB标准均衡网络,放音时可对低频进行补偿。图16中的BG3及C\(_{9}\)、C7、C\(_{8}\)、R8组成电子滤波器。前置级的输入端可通过双芯屏蔽线与左、右声道的插头相接。前置级的输出端可通过屏蔽线与图12中左、右声道的C\(_{3}\)(C3′)相接,并把它们的公共“地”线连在一起。前置级的BG\(_{1}\)、BG2可选用低噪声管(如3DG201、3DG6、3DG8等),β要求大于80。调整R\(_{3}\)使两管静态电流总共为0.1~0.2mA,可在X处测量。立体声放大器需加入一个平衡电位器以平衡左、右两路信号的大小。加入方法可参考图18。



3.几点说明:
(l)上述改装是在不降低原单声道录放机性能的前提下进行的,同时又以不改变原小型机的便携性为宗旨。改装后的录音机不仅可以从机壳上新增加的两个插座引出左右声道信号,送给前述立体声放大器进行立体声放音,也可从原机的耳塞(或外接扬声器)插孔引出信号,送到扩大机中放送单声道节目。因此,从放音角度看,这一改装具有兼容性。如需立体声录音,可从前置放大器输出端引出两路信号,送入另一台立体声录音机左、右线路输入插座。如欲将该信号送入MIC插座进行录音,则须另加衰减网络,这就有待读者继续实验了。
(2)本文介绍的主放大器具有多用性。图12虚线右边是一个优良的功率接续器。如按图19做一个衰减网络插入普通盒式录音机、便携收音机的耳机插孔,则可推动音箱。对于无音调调节的简易便携收音机,图19可按虚线连接。此时简易便携收音机就可变成功率余量大,音质优美的放音系统了。欲用该放大器放送电唱机节目,可在图12C\(_{3}\)的前面串接一只200KΩ电阻,再接到电唱机的输出端。

(3)使用本文图12介绍的电路作单声道功率接续器时,只须购买1只SL30、2只SL349及一套其他外围元件,按图12、图13装配即可。如欲装成立体声放大器须购买两套这样的元件。
(4)该放大器的电源电压Vcc为20~24伏。(梅风杰 王琪航)
