这里向读者介绍一个由电子开关电路控制的玩具——电子翘翘板。它的电路简单,制作和调试容易,它的外形见题头。

工作原理
电子翘翘板电路见图1a,这是一个自激多谐振荡器电路。接通电源,BG\(_{1}\)、BG2两管能自动地轮流导通和截止。当BG\(_{1}\)导通时,BG2截止,线圈L\(_{1}\)中有电流通过,适当选择L1与BG\(_{1}\)集电极相连的端子,则它的上端产生磁北极(N),如图1b所示,这个磁北极与翘翘板左边永磁铁下端的磁北极互相推斥,翘翘板左边升高,右边降低。过了一段时间后,电路自动翻转,BG2导通,BG\(_{1}\)截止,线圈L2中有电流通过,适当选择L\(_{2}\)与BG2集电极相连接的端子,则它的上端产生磁南极(S),这个滋南极与翘翘板右边永磁铁下端的磁南极互相推斥,翘翘板右边升高,左边降低。这样,翘翘板就不停地摆动起来。

元件的选择与制作
晶体管BG\(_{1}\)、BG2在电路中起开关作用,因此要求不高,业余品也可利用,要求两管的I\(_{CM}\)≥100mA,β1=β\(_{2}\),β1≥50即可,可选用3AX31B等型号。
电容C\(_{1}\)、C2是保护电容,它能将线圈L\(_{1}\)、L2中断电流时产生的自感电势短路掉,以保护BG\(_{1}\)、BG2不被击穿。C\(_{1}\)、C2可选用容量为25微法、耐压15伏以上的电解电容量。C\(_{3}\)、C4是基极电容,选用100微法,耐压15伏以上的电解电容器,要求漏电小,以免影响电路正常工作。R\(_{1}\)、R2是基极电阻,可选用10千欧、18瓦的小型碳膜电阻。
电磁线圈L\(_{1}\)、L2可以自制。先用厚1毫米的硬纸按图2a制作两个线圈架,在各线圈架上用直径0.12毫米的漆包线绕3000匝,注意L\(_{1}\)与L2的绕制方向正好相反。线头与线尾从一端(B面)引出,并标上始端、尾端,如图2b所示。为增强线圈通电后的磁力,在线圈中间插入一段长为18毫米、直径4毫米的铁丝。

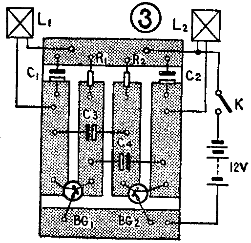
除了电池、开关、线圈外,其他元器件均安装在图3所示的印刷电路板上。

部件的制作与装配
翘翘板模型各部件的尺寸见图4。

1.翘翘板:按图4a的尺寸刨一块木板,在木板两端各开一个长22毫米、宽13毫米的孔,在孔内安装玩具电动机的永久磁铁,中间装转轴架。玩具电动机永久磁铁形状如图4b,也可用其他体积较小的永久磁铁。
2.转轴架:用厚0.35毫米的镀锌铁片按图4c的尺寸剪好,沿虚线弯成图4d的样子,并焊上长32毫米、直径2毫米的铁丝做转轴。
3.支承架:仍用镀锌铁片制作,按图4e的尺寸剪好,沿虚线弯成图4f的样子。
4.底座:按图5的尺寸用木板做一个有底无盖的盒子,在底板上距中点135毫米的地方各开一个直径18毫米的孔,把线圈的A面放进孔中,并用图2c所示卡子把整个线圈卡住在底座上。在底座里安装上电池、开关、印刷电路板。最后,把底座翻过来,在上面安装支承架、翘翘板。将两个玩具小孩放到翘翘板两端,装上扶手。把底座、翘翘板涂上油漆,一个电子玩具就做成了。

只要元件良好、电路没有接错,接通电源就能正常工作。如果发现某个线圈将翘翘板一端吸住不放,应把翘翘板左、右两端调换位置。
电路工作时,用万用表电压档分别测量BG\(_{1}\)、BG2的集电极电压,即红表笔接地,黑表笔接集电极,电表指示应在0.3伏至11伏之间来回摆动。没有万用表的话,可用一块小铁片放在线圈L\(_{1}\)或L2的一端,铁片有节奏地被吸动,说明电路工作正常。
为使翘翘板摇动均匀,基极电阻、基极电容要相等,即R\(_{1}\)=R2,C\(_{3}\)=C4。同时增大C\(_{3}\)、C4,翘翘板上、下摆动速度会变慢。按图1电路元件数值制作的翅翘板,约一秒钟摇动一次。由于L\(_{1}\)、L2线圈通电时磁力不大,因此,翘翘板要尽量轻,两端重量要基本相等。
编后语:本文介绍的虽然是一个电子玩具,但实质上它却是一个名符其实的自激多谐振荡器的演示器。改变C3、C4的大小,翘翘板上下摆动的速度会随着改变。亲爱的读者,请您想想看,这是为什么呢?你能不能从电路的原理上有所理解呢?(陈治能)