问:一部友谊JD16—2型电视机,在有电视信号和无电视信号时光栅上都有较多的黑、白点,机壳内还发出很大的“丝丝”声,请问是什么故障引起的?
答:这是由于机内高压整流二极管3BG\(_{1}\)0(2DGL20KV)内部接触不良造成的。该管内部接触不良引起高压跳火,干扰光栅,使之出现杂乱的黑点、白点。此时除能听到“丝丝”的跳火声外,并能嗅到一种因高压跳火而产生的特殊气味。透过塑料骨架的圆孔,还能看到高压整流二极管3BG10内因高压跳火而发出的紫红色光。更换新的高压整流二极管故障即可排除。 (花维国)
问:一台星火牌JDS4型电视机,稳压电源部分的复合管5BG2烧毁,换上新管子后查整机电流正常,但十几分钟后又烧毁,这是什么原因?
答:这是由于稳压电源调整管5BG\(_{1}\)β值下降所引起的。当电源调整管的β值下降后,为了输出整机所需要的工作电流,只得增大调整管的基极电流(IC=βI\(_{b}\))。而调整管5BG1的基极电流是由复合管5BG\(_{2}\)提供的,也就是加大了复合管5BG2的集电极电流,耗散功率增大,导致管子烧毁,将5BG\(_{1}\)换一只同型号的β值较大的管子即可排除此故障。(于俊杰)
问:自装一台飞跃9DS4型电视机,图象被屏幕中间的一条黑带分成两半。调节行频旋钮能使黑带移动,但不能移出屏幕外,不知何故,怎么解决?
答:这种故障的根源在行自动频率控制电路中,通常是因所加锯齿比较电压的相位反了而引起的。锯齿比较电压反相后,使本来应该在行逆程期间进行比较的行同步脉冲移到了行正程期间与锯齿电压比较。比较后,在正程期间输出一控制电压使行振荡级同步振荡,结果消隐和同步脉冲就在行正程扫描中占据了地位,使屏幕中间产生一条黑带把图象分成两半。这种故障多为行输出变压器绕组中的3、4引出头接反所致,换接一下即能解决。如自绕行输出变压器,则更应注意这个问题。其它类似机型发生这种故障时,也可按同样方法解决,如凯歌4D4型机等。(王德源)
问:电视机上可调旋钮很多,调节时应注意什么问题?
答:在调节时应注意以下几点:
1.使用前认真看说明书,熟悉和了解每个旋钮的位置和作用,熟练掌握调节过程。
2.旋动或拨动旋钮时用力应轻而缓,不要用力过猛。对旋动式旋钮只能施加旋转方向的力,不应在水平、垂直、前后等方向上用力。对拨动式旋钮只能沿拨动方向用力,不能施加其它方向的力。这样可以避免增大元件的磨损,造成元件松动或接触不良,延长使用寿命。
3.调整电视机的工作应在电视台正式播出节目前利用所播出的电视测试卡进行,按说明书所介绍的方法和程序调节各旋钮。一经调节好,在收看时除电源开关,音量开关,频道开关外,其它旋钮就不必每次都调节了。当电视机在正常收看时,如果图象质量突然变坏,不要立即进行调节,因为外界的干扰、电视台或电视差转机的故障也会影响图象质量。 (花维国)
问:工矿区的电子管收音机,在厂休时,收听效果很好。但工厂一上班收音机中杂音就很大,这是为什么?怎样解决?
答:工厂开工时,厂内各种电器设备(如马达、发动机、电火花加工等)会对收音机产生工业干扰。干扰途径有两种。一是干扰电流从电源线进入收音机。二是干扰以电磁波形式进入收音机。对于前者可以在收音机电源变压器初级两端与机壳之间分别接入两只0.01μF的电容(耐压应大于400伏)。而后一种干扰只能通过改进收音机的选择性等指标来解决。有时在收音机的输入回路并接1只数百欧姆电阻也能减小一点干扰。但收音机灵敏度降低了。(林伟武)
问:红灯711型六管电子管收音机中选用了2AP16作检波,可否用其他反向击穿电压较低的二极管代替?
答:红灯711型收音机之所以选用2AP16(反向击穿电压大于50伏)作检波,并非它反向耐压高。经实测在强信号从天线输入时,检波电压的峰峰值仅有5伏左右,可见工作电压并不高。为什么选用耐压为50伏以上的二极管呢?我们知道,检波(或整流)时都希望信号正半周全加在负载上;而负半周全加在二极管上(即负载上基本没有电压),这时的检波效率最高。为了达到这个目的必须注意检波的负载阻抗。也就是说,在低阻抗负载时影响效率的主要因素是二极管的正向特性(饱和压降要小);而在高阻抗负载时影响效率的主要因素是二极管的反向特性(漏电流要小)。因此选用二极管时应考虑和负载阻抗之间的关系。红灯711是一种电子管收音机,为了配合中频变压器和电子管的特性,采用了高阻抗负载(500KΩ左右)。这就对检波二极管提出了反向电流要小的要求。否则会因反向等效电阻不够大,而使信号的反向电压也同时加到了负载电阻上。轻则降低了检波效率,使收音机灵敏度降低。重则破坏了检波工作,使收音机无声。而单独测量二极管时,二极管却完好无损。
从二极管特性来看,通常反向击穿电压比较高的管子工作在低电压时,它的反向电流就特别小。所以在电子管等高阻抗检波负载的收音机中,应采用反向击穿电压较高的检波二极管。红灯711收音机采用2AP16作为检波管的理由就在于此。对大批量生产时更有一定的积极意义。业余装机时,如果只有反向耐压低的二极管,而其反向漏电流特别小(反向等效电阻大于负载阻抗10倍),也未尝不可用。(王云飞)
问:有一只电解电容,标记已看不清,应如何判断其极性与容量?
答:电解电容是有极性的元件。在电路中如果极性接反则漏电加剧,耐压也变低。根据漏电大小可以用万用表欧姆档判断极性。一般容量小的可使用R×1KΩ或R×10KΩ档;容量大的可用R×100Ω档。方法是:用红表笔接一极,黑表笔接另一极。这时指针向右摆动,而后回摆。待到表针停稳,可以发现有一点漏电指示。然后黑红两笔对换,重复上述动作,发现表针停稳时也有一个漏电指示。反复观察可看出两种接法时的漏指标不同,漏电较小的接法时,黑表笔所接的一极是正极。
另外,在表笔刚刚接触两极时,万用表内电池给被测电解电容器充电,使得表针有一个向右摆动,容量越大表针摆动越大。用一只已知容量的电解电容作比较,反复观察摆动最大的角度(注意万用表应使用相同档),就能大概估计被测电容的容量。此外,利用放电火花的大小也可估计容量大小。方法是用相同直流电压给被测电容和另一个已知容量的电容充电(注意直流电压不可超过其耐压值)。然后将两极迅速短路,观察放电瞬间的电火花,容量大的火花就大。(林伟武)
问:在制作今年第三期发表的《带扩展作用的集成电路立体声扩音机》时,如果电路图中的耦合电容C\(_{4}\)、C17不用无极性电容,而用电解电容是否可以?对电解电容的漏电有什么要求?是否可以加大其电容量?
答:原图中C\(_{4}\)、C17选用1μF无极性电容有两个意图:一是漏电小,二是噪声小。如果选用电解电容,为了不影响OCL放大器输出端的直流电位。电解电容的直流电阻应大于8FC4运放块的输入阻抗,一般说来如用欧姆表测量,其直流电阻应大于1兆欧。焊接时,电解电容的负极接BG\(_{1}\)的发射极。C4、C\(_{17}\)作为耦合电容时容量大一些好像没有坏处,其实不然,电容器作为惯性元件串接于A2放大器的输入级,在开关机瞬间及有高频信号输入时,都会产生瞬态冲击噪声及瞬态互调失真。从这一点出发,电容量以选小一些为好,因此,C\(_{4}\)、C17、的电容量以在1μF~5μF之间选择为好。(丁树凯)
问:有一台中华206型电唱机,在接通和断开电源时,音箱喇叭中总发出刺耳的“咔嚓”声,这是什么原因?如何解决?
答:206电唱盘的电源开关和音臂是联动的。电源开关是一个弹性开关铜片,当音臂离开音臂支架时,电源接通;放回支架时电源断开。这样一开一断,弹性铜片触点处就会产生一些火花,这是一个正常现象。为了清除火花对电路的影响,也就是说清除开关电源时的“咔嚓”声,常在弹性铜片开关两端并联一个0.01微法的电容器,就可以清除喇叭中的“咔嚓”声。
如果机器出了故障,如开关制动簧片触点氧化,或者音臂下面的水平轴固定圈松了,使长螺钉与开关制动簧片间的位置发生了变化,螺钉与制动板接触不可靠,则会使簧片间出现较大的跳火。遇到这种现象,应及时将水平轴固定圈拧紧,并调整好与开关间的距离。簧片上的氧化层应清洗干净;如果是0.01微法消火花电容失效,应及时更换新的;有些用户,因为害怕产生火花,使用机器时总是慢慢地移动音臂,结果却更容易产生火花。因此应迅速移动音臂,这样可减小火花干扰。(赵楠)
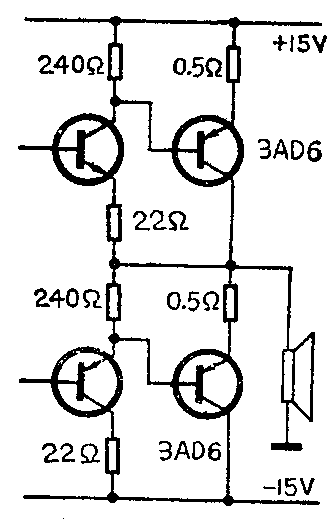
问:1980年第3期刊登的集成电路DY—ICⅢ型OCL扩音机,其功放级的大功率管DD01可否用其它功率管代替?可否用锗PNP型功率管3AD6代替?

答:DD01可用3DD15、DF03、3DD102等硅大功率管代替,要求数据为BV\(_{ceo}\)>35伏,β=30~50;DD01也可用3AD6代替,要求数据同上,但接线要按附图做相应改动。(松龄)
问:我最近买了一块五功能电子手表,每天误差五分钟,调整微调电容一点不起作用。这是什么原因引起的,应该怎样解决?
答:电子手表中的步率微调电容是用来调整电子手表走时快慢的,它的调节范围每天约为8秒左右。你的表每天误差五分钟,用微调电容当然调不过来。这种故障主要是由石英晶体引起,原因之一是石英晶体频率不准,一般为32768Hz±20PPM,偏离太多使走时误差增大。频率不准的情况在非商业进口的粗装表中较为多见,希望引起注意。另外,如果手表在使用中逐渐变慢,很有可能是石英晶体密封不良,使性能变坏。以上二种情况都要更换五英晶体。 (李耀祖)