(1)如果有两个2CW15稳压管,一个稳压值是8V,另一个是7.5V,试问把这两个管子串联后总的稳压值是多少,并联后稳压值又是多少?
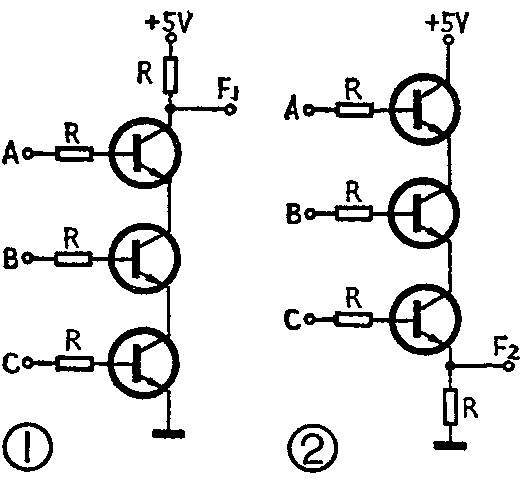
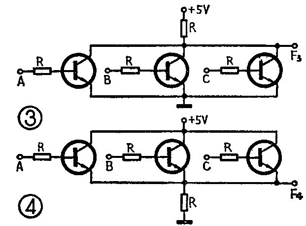
(2)在下列电路中,A、B、C是具0有状态(相当于0V)和1状态(相当于+5V)的开关量信号,各晶体管都工作在“饱和”和“截止”的开关状态。请应用逻辑代数与逻辑电路的知识,分析本题中图1~4的电路:
(a)列出它们的真值表;
(b)写出电路输出F\(_{1}\)~F4的逻辑表达式;
(c)说明它们的功能。
想想看答案
(l)我们知道,稳压管的稳压值就是它的反向击穿电压。如果一个管子的稳压值为7.5V,另一个为8V,则将它们串联后的总稳压值必为二者之和,即7.5V+8V=15.5V,见图1。因为只有当外加电压达到15.5时,两管才能被击穿。如果把两稳压管并联,稳压值将等于较小的一个,即7.5V。这是因为当外加电压逐渐升高达到7.5V时,稳压值较小的管子将首先被击穿(见图2),而一旦击穿后,其两端电压将基本维持在7.5V不变,只是流过它的电流将随外加电压的升高而增大,因而使外加电压的增量基本上都降到限流电阻上。稳压值为8V的管子由于其两端电压达不到8V而不能被击穿,因此全部电流几乎都流过已经击穿的管子,这就有可能超过它的最大稳定电流和耗散功率,使该管损坏。因此稳压管一般很少并联使用。 (段炳义)

(2)(a)图1~4的真值表为表1~4。

(b)逻辑表达式分别为:
F\(_{1}\)=ABC-
F\(_{2}\)=ABC
F\(_{3}\)=A+B+C-
F\(_{4}\)=A+B+C
(c)它们的功能分别是:
图1:与非门
图2: 与门
图3:或非门

