上一期我们介绍了反向自动增益控制电路,这种电路的特点是简单经济,效果也比较好,所以在超外差式晶体管收音机里,几乎都装有这种电路。它的缺点是控制范围不够宽,当输入信号超过一定值时,就会使受控级晶体管截止,产生严重的非线性失真,甚致发生堵塞现象。所以有些收音机除装有这种电路外,还配合使用另外一种AGC电路,叫作阻尼二极管AGC电路。下面我们分析它的工作原理。

我们知道,晶体管收音机中的变频级和中放级负载都是由电感L及电容C组成的并联振荡回路,即中频变压器。这种振荡回路在中频频率时处于谐振状态,回路的阻抗呈现为一个纯电阻,我们称它为谐振电阻,用R\(_{O}\)表示。RO的大小对变频级和中放级的增益影响很大。例如图1是一级中放电路,设输入中频信号电压为u\(_{i}\),集电极回路中频电流为ic,则输出电压u\(_{O}\)=iCR\(_{O}\),中频电压放大倍数Ku=i\(_{C}\)RO/u\(_{i}\)。可见电压放大倍数Ku与谐振电阻R\(_{O}\)成正比。如果我们能够自动控制变频级或中放级RO的大小(实际上是控制变频级R\(_{O}\)的大小),使其随输入电压幅度的大小而变化,即当输入电压增大时,RO变小,则同样能够起到自动增益控制的作用。
由并联回路的关系式知道:R\(_{O}\)=Q\(\frac{\sqrt{L}}{C}\),式中Q为回路的等效品质因数,一般为几十到一百左右,L;C约为几千欧左右,因此RO通常是几十千欧。如果我们能够控制回路的Q值,就能控制R\(_{O}\),而改变Q值的最方便的办法是在回路两端并联电阻。并联的电阻越小,Q值下降得越多。显然,在AGC电路中,用普通电阻是不成的。因为要求这个电阻能够受输入信号的控制,当输入强信号时,其阻值应当变小,输入弱信号时,其阻值应当变大。实际上这个电阻是用一只晶体二极管来代替的。


图2是晶体二极管两端电压U\(_{D}\)与流过二极管的电流ID的关系曲线,通称为二极管的伏安特性曲线。在正向电压较小时,电流非常小。当锗管U\(_{D}\)>0.1~0.2伏,硅管UD>0.5~0.6伏之后,电压再增加时,电流将迅速增加。加反向电压时,反向电流的数值很小。一般锗管比硅管大些,锗管约几至几百微安,硅管约为几微安。而且随着反向电压增加,反向电流增加得极少,所以把这时的反向电流称为反向饱和电流。我们知道,二极管的交流电阻可以根据图2所示的伏安特性曲线来求。曲线上某点的交流电阻等于该点电压的增量ΔU\(_{D}\)与电流增量ΔID的比,也就是该点切线斜率的倒数。从曲线可以看出,各点的交流电阻值是不同的,这是非线性元件的一个特点。我们可以把交流电阻R随电压U\(_{D}\)变化的规律画成曲线,如图3。由图3可见,二极管的交流电阻随加在它两端的电压的不同而有很大的变化。我们只要控制二极管两端的电压值,就可以控制它的交流电阻值。这个二极管习惯上称为阻尼二极管。于是我们就可以在反向AGC电路的基础上,再加一个阻尼二极管AGC电路。其电路由D1R\(_{1}\)R3R\(_{4}\)及C2C\(_{5}\)组成,见图4。C2C\(_{5}\)为中频旁路电容器。R1R\(_{4}\)为阻尼管偏置电阻,R3为阻尼管串联电阻。由图可以看出,对中频信号来说,R\(_{3}\)与阻尼管串联后,通过C2C\(_{5}\)并联在BG1输出回路C\(_{1}\)L1的两端。当无输入信号时,检波后输出的AGC电压U\(_{P}\)为零,第一中放管BG2的偏置电压U\(_{beQ2}\)较大,集电极直流电流ICQ2较大。反向AGC电路不起作用。此时,在电阻R\(_{4}\)上的直流压降为R4×I\(_{CQ2}\)。设混频管BG1集电极直流电流为I\(_{CQ1}\),R1上直流电压降为R\(_{1}\)×ICQ1,如果使R\(_{4}\)×ICQ2>R\(_{1}\)ICQ1,即图中N点电位高于M点电位,阻尼管D\(_{1}\)处于反向偏置,其等效交流电阻则很大,对回路L1C\(_{1}\)影响很小。当外来信号加大时,AGC电压UP加大,使BG\(_{2}\)集电极电流ICQ2减小,导致N点电位下降,阻尼管D\(_{1}\)趋向于导通,其等效交流电阻减小,这就相当于一个电阻并联于回路L1C\(_{1}\)两端,使其等效Q值下降,谐振阻抗R0减小,因而使混频级电压放大倍数降低。当外来信号很强时,阻尼管D\(_{1}\)导通,其正向电阻与R3串联,相当于一个较小的交流电阻并联在回路L\(_{1}\)C1两端,使回路等效Q值大大下降,电压放大倍数则进一步降低,因而使中放输入信号电压减小,又一次起到自动增益控制的作用。
由前面的分析可以看出,BG\(_{1}\)及BG2的集电极直流电流I\(_{CQ1}\)、ICQ2及阻尼二极管的偏置电阻R\(_{1}\)R4的大小,直接影响到阻尼管的偏置电压,而I\(_{CQ1}\)及ICQ2一般已根据混频及反向AGC工作点的要求给定,因此阻尼管的偏压就只取决于R\(_{1}\)R4的大小。当R\(_{1}\)较小、R4较大,在无信号电压输入时,阻尼管两端反向电压较高,意味着只有I\(_{CQ2}\)下降较大时,阻尼管才能导通、交流电阻才能有较大的变化,这说明AGC动作迟缓。反之,阻尼管两端反向电压低,ICQ2变化较小,阻尼管的交流电阻就能有显著的变化,说明AGC动作灵敏,所以适当选取R\(_{1}\)、R4,即可调整开始控制时的电流值。
为了说明阻尼二极管AGC电路与反向AGC电路的关系。我们设想在收音机输入端加入一个由弱逐渐增强的信号。当输入信号开始增大时,反向AGC电路即开始控制,使I\(_{CQ2}\)变小,增益降低,结果使输出电压的变化减小。而在这时,阻尼管的反向电压虽然也逐渐减小,但交流电阻的变化并不显著。只有当输入信号增大到某一电压,ICQ2相应下降到某一电流值时,阻尼管交流电阻才有显著的变化。使增益明显降低。也就是说,在反向AGC作用后延迟至一定电压,阻尼二极管AGC才动作,继续对强信号进行控制。所以常常称反向AGC电路为一次AGC电路,阻尼二极管AGC电路及其它这一类电路为二次AGC电路,又叫延迟式AGC电路。

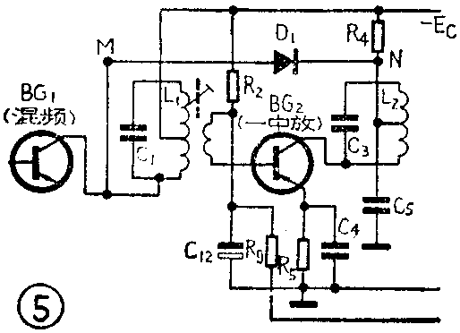
阻尼二极管AGC电路的另一种常用的形式如图5所示。与图4相比,去掉了图4中的C\(_{2}\),短路了R1。这样M点的电位即为-E\(_{C}\)。当ICQ2较大时,阻尼二极管两端的反向电压较高,阻尼管中虽有反向饱和电流,但交流电阻却非常大,对BG\(_{1}\)输出回路L1C\(_{1}\)影响很小。当ICQ2很小时,阻尼二极管两端反向电压较小接近零,此时,二极管中反向电流虽然更小,但交流电阻却大大下降,使回路L\(_{1}\)C1的等效Q值降低,起到二次AGC的作用。这个电路的阻尼二极管在控制过程中两端电压始终是反向的,这一点与图4电路不同。
阻尼二极管AGC电路的优点是控制效果明显,能有效地抑制强信号进入中放级输入端。缺点是起控后BG\(_{1}\)输出回路L1C\(_{1}\)的等效Q值下降,将使回路通频带加宽,选择性变差,但由于此时输入信号较强,干扰信号的影响并不大,而由于通濒带变宽,却可以使音质得到一定的改善。(刘铁夫)