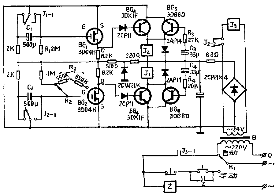
有些场合需要排风扇(或别的用电器具)日夜定时时开时停,下面介绍一种自动通断器电路,见附图,通的时间(即排风扇开启时间)固定为15分钟,而断的时间(即排风扇停止时间)可由开关K\(_{2}\)选择为10、15、20分钟三档。

BG\(_{1}\)、BG3和BG\(_{2}\)、BG4组成两个延时电路,它们带动的继电器J\(_{2}\)、J1相互控制延时起始。当K\(_{1}\)扳向“自动”位置,因为BG5、BG\(_{6}\)的基极分别通过C3、R\(_{3}\)和C4、R\(_{4}\)有一充电电流,使BG5、BG\(_{6}\)导通,J2、J\(_{1}\)吸合,选择C3R\(_{3}\)和C4R\(_{4}\)使J2、J\(_{1}\)吸合的时间足以使电容C1、C\(_{2}\)充上15伏电(左正右负),实际上J1吸合4秒钟,J\(_{2}\)更长(因为C3R\(_{3}\)>C4R\(_{4}\),且BG5、BG\(_{6}\)两管参数相近),当J1释放时,J\(_{2}\)尚未释放。而J1释放后,由于电容C\(_{1}\)两端电压不能突变,导致BG1的V\(_{GS}\)跃变为-15V,BG1截止、BG\(_{3}\)饱和,从而维持了J2保持吸合(尽管BG\(_{5}\)在BG6之后相继呈开断状态),J\(_{2}\)的接点使继电器J3吸合,它的常开触头闭合使排风扇接通电源。此后,C\(_{1}\)通过R1放电,V\(_{GS}\)缓慢上升,当BG1的V\(_{GS}\)≥-1.5V时,VDS≤1V,致使BG\(_{3}\)截止,J2释放,使J\(_{3}\)失电,常开触头断开使排风扇断开电源。J2释放又导致BG\(_{2}\)截止、BG4饱和、J\(_{1}\)吸合,如此循环不止。
从以上分析可知,某一延时电路延时的终止,即是另一延时电路延时的开始。而BG\(_{5}\)、BG6电路的设置则保证这种循环得以开始,并且循环开始必定是J\(_{2}\)保持吸合,即排风扇开启是循环的初态。
由于排风扇通断时间无须非常精确(实际制作结果时间误差甚微),因而电路结构较简单。元件方面只要求两只场效应管在V\(_{GS}\)=0V时有VDS≤1V即可,其余无特殊要求。所用电阻除滤波电阻68Ω为1/4W外,其余可用1/8W,当然,放电电阻R\(_{1}\)、R2的功率选得适当大些对稳定通断时间有利。
通断器电路功耗0.8W,变压器B要供应J\(_{3}\)线圈用电,故其功率选8W即有余。(西南制约三厂 郑利生)