电源是电视机中不可缺少的一个组成部分。电源质量的优劣对电视机的性能影响很大。一般要求电源的纹波在0.05%左右,对于12伏稳压电源来说,要求纹波电压小于5~10毫伏。电源的纹波过大,对伴音部分来说,将会在喇叭中产生令人讨厌的交流哼声;对图象部分来说,还会使画面出现干扰横条和扭曲,严重时还可能破坏同步。
稳压电源的性能除了取决于元器件的质量和调整的好坏以外,还与电路的布线是否合理关系很大。在实际制作中,往往因一根走线或一个焊点位置不当,就会使纹波加大。此时检查各晶体管的直流工作点和电解电容的容量等都会是正常的。这种由布线不良引起的纹波,很难通过更换元件和调整电路来消除。
要使稳压电源的布线合理,关键有两点:(1)在布线中,要防止交流回路的电流通过直流回路;(2)取样电路必须紧靠电源滤波电解电容器。
为了说明问题,先举几种不合理布线的例子:

图1是整流二极管D\(_{1}\)、D2的正极与接地点相距过远的一种电路布线。这种布线,将使交流电流流经地线,然后再回到电解电容C\(_{1}\)。这就使地线中产生的交流压降,部分地进入取样放大管,使输出直流电压的纹波增大。另外,电解电容C1至总接地点之间的交流压降,也将叠加在输出端,使输出直流电压中的纹波增大。

图2是电解电容安装在金属构件上,电容的负端通过导线与印制板的地线相连,总地线设置在D端的电路布线。它使交流电流在地线AD中通过,一部分交流压降加在取样管发射极(B点)和基极(C点)之间,使输出电压的纹波加大。另外,CD之间的交流压降也会叠加在输出电压上,如图 3(a)所示。大家知道,稳压电路的作用是使输出端与取样基准点的相对电压保持一定,如图3(b)所示。一旦取样基准点的电压受到波动,如图3(c)所示,这时稳压电路本身就无法加以抑制了。

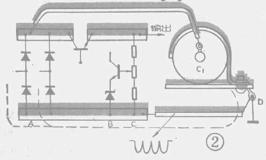
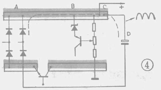
图4是电源调整管位于地线一端时的一种电路布线。在直流电压输出端有交流电流通过。它除了使BC间的交流压降进入取样放大管引起纹波外,CD间的交流压降还会叠加在输出电压上,使纹波增大,而且CD引线越长,叠加上的纹波就越大。

在上述几种电路布局中,造成输出纹波电压增大的原因,都是因为交流回路的电流通过了直流回路。所以,在考虑印制电路板的布线时,必须注意将交直流回路分开。下面介绍几种较合理布线的做法,供大家参考。
1.正确连接、布置电解电容器
在图5(a)中,将电解电容器的负极用一根导线单独接至整流管,构成交流回路。这种连接方法,除了电解电容器的负极共用外,再没有公用段,所以在直流回路中不会有交流压降。虽然电解电容的正端同时有交直流电流通过,也会在引线上产生一定的交流压降,但与整流后的交流纹波电压相比,是很小的。更重要的是,由于电源调整管的抑制,使纹波不能进入电源输出端。图5(b)是电源调整管在电源负端的情况,考虑布线时,与图5(a)相似。

在实际布局时,要尽可能将电解电容与印制板靠近,连接电解电容的导线应尽可能粗一些,这对减小电源内阻有利。当电解电容与调整管都装置在板外时,电解电容与调整管之间的连线应在板外直接连接。对于小功率的稳压电源,滤波电解电容的体积不大,允许安装在印制板上时,可按图6的方法排板。电解电容器的负极靠近地线铜箔,总地线从靠近电解电容负极的部位引出。当调整管在电源的负端时,电解电容器的正极应靠近电源正端的铜箔,电源也应从靠近电解电容器的正端引出。

2.妥善选择总接地点和引出点
总接地点应选择在电解电容器上,直流电压应从调整管上引出,这样负载与取样电路的公用线段最短,避免负载电流波动影响基准电压。总地点是供电路板接地用的,合理的总地点只能有一个,要避免到处设置地线。当电解电容器安装在金属构件上时,地线可按照图7的方法设置。

3.调整管和滤波电解电容器应靠近印制板
电源部分应尽可能排在单独的印制板上,这样印制板的面积可小一些,便于放置在靠近调整管和滤波电解电容器的位置上。如果与其它电路共用印制板时,一方面应注意使调整管和电解电容器靠近电源部分,尽可能缩短引线;另一方面应将电源部分的元件排列紧凑些,电源部分的地线和电源线不能与板内其它电路混用。
4.解决好电源变压器次级的接地问题
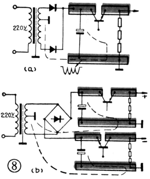
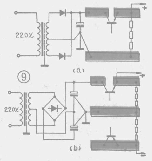
除了桥式整流外,有时还会遇到电源变压器次级需要接地的电路,加全波整流或复杂的多组电源等。这时不能象图8那样,将电源变压器次级在变压器附近就近接地。这样会使交流回路的电流从次级的接地点经过金属构件、总接地点、印制板至电解电容器的负端,从而使地线中的交流纹波电压增大。所以当变压器次级有接地端时,不论整流形式如何,都应该用导线与电源滤波电容连接起来。在布线时,同样要考虑交直流回路分开的问题。变压器次级不能重复接地,更不能作为总地用,比较合理的布局如图9所示。(郑诗卫)

