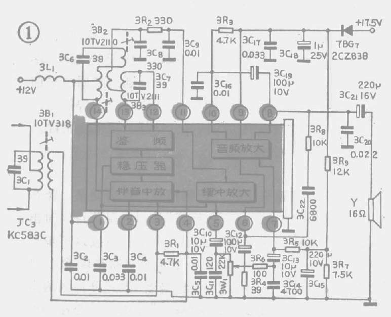
集成电路KC583在电视机中起第二伴音中频放大、鉴频和音频放大器等电路的作用。其正常工作电压及各脚对地的电阻值见表1。现以飞跃牌12D4型电视机为例(电路见图1),介绍一下常见故障的检修。


有图象,无伴音
电视机有图象而无伴音,说明故障发生在伴音通道或音频放大部分。在图1中,电容3C\(_{1}\)0(10μ)是上述两部分的耦合电容。要确定故障部位,可把音量电位器3W1与印制板之间的连接插头拔去,然后用手去触集成电路低放输入端⑦脚,如果喇叭里发出“嘟嘟”的低频声,或者用万用表交流电压档在喇叭两端可测得2伏左右的电压,说明集成电路音频放大部分正常,故障发生在伴音通道,反之,表明音频放大器有故障。
1.音频放大器故障检修步骤:
(1)首先用万用表检查喇叭的直流电阻,正常时为14Ω左右。如果喇叭的直流电阻值很大,说明音圈断了;如果测得的直流电阻值很小,可能是喇叭不接地的引出焊片与喇叭盆架短路的缘故,此时只要把喇叭盆架上的通地线焊掉即可。也可能是喇叭音圈被短路,需要换新。
(2)如果检查喇叭正常,然后测量音频输出级的工作电压,即⑨脚电压,正常时应为17.5伏。如果⑨脚无电压或者电压较低,可检查二极管7BG\(_{7}\),看是否开路。如果7BG7正常,再检查滤波电容3C\(_{17}\)、3C18,看是否击穿或漏电。
(3)如果⑨脚电压正常,接着再检查音频输出级中点⑧脚电压,正常时为8.7伏。当⑧脚电压升高时,应检查音频放大电路输入端⑦脚电压。由于⑧脚电压是由⑦脚的偏置电压决定的。而⑦脚电压是由偏置电阻3R\(_{5}\)、3R7、3R\(_{9}\)分压供给的。如果⑦脚电压也升高,可能是3R7开路或阻值变大引起的。如果⑦脚电压也正常,就可能是集成块损坏了,此时⑧脚或⑦脚对地电阻也就不正常了。当⑧脚电压降低时,应先检查⑦脚电压。如果⑦脚电压也偏低,则应检查3R\(_{5}\)、3R9是否开路或阻值变大,3C\(_{15}\)是否短路或漏电。这些元件发生故障均会使⑦脚电压降低,从而使⑧脚电压也降低。如果⑦脚电压正常,就应检查音频输出级的外围电路。当3R3断路,3C\(_{19}\)、3C22、3C\(_{21}\)、3C20短路或漏电时,都会使⑧脚电压降低。若上述元件均无损坏,就需要更换集成块了。
判断集成块的好坏时,首先应测量集成块各引出脚对地电压,如果不正常,然后再依次测量集成电路⑧、⑩、⑦、⑥脚对地电阻,如果测得结果与表1的数值相差很大,说明集成块已经损坏。
(4)如果音频放大部分各脚电压均正常,仍无音频信号输出,可分别检查耦合电容3C\(_{1}\)0、3C13、3C\(_{21}\),隔离电阻3R6,音量电位器3W\(_{1}\),以及喇叭、音量电位器与印制板之间的连接插头,看是否有损坏、开路或接触不良。在检修中,要注意喇叭与印制板之间的插头,不能插反,否则集成电路的输出端就会被插头上的接地线短路,使集成块损坏。
2.伴音通道故障的检修步骤:
(1)首先检查①脚电压,正常时为11.5伏。如果①脚电压为零,说明滤波电感3L\(_{1}\)开路或者是电容3C2、3C\(_{3}\)短路。如果①脚电压降低,说明3C2、3C\(_{3}\) 漏电。如果上述元件均良好,说明集成块损坏。
(2)然后再检查中周3B\(_{1}\)2\(_{3}\),看是否有短路和开路现象。由于3B1\(_{2}\)的次级和3B3的初级的直流电阻很小,所以用万用表只能测量其通断。但是3B\(_{1}\)2的初级和3B\(_{3}\)的次级直流电阻在1Ω左右,如果阻值变大,说明开路了;如果阻值变小,说明短路了。要注意,中周里的线圈不能与中周外壳短路。正常情况下,中周各线圈对地电阻应大于500Ω,如果某个中周线圈对地的电阻只有数十欧或更小,此时可将中周外壳小心地焊下来,如果短路现象消失,则应换一个中周。如果仍然还短路,说明与中周线圈相通的旁路电容短路了,或者是集成电路引出脚对地电阻异常造成的。
(3)再检查脚或脚的电压,如果有异常,则应检查电容3C\(_{8}\)、3C9,看是否短路。因为3C\(_{8}\)、3C9 短路后,鉴频器输出的音频信号也会被短路,所以无伴音输出。如果3C\(_{8}\)、3C9没有漏电或短路现象,而脚和脚无电压或电压很低,说明集成块损坏了。如果脚和脚电压正常,就应检查缓冲放大器脚的电压,此电压是经过3R\(_{2}\)供给的,当3R2开路时,脚电压即为零,因此缓冲放大器也就无音频信号输入。
(4)如果上述检查均正常,再接着检查③脚或④脚的电压,要是无电压或电压偏低,应拆去电容3C\(_{5}\)再量,若恢复正常,说明电容3C5损坏了,若③、④脚电压仍偏低,说明集成块损坏了。由于③、④脚是伴音通道差分放大器的输入端,所以很容易损坏。
(5)最后检查谐振回路的电容3C\(_{1}\)、3C6、3C\(_{7}\),这几个电容容量较小,如果有明显的短路或漏电,一般用万用表就能测出。如果变值或开路,就只好用相同容量的电容逐个代换试测了。
逐渐无声
刚开机时,声音还好,但不久声音就变得难听直至无声。同时发现⑧脚电压在慢慢地上升。这是由于交流负反馈旁路电容3C\(_{12}\)漏电或短路后,使音频放大器的反相输入端⑥脚电压下降,从而引起输出端⑧脚电压上升的。结果使音频输出信号失真,直至无输出。只要换一只新的电容即可。
伴音轻
通常造成伴音轻的原因有以下几个方面:
(1)如果在音频放大器⑦脚注入35毫伏的音频正弦波信号,那么在喇叭两端可获得4伏左右的电压。当交流负反馈旁路电容3C\(_{12}\)开路或容量不足,或者3R4开路或阻值变大时,就会加深交流负反馈,结果使音频放大器的增益降低,最大可降低40dB,所以造成音轻。
(2)如果在中周3B\(_{1}\)初级输入1毫伏、6.5MHz的调频信号,经过伴音中放放大和鉴频,在脚可获得大于65毫伏的音频信号。当旁路电容3C5开始时,增益要降低10dB左右。因此引起音轻。
(3)如果中周的磁心碎裂、线圈局部短路或调谐回路的电容变值,就会使6.5MHz的伴音中频发生偏移,结果造成音轻。修理时,微调3B\(_{1}\)2\(_{3}\)的磁心,那个调节作用最迟钝,故障就在那一级。
伴音失真
二极管7BG\(_{7}\)的正向电阻,用万用表R×1档测量,一般应小于50Ω。如果二极管的质量不好,正向电阻较大,就会增大电源的内阻,结果使⑨脚电压降低或者随着声音发生大幅度的变化,造成伴音失真。
低音不丰满
造成低音不足的原因有:①去加重电容3C\(_{9}\)开路或容量不足,使音频信号里的高音成分过多,所以显得低音不足;②反馈网络3R8、3C\(_{22}\)接在输出端⑧脚与反相输入端⑥脚之间,它对低音频具有一定的提升作用。若3R8开路或阻值变大,或者3C\(_{22}\)开路,均会造成低音不足。
音量开足时,有“咕咕”声
当音量电位器3W\(_{1}\)旋至最大位置时,喇叭里发出“咕咕”的杂音。原因是集成电路的屏蔽壳接地不佳,使得在大信号输出时,输出电流通过地回路对前级放大器造成干扰。修理时,可按图2所示焊接点,把屏蔽壳与印制板铜箔焊接好。这样故障就会消除。

有蜂音
当鉴频回路失谐时,调幅抑制比就会变差,伴音里就会出现“蜂音”。这种“蜂音”是和电视节目同时出现的,所以电视台停播时就不存在了。可按以下步骤进行检修:先检查中周3B\(_{3}\),看是否有断路现象;再微调3B3的磁心,看能否找到“蜂音”被充分抑制的最佳位置,如果能找到,说明“蜂音”是由于磁心松动引起的;再检查回路电容3C\(_{6}\)、3C7,看是否变值;最后再更换中周3B\(_{3}\)。
当伴音中频放大器的旁路电容3C\(_{4}\)开路时,就会使鉴频器的S曲线发生畸变,如图3所示。这时,就会使伴音发生阻塞现象,而且使“蜂音”增大。

交流声
除整流电路故障外,交流声的故障通常发生在音频放大部分。当滤波电容3C\(_{15}\)或自举电容3C19开路时,电源里的交流纹波电压就会进入音频放大电路,所以喇叭中就出现了“嗡嗡”的交流声。3C\(_{15}\)开路引起的交流声很大。3C19开路,除产生轻微交流声外,输出功率也要受影响,音频信号输出在300毫瓦时,就开始失真。
音量开足时,图象跳动
这种现象是由于伴音干扰图象造成的。如果图象跳动的同时,画面上还出现有噪声黑点,这是由于喇叭音圈引出的铜编织线与金属盆架磨擦产生的,只要把铜编织线整整形即可。或许是喇叭音圈与其心柱磨擦产生的,需要换新的。另外,当音频放大电路存在寄生振荡时,迭加在音频信号上的高频自激信号就会向外辐射,干扰图象。此时应检查反馈网络中3C\(_{22}\)、3R8,看是否开路或变值,电容3C\(_{2}\)0、3C17是否良好。(郁景祉)