采用OTL方式的晶体管场扫描输出电路,以下简称OTL场输出电路,能避免使用笨重的扼流圈或场输出变压器,以及由此引起的场扫描电流的失真,同时由于OTL场输出电路的输出阻抗低,容易和场偏转线圈匹配,能实现场输出电路的集成化。因此,近年来在电视机中,获得了越来越广泛的应用。
泵电源供电方式(或称两种电源切换供电方式)的OTL场输出电路是针对场扫描的特点,在扫描正程和逆程期间分别以不同的电源电压供给场输出级,从而提高了OTL场输出电路的效率,降低了场输出晶体管的功耗,为采用较小功率的晶体管作场输出管创造了条件。尤其是在偏转角度比较大、偏转线圈的阻抗比较高的场输出电路上,采用泵电源OTL场输出电路更具有明显的优点。
场扫描输出电路的特点
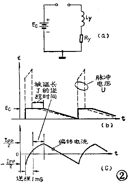
我们都知道:要使电子束能在荧光屏上做上下均匀地移动,就必须给电子束加上一个均匀变化的水平磁场,也即给场偏转线圈提供一个锯齿形变化的场扫描电流,它的正程时间为19mS,逆程时间为1mS。如图1a所示。

在理想的工作状态下,场扫描电流峰峰值I\(_{PP}\)的幅度为IPP=E\(_{C}\)/Ry。这里E\(_{C}\)为电源电压,Ry是场偏转线圈的电阻。事实上,场偏转线圈不仅有电阻而且还有电感L\(_{y}\),而电感线圈的一个重要特性就是通过它的电流不能突变,如果突然改变电感线圈中的电流方向,线圈两端就会产生很高的脉冲电压U,而U=Ly·I\(_{PP}\)/T,这里T就是所要求的电感中电流IPP改变方向的时间。由这个关系式可知:当L\(_{y}\)和IPP一定时,时间T越短,脉冲电压U越高,因场扫描的逆程时间1mS远小于正程时间19mS,所以不可避免地要在逆程时间产生一个高脉冲电压U,它比场扫描正程期间所加的电源电压E\(_{C}\)高得多。例如:有一个场偏转线圈要求偏转电流IPP=0.26A,线圈电阻R\(_{Y}\)=46Ω,电感Ly=110mH。只要E\(_{C}\)=IPP·R\(_{y}\)=12V就可以满足偏转线圈所要求的电流值,但由于电感的作用,使其在逆程期间将产生U=Ly·I\(_{PP}\)/T=28V的脉冲电压。U大于EC二倍多,随着偏转线圈电感L\(_{y}\)的增大,U的数值还能更大一些。由于偏转线圈电感的作用,使其两端的电压波形成为图1b所示的锯齿脉冲波。但是,如果在逆程期间把场偏转线圈直接接到电源电压EC上,见图2a,由干E\(_{C}\)低于U,所以偏转线圈两端应该产生的脉冲电压U就出现不了了(如图2b虚线)。因此,场偏转线圈里的负向最大电流-IPP/2就不会在所要求的时间内(1mS)改变到正向最大电流+I\(_{PP}\)/2,而是如图2c所示那样,按照指数规律逐渐上升,这将大大地延长场扫描逆程时间,因而直接影响图象上下部分的重视率,并使图象上部的垂直线性变差。

在使用扼流圈或场输出变压器的场输出电路中,如图3。由于扼流圈或输出变压器的初级电感量远大于偏转线圈的电感量,所以在场扫描逆程期间,尽管仍然用电源电压E\(_{C}\)供电,但是,由于在偏转线圈和电源之间接有扼流圈或场输出变压器,起到了隔离作用,所以就不会影响场偏转线圈两端的脉冲电压U的出现,从而保证了所要求的场扫描逆程时间。

OTL场输出电路的效率
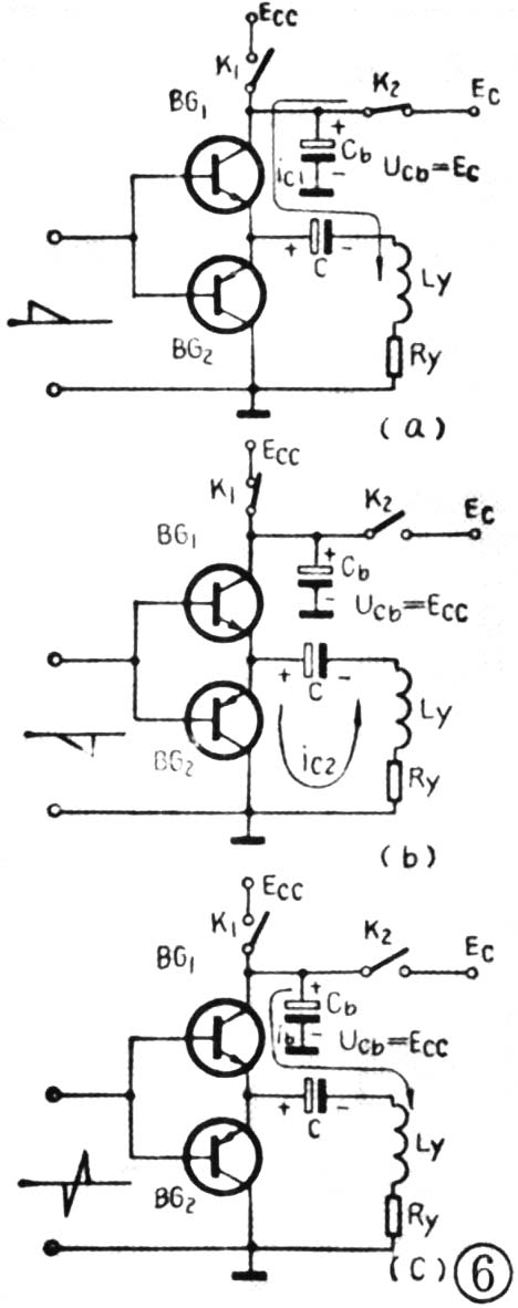
图4是一个单端推挽OTL场输出电路。为了简化讨论,把自举电容偏置电路等附加元件均予忽略。图中BG\(_{1}\)和BG2是一对互补型晶体管。假定在场扫描正程和逆程都用电源电压E\(_{C}\)供电,当不考虑晶体管饱和压降和场偏转线圈的分布电容等影响的理想工作状态下,场扫描正程前半段,输入锯齿波电压为正电压,这时晶体管BG2由于是PNP管,因而是反向偏置,所以截止。晶体管BG\(_{1}\)由于是NPN管为正向偏置所以导通。电源电压EC提供了晶体管BG\(_{1}\)的集电极电流ic1,并通过耦合电容C流入场偏转线圈,形成屏幕的上半部分光栅,它的最大值i\(_{c1}\)=+IPP/2。与此同时,电容C也被充电。当场扫描正程前半段结束以后,输入锯齿波电压为负电压,电路开始进行正程后半段的场扫描,这时晶体管BG\(_{1}\)截止,BG2导通。电容C在场扫描正程前半段所充电荷为BG\(_{2}\)管提供了集电极电流-ic2,它与i\(_{c1}\)方向相反,所以是负值,这就形成了下半部分光栅,它的最大值-ic2=-I\(_{PP}\)/2。

当场扫描正程结束,逆程开始以后,输入锯齿波电压以比正程快19倍的速度从负电压的最大值转向正电压的最大值。因此,晶体管BG2突然截止BG\(_{1}\)突然导通。这时场偏转线圈内的电流也由-IPP/2突然转向+I\(_{PP}\)/2。由于线圈的电感作用,这时偏转线圈两端应该产生很高的脉冲电压U,但这时BG1管处在导通状态,电流i\(_{c1}\)很大,它的内阻很小,如果忽略,就可以认为是把电源电压EC直接接到场偏转线圈上。这样,脉冲电压U就出现不了了,并延长了场扫描的逆程时间。
目前OTL场扫描输出电路,为了不使场扫描逆程时间延长,不得不按脉冲电压U把电源电压E\(_{C}\)提高到ECC值,即E\(_{CC}\)=U。这样在逆程期间就不会把场偏转线圈两端所产生的脉冲电压U削去,以保证场扫描有足够短的逆程时间来满足要求。
可是在OTL场输出电路中,把电源电压从E\(_{C}\)值提高到ECC值后,就会大大增加晶体管BG\(_{1}\)的功耗。这是由于在场扫描正程前半段,BG1管导通期间,BG\(_{1}\)管要多承受ECC-E\(_{C}\)的电压如图5a所示。这时,BG1管是工作在线性放大状态,它的功耗为它在导通期间所承受的电压和电流(即偏转线圈的电流)的乘积。很显然,此时BG\(_{1}\)管的功耗P要比BG2管的功耗大很多,如图5b所示。BG\(_{1}\)管的功耗,最高时要比BG2管的功耗大8倍左右,所以使用高的电源电压E\(_{CC}\)供电的结果将大大降低OTL场输出电路的效率。

由上面分析可以看出:OTL场输出电路,只有在逆程期间才需要高的电源电压,以满足对回扫时间的要求,而在场扫描中占据大部分时间的正程期间,只要用低的电源电压E\(_{C}\)供电,就能满足场扫描正程时间的要求。由此可知,OTL场输出电路效率低的根本原因正是在于在场扫描正程期间也使用高的电源电压供电造成的。
泵电源OTL场输出电路的原理
这种电路就是采用两种不同的电压来供电的OTL场扫描输出电路。在场扫描正程期间用低的电源电压E\(_{C}\)供电,而在逆程期间用较高的电源电压ECC供电,这样既能保证场扫描的逆程时间,又能减少场输出晶体管的功耗。下面以图6来说明它的工作原理,图中C\(_{b}\)是泵电容。

当电路处在图6a所示情况,即开关K\(_{1}\)断开、K2 接通,将BG\(_{1}\)管接于低的电源电压EC,这时在输入正向锯齿波电压作用下,BG\(_{1}\)管导通,BG2管截止,电路由E\(_{C}\)提供BG1管集电极电流i\(_{c1}\),以完成场扫描正程前半段的扫描。同时对耦合电容C和泵电容Cb充电,使C\(_{b}\)所充电压大致等于EC。
当输入为负向锯齿波电压时,电路处于图6b所示状态,即BG\(_{2}\)导通、BG1截止,同时开关K\(_{1}\)接通、K2断开。耦合电容C在场扫描正程前半程期间所充的电荷,为BG2\(_{管}\)提供了集电极电流-ic2,完成场扫描正程后半段的扫描。由于K\(_{1}\)的接通,泵电容Cb被接到高的电源电压E\(_{CC}\)上,在场扫描正程结束时,被充电到ECC值或称为泵到E\(_{CC}\)值如图7a虚线所示。在这段期间,BG1管由于处于截止状态,无集电极电流,所以BG\(_{1}\)管没有功耗。

当场扫描正程结束后,电路转入逆程工作阶段,开关K\(_{1}\)、K2均断开,如图6c所示。由于晶体管BG\(_{1}\)和泵电容Cb直接相连,此时BG\(_{1}\)在Cb所充电压U\(_{cb}\)(Ucb=E\(_{CC}\)=U)的作用下,迅速导通,这样就保证了足够短的场扫描逆程时间。同时泵电容Cb通过BG\(_{1}\)管迅速放电,到逆程结束时,被释放到EC值。然后,又转为输入正向锯齿电压,开关K\(_{2}\)又接通,电路又重复上述过程。
由于在场扫描正程前半段BG1管导通时,OTL场扫描电路是由低电压供电,所以在理想情况下晶体管BG\(_{1}\)所承受的电压为图7a阴影所示,它和采用ECC供电的OTL场输出电路(如图5a)比较,所承受的电压要低得多。晶体管BG\(_{1}\)的功耗如图7c所示,它与图5c相比较也大大降低,并且BG1和BG\(_{2}\)管的功耗基本相等。
虽然在逆程期间采用高的电源电压E\(_{CC}\)供电,BG1管和BG\(_{2}\)管的功耗都比较大,但逆程时间却很短,这两只晶体管的平均功耗也比较小。所以采用泵电源OTL场输出电路,可以提高电路的效率和元器件的可靠性,降低整机的耗电。
从上述可以看出,泵电容C\(_{b}\)的容量的选取很重要,其容量应该选得在场扫描正程结束时,能被充电到ECC值;在逆程结束时,又能正好放电到E\(_{C}\)值。如果Cb在逆程结束后,其电压高于E\(_{C}\)值,则会增大晶体管BG1的功耗;若C\(_{b}\)在逆程结束之前就提前放电完了,显然就会延长逆程时间,影响正程的扫描线性。(待续)(朱元芳)