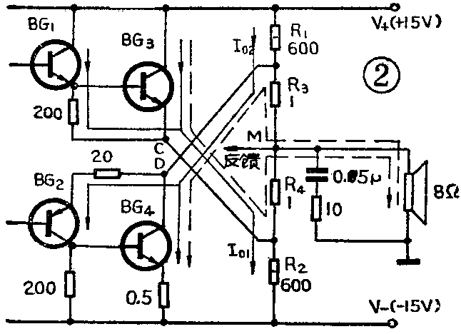
用分立元件安装的晶体管OCL扩音机,刚开机的瞬间,由于反馈电容C\(_{F}\)暂时视为短路,破坏了电路的平衡条件,所以输出端中点(图1中的M点)电位往往不为零,偏离很大,于是喇叭中常受到很大的瞬态电流冲击。这个问题一直是很讨厌的。我通过试验,发现适当改变一下功放级的电源供电方法,将原电路改成如图2所示的电阻分压法供电,可有效地降低开机时的冲击声。


图2中,实线箭头表示功放级的直流电源供电路线,虚线箭头表示交流电流流通路线。在刚开机瞬间,电源通过R\(_{1}\)、R2使末级很快建立起正常的工作点,输出端中点电位提前稳定在零伏左右,使开机时中点偏移电位一般不大于几十毫伏,这样就可以大大减低喇叭中的冲击声了。采用这种方法以后,对减小末级的小信号交越失真也很有效。通过实际测试证明,没有加这种电路以前,失真度在1%以上;采用电阻分压办法以后,失真度降低到0.5%以下。
R\(_{1}\)、R2可以这样来计算:R\(_{1}\)=R2=V\(_{+}\)/Io。I\(_{o}\)为末级管在最佳工作点时的静态电流,V+为电源正电压值,如果V\(_{+}\)=15伏,Io取0.025安,则R\(_{1}\)=R2=V+/I\(_{o}\)=15/0.025=600欧。R3和R\(_{4}\)取1欧即可。
应该注意:采用这种办法来降低电流冲击,必须以整个电路基本调试好了为前提。如果元件选择不合理,管子不对称,输出中点电位仍会有较大偏移。因此,安装完毕以后还必须对电路细心调试。另外,这种方法较适合于家庭用10瓦以下的小功率扩音机。如果扩音机功率很大,在分压电阻上的损耗也加大,就不适于用这种办法了。(刘春熙)