这种扩音机有两个特点:①高、低音音调调节范围达到最大限度。我们知道,一般常见的衰减式音调控制电路,是在中音的基础上提升或衰减的,调整范围有限,常常不能满足要求。本机的音调控制电路由高、中、低三个有源滤波器组成,高、中、低音可分别从零调到最大功率输出。因此爱好者可根据所收节目的特点和个人的爱好,很方便地调到满意的音色;②线路简单、调试方便。
本机电源电压为±12伏~±15伏。因为集成运放电路全部采用业余品,所以电源电压不能取得太高,如果超过±15伏,则有可能损坏集成块。本机的指标为:频率响应20赫~20千赫;在±15伏电源电压、8欧负载条件下,不失真输出功率大于6瓦;噪音电压小于10微伏(Rg=47千欧);灵敏度小于20毫伏。
线路原理简介
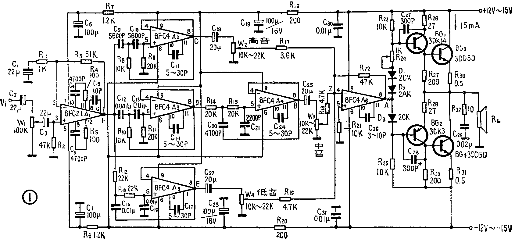
CE803型扩音机的线路见图1,印刷线路板见图2。A\(_{1}\)为前置放大级,A2\(_{5}\)为音调调节电路,A6为激励级,功放级由分立元件组成。


对第一级A\(_{1}\)的要求是:其输入端应与信号源的阻抗及电平相匹配;输入噪声低;漂移小;具有一定的增益,以便为下一级的音调调节电路提供适当的电平。为此,A1连接成同相输入比例放大器,放大倍数为(1十R\(_{3}\)/R1)≈50。C\(_{1}\)和C3的作用是衰减10赫以下的低频噪声,并具有隔直作用。图1中,R\(_{2}\)≈R3,此时输入级近似对称偏置,可减小本级的失调电压。若在R\(_{3}\)两端用波段开关接入适当的RC网络,则可对信号进行频率均衡(具体均衡方法请参看今年第4期有关文章)。输入级的输入阻抗并不是越大越好。实践证明,阻抗太大,噪声就大。当输入阻抗为50千欧左右时,效果最好。
音调控制级分高、中、低三个通道,可独立调节,调节范围都可从零调到最大功率输出。音调调节电路分别由二阶的高通、低通和带通有源滤波器组成。为了使中音带通滤波器内频率特性平坦度好,中音带通滤波器又由高、低通两个滤波器复合组成。几个截止频率可通过下式计算:高音通道截止频率f\(_{H}\)=1/2π\(\sqrt{R}\)8·R\(_{9}\)·C9·C\(_{1}\)0=1/6.28(5600×10\(^{-12}\))2×10×20×10\(^{6}\))≈2千赫;低音通道截止频率fL=1/2π\(\sqrt{R}\)\(_{12}\)·R13·C\(_{15}\)·C16=1/6.28(22×103)\(^{2}\)×(0.01×10-6)\(^{2}\) ≈720赫;中音通道高端截止频率f\(_{MH}\)=1/2π\(\sqrt{R}\)14·R\(_{15}\)·C20·C\(_{21}\)=1/6.28(20×103)\(^{2}\)×47×22×10-20≈2.5千赫,中音通道低端截止频率fML=1/2π\(\sqrt{(R}\)\(_{1}\)0·R11·C\(_{12}\)·C13)=1/6.280.047×0.01×10\(^{-}\)12×10×20×106≈530赫。为了确保音调调节效果,滤波器的R和C的数值不要轻易变动。
运算放大器A\(_{6}\)是一个反相输入连接的加法器,它将从高、中、低三个通道来的信号在“Z”点相加,再进行放大。适当调整R22的阻值,可将整机增益调整到最佳程度。A\(_{6}\)的同相输入端接一个10千欧左右的电阻,可使输出中点电压更接近零伏。
在本文所介绍的线路中,因为集成运放块A\(_{6}\)所使用的电源电压一般不应超过±15伏,因此整机不失真输出功率受到限制,只能保证不小于6瓦。再者高、中、低三个通道的信号是在A6前合成再放大的,所以每个通道的输出功率就受到总的放大量的限制,不能做到高、中、低音独立输出6瓦。同时,还不可避免的存在信号合成时的相移问题。为了克服上述缺点,使电路性能更加完善,业余爱好者可将上述电路改造成一个前置级三路分频的高传真扩音机。这种扩音机的特点是高、中、低音的输出端不在图1中的Z点相加,而是通过三组相同的激励和功率放大级,分别去推动高、中、低音扬声器,电路程式见图3。这种办法的优点是电路性能好,比在喇叭端分频效果好得多。缺点是要多增加两套激励和功率放大级,要用高、中、低三只扬声器,成本高一点。

组装与调试
本机因为采用集成运放块,所以组装、调试很简单。组装好并检查焊接无误后,可将可调电阻R\(_{24}\)放在阻值最小位置(注意:千万不能开路),于是可接通电源进行测试。
第一步先用万用表测试各运算放大器输出端的对地电压,在正常情况下,都应在零伏左右(小于0.5伏)。如果电压值偏高,应检查集成运放块的好坏、管脚有否虚焊、电源偏置电路中的有关元件是否损坏等。第二步是待电压值正常以后,用焊锡将A\(_{6}\)输出端(第8脚)与D2负极之间接通(为了调试时安全起见,原电路板上这两点之间是暂时断开的),缓缓增大R\(_{24}\)阻值,使大功率输出管的静态电流为15毫安。然后切断电源,用万用表欧姆档测出R24的具体数值,用等于或略小于该阻值的固定电阻代替,整机即调试完毕。
“调零”和“消振”是运用集成运放块装配扩音机时常遇到的两个问题。具体方法视集成运放块的品种而定。在本文中,集成运放块工作于交流放大状态,调零问题不太突出,为了简化线路,将调零元件取消了。消振问题比较重要。如果补偿太深(补偿电容取得太大),将会使频带太窄。试听时,可感到高音提升不足;若补偿太浅,则扩音机可能产生自激,从喇叭中可听到刺耳的杂音。
另一个值得注意的问题是,从信号输入端到第一级运放块的输入管脚之间,其引线(包括音量电位器引线)应尽量缩短,并应采用屏蔽线。屏蔽线的一端应接地。

本文所采用的集成运算放大器为通用运放块,如果手头没有线路中所标明的集成运放块,可考虑用其它类型的代替。例如,A\(_{1}\)可采用8FC21、8FC3、8FC4、8FC5;A2\(_{5}\)可采用8FC3、8FC4;A6可采用8FC3、8FC4、8FC6等。这些管子都是北京东光电工厂产品,其它厂生产的产品型号可能不一样,但只要功能相近,也完全可代用。代用时,应特别注意管脚的排列及补偿条件。图4列出了几种集成块的管脚排列顺序及补偿条件,可供参考。在设计图2印刷电路板时,我们已经考虑了更换集成块时的排线情况,可以给读者提供很多方便。(曾新民)