TB4100系列集成电路是天津半导体器件厂生产的音频OTL功率放大器集成电路。该系列共分TB4100、TB4101、TB4102三个品种,分别在6伏、7.5伏和9伏下工作。其输出功率随负载阻抗而变。当负载阻抗为8欧时,输出功率分别为0.6瓦、0.9瓦和1.4瓦;当阻抗降为4欧时,输出功率为1瓦、1.5瓦和2.1瓦。如果使用两块相同型号的电路接成BTL电路,功率可成倍增加。在低电压下输出较大功率是TB4100系列的一大特点。该电路的另一特点是电压增益较高。其开环增益(即不加负反馈时的增益)约为70分贝;闭环增益(加负反馈时的增益)随负反馈的深度而异。一般来说当闭环增益调整到40~50分贝时,非线性失真低于1%。实用中只需30毫伏左右的推动电压就可输出满功率。另外,该系列的静态耗电较小,在上述供电电压下,负载电阻为4欧时只有15毫安。因此,特别适用于电池供电或交直流两用的收音机、录音机及对讲机中作低频功率放大之用。
内部线路简介


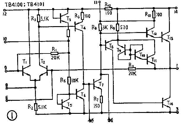
TB4100和TB4101的内电路见图1;TB4102的内电路除功放级偏置略有不同(图2)之外其他均相同。TB4100系列内电路由4部分组成。1.差分前置放大级由T\(_{1}\)、T2差分对及电阻R\(_{1}\)、R2、R\(_{3}\)组成。R2为共模负反馈电阻。音频信号从⑨脚或⑥脚输入,经放大之后从T\(_{2}\)集电极输出。2.第二电压放大级。来自T2集电极的信号由T\(_{4}\)放大。T6是T\(_{4}\)的有源负载,从T6集电极上取得放大了的音频信号送至下一级。T\(_{3}\)、T5为基极、集电极短接的二极管,与R\(_{4}\)、R5一起组成偏置电路,给T\(_{1}\)、T6提供偏置。3.激励级由T\(_{7}\)担任。R7为发射极电阻,用以提高该级输入阻抗。R\(_{8}\)为集电极负载。R10经脚外接大电容完成自举作用,使末级工作于共发射状态,以提高该级增益和末级输出功率。4.互补推挽功放级。T\(_{8}\)(PNP)与T14(NPN)组成复合管(PNP);T\(_{12}\)和T13是达林顿结构的复合管(NPN)。两个复合管构成互补推挽输出电路。并由T\(_{9}\)、T10、T\(_{11}\)组成偏置电路,使末级工作于甲乙类状态,以减小交越失真。由于TB4102工作电压较高,末级偏置电路中的T10接法上与TB4100、TB4101稍有不同,以保证整个系列的静态工作电流控制在25毫安以下。电路的输出信号由①脚输出,相位与⑨脚的输入信号相同。如用⑥脚输入信号,则输出信号与输入信号反相。
应用实例

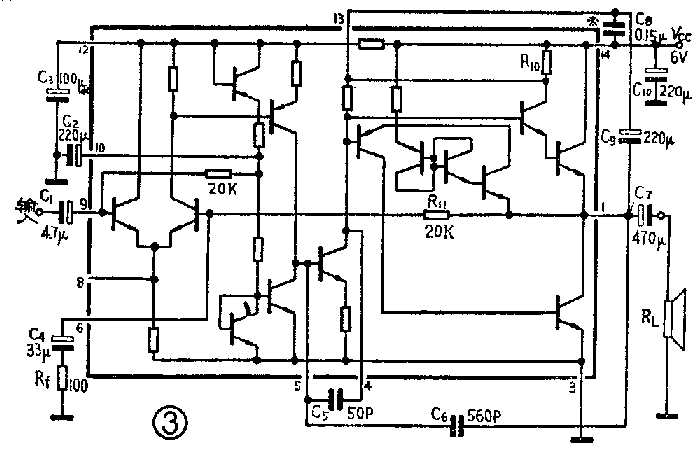
1.典型应用电路(图3)。这是一种较为讲究而保守的应用电路。图中C\(_{1}\)是输入耦合电容,起隔直流作用。C2、C\(_{3}\)是去耦电容,起滤波作用。Rf是负反馈电阻,它决定了电路的闭环增益,K\(_{f}\)=R11/R\(_{f}\)=\(\frac{20KΩ}{R}\)f。C\(_{4}\)是Rf的隔直流电容,其容量应满足C\(_{4}\)≥1/2πfLRf,其中fL是工作频带的下限。如C\(_{4}\)取得过小,则低频增益将下降。C5、C\(_{6}\)是消振电容,其作用是对高音频进行相位补偿,以免在加负反馈时产生自激。加大C5、C\(_{6}\) 容量,则工作稳定性增加,但频带变窄,高音频谐波失真加大。C7是输出电容,其容量应根据负载阻抗和工作频率下限来定,确定方法是C\(_{7}\)≥1/2πfLRL。C8实际上相当于跟负载并联,其作用是抵消扬声器在高音频时呈现的感抗,以防止自激振荡。C\(_{9}\)是自举电容,其容量应满足C9≥1/fLR\(_{1}\)0,如不满足这一点,将影响低音频的输出功率。C10是电源滤波电容。以上电容数值如按图3选取,并且RL取4欧,则此电路频响可从80Hz~20KHz,输出变化不超过3dB。此电路主要用于较为讲究的录音机或收音机中。由于该电路高音频响较宽,所以稳定性稍差。如果电路板走线排列不当,容易引起自激。图4给出了较为成熟的不致引起自激的印刷板排线图。

2.应用于便携式收音机(图5)。TB4100系列特别适用于便携式收音机。由于增益较高,用一块电路就可以代替整个低放电路。通过变换电源电压和扬声器阻抗,可以得到不同输出功率。这里仅以6伏8欧负载为例。由于调幅收音机的频响较窄(便携三、四级机为300Hz~3KHz),因此可将图3的电路转化为图5。这里加大了④、⑤脚之间的消振电容C\(_{5}\),取消了①、⑤脚之间的消振电容C6。由于所用的电解电容容量大大降低了,所以降低了成本。考虑到便携式收音机机箱较小,三、四级机又没有音调控制器,所以低音频最好能提升一些。图5中采用了外接负反馈低音提升电路。①脚的输出电压通过C\(_{11}\)和R13串联网络,与R\(_{f}\)分压,进行负反馈。由于C11的容抗随频率降低而增加,所以随着频率降低,负反馈越来越弱,就相对地提升了低音。应该指出,此时电路内部通过R\(_{11}\)的负反馈仍然存在。但由于C11和R\(_{13}\)的串联阻抗低于R11,所以内部反馈不起主要作用。该电路适于用4英寸或5英寸扬声器并用电池供电的便携机。

3.应用于录音机 TB4100系列在录音机中使用应注意稳定性。为此,将图3的C\(_{5}\)、C6分别增加到220pF和820pF。为提高电压增益,R\(_{f}\)降为27欧。电路的输入端可直接与录放音放大器的输出端相接。
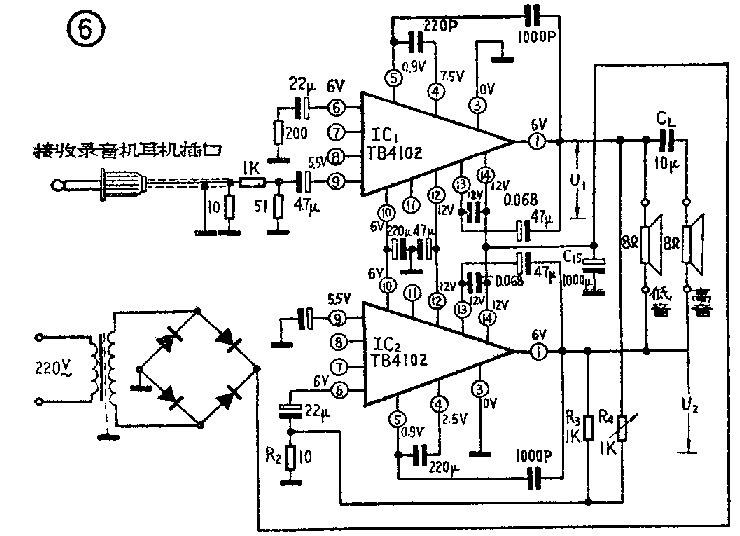
4.功率接续器 图6是一种BTL接法,这种接法的突出优点是在相同的低电压下可输出两倍于单块。OTL电路的功率,效率较高。该电路的工作过程大致是这样的:设音频正弦信号由IC\(_{1}\)的同相输入端⑨输入,经IC1放大,由IC\(_{1}\)的①脚输出同相的输出信号,设对地电压为U1。U\(_{1}\)经R4和R\(_{2}\)分压,衰减100倍,送到IC2的反相输入端⑥脚,经IC\(_{2}\)放大,由IC2①脚输出反相输出信号,设对地电压为U\(_{2}\)。由于IC2负反馈分压电阻比R\(_{3}\)/R2=100,因此IC\(_{2}\)的闭环增益也是100。因此正好抵消了R4和R\(_{2}\)的分压衰减,使得U2=-U\(_{1}\)。而负载阻抗(喇叭)是跨接在IC1①脚和IC\(_{2}\)①脚之间的,因此喇叭上的电压UL=U\(_{1}\)-U2=2U\(_{1}\)。由此可见BTL的输出电压是单块OTL输出电压的两倍。按理讲,输出功率应提高到4倍,但由于受末级功放管最大集电极电流Icm的限制,必须使负载阻抗提高到原来的两倍(8欧),所以输出功率只提高到原来的两倍。此电路的频响特性是,在63Hz~20KHz输出变化不超过3dB。除可用作录音机功放外,也可作便携收音机的功率接续器用。

图6是一个实用功率接续器电路,所谓功率接续器实际上就是一个简易功率放大器,本身不带音响(音量、音色)控制钮。它的作用是将来自半导体收音机或录音机喇叭两端的输出信号加以放大,以便推动音箱,供多数人在大房间里欣赏音乐节目。
在9伏电源下,该电路在8欧负载上可得到4~5瓦的输出功率。其突出优点是无需调整,只要按图组装正确,就能成功。稍有一些无线电知识的爱好者均可动手自制。图7是其印刷板图。考虑到接续器的输入信号主要来自于半导体收音机的耳机插口或录音机的外接扬声器插口。在电路的输入部分设计了一个由10欧、1千欧、51欧组成的匹配分压器。其中10欧是收音机或录音机的扬声器等效电阻,以保证扬声器断开之后,收音机或录音机的功放级能稳定地工作。1千欧和51欧组成一个26dB分压器,将输入信号衰减,以适应BTL电路输入信号的需要(注:这里信号源输出电压按1伏计,BTL最大输入信号按50毫伏计)。电源变压器可选用GEI14标准铁芯,叠厚18毫米。初级用φ0.13毫米漆包线绕3100匝,次级用φ0.51漆包线绕150匝。初、次级之间应加屏蔽层。D\(_{1}\)~D4可用2CP22二极管组成桥式整流器。由于本电路直接用交流供电、滤波电容要选用16伏1000μF的,容量大些更好。C\(_{L}\)是高音扬声器分频电容,可用10μF无极性电容,或用两只16伏20μF的电解电容反向串联。

组装方法:照图7焊接完毕,先不接扬声器,将电源接通。检查整流后的直流电压()应为12伏左右。IC\(_{1}\)、IC2其余各脚的直流电压应如图6所示。然后将扬声器接入,把电流表(直流档)串在扬声器电路中,检查扬声器中的直流电流,应在5毫安以内。如所测电流大于5毫安说明两只IC的中点电位不平衡(即两只IC的①脚对地电压不相等)。应更换中点电位不准的那只IC(中点电位应是电源电压之半)。最后可用手指摸摸IC\(_{1}\)的⑨脚,喇叭中应有感应声。图6各脚所标电压是静态值,随着输出功率达到满功率,电压降到9伏左右。其余各脚电压也相应降低。
整个印刷电路板可设法装入音箱,箱外只留交流电源插头线和输入信号的φ3.5毫米插头线。使用时将交流电源插头接入电网,φ3.5毫米插头插到半导体收音机或录音机的耳机插口,即可放音。音量和音调仍由收音机或录音机控制。不少同志按这个方法试验获得成功,使自己的小盒式录音机或半导体收音机推动了音箱, 达到较满意的音质。
为向广大读者提供试验机会,本文所需全套零、部件可以函购,函购方法另有说明。(庞瑞萍)