这次向少年儿童介绍两种双回路无电源收音机的电路,它能初步改善单回路无电源收音机串台的缺点。图1是它的电路图,图2是对应的接线图。元件的选择,天线、地线的安装及调谐线圈的调整请参阅1981年第8期单回路无电源收音机一文。


双回路无电源收音机与单回路无电源收音机不同的地方,只是多了一个线圈。我们把接天线和地线的线圈L\(_{1}\)叫做天线线圈(或初级线圈),可用直径0.31~0.35毫米漆包线统5~10匝。原来的那个线圈L2叫做调谐线圈(或次级线圈)。这两个线圈同时绕在同一个磁性天线棒上。天线线圈的圈数多少,和距离调谐线圈的远近,会影响无电源收音机的选择性和灵敏度,天线线圈的圈数越多,与调谐线圈靠的越近,则收音机的灵敏度高,但选择性越差,反之,天线线圈的圈数越少,与调谐线圈距离越远,则选择性变得好些,灵敏度就要变差些。所以在装制完毕后试听时,要增减天线线圈的圈数和调整距离调谐线圈的远近,调到使收听效果最佳的位置。最后用烙铁烫一点蜡,将无线线圈固定即可。
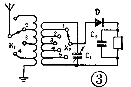
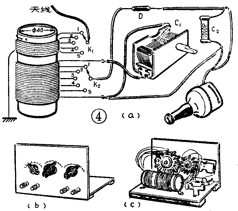
图3所示是另一种双回路无电源收音机的电路,对应接线路见图4。此种电路必须使用长于5米的外接天线。它的特点是比上述收音机的选择性和灵敏度好些。图3中的天线线圈是空心线圈,绕制前,先要用硬纸板卷一个直径为40毫米的圆筒,用直径为0.31~0.35的漆包线绕25圈,每5圈抽一个头。调谐线圈绕在同一个圆筒上,用直径0.31~0.35毫米漆色线与天线线圈同方向绕制770圈,每10圈抽一个头,共抽5个头,剩下圈数连续绕制。用两个分线器或两个单刀多掷波段开关来选择抽头。


收听时,先将C\(_{1}\)调到所要收听的电台,然后再分别旋转两个分线器,使收听效果达到最佳为止。
双回路无电源收音机在城市中收听仍存在缺点,待进一步改进。(胡丙书)