变容二极管为什么有代替可变电容器?
我们知道,电容器具有存储和放出电荷的物理特性。二极管的PN结有没有这种特性呢?有的。在第二讲谈到二极管PN结单向导电特性时,曾讲过PN结空间电荷区的厚薄是随外加电压而变的。当二极管两端加正向电压时,由于外加电场与结电场方向相反,空穴和电子不断由P区和N区被驱赶到空间电荷区,分别与电子和空穴复合,这相当于电荷存入PN结;当加反向电压时,由于外加电场与结电场方向一致,使电子和空穴分别向离开空间电荷区的方向移动,这相当于PN结放出电荷。由此可见PN结亦具有一般电容器的物理特性,因此我们可以用一个电容来代表二极管PN结的这个电容效应,如图1,这个电容称为结电容。这个电容在外加电压作用下,随空间电荷区厚薄的变化而改变。

结电容的变化规律
二极管应用于检波时,我们希望结电容越小越好,因为结电容的存在使高频信号很容易通过去,反向电流也变得很大,破坏了二极管的单向导电特性,降低了检波效率,且使检波失真增大,因而检波二极管都为点接触型。变容二极管不但需要有较大的结电容,且要求有一定可变范围,使其能代替各种容量变化的可变电容器,因而变容二极管都做成面接型或台面型。材料可以是锗的如国产2AC型锗变容二极管,也可以是硅的如2CC型、2CB型硅变容二极管,还有2EC型的砷化镓变容二极管等等。它的符号示于图2a,图2b为国外电路图上常采用的一些符号。

我们知道,平行板电容器(图3)的电容量C与极板面积A和两极板间绝缘物的介电常数。ε成正比,而与两极板间距d成反比,即C=d。在反向电压作用下的二极管结电容C\(_{j}\)也可等效为平行板电容的情况,我们把P、N两极看成是平行板电容器的两极板,只不过极间插入的绝缘物是半导体材料,其ε应是半导体材料的介电常数,而间距d随外加反向电压VR而变,V\(_{R}\)越大,空间电荷区变厚,相当于间距加大,因而结电容Cj减小,其变化关系如图4曲线所示。由于PN结的结构和结面附近杂质的分布情况不一样,变容二极管目前有缓变结、突变结、和超突变结三种类型,见图5。不同类型的变容二极管,C\(_{j}\)-VR曲线变化规律不同,就是同一型号的管子,参数也有很大离散性,因而实际工作中往往采用实测的办法来分选管子和确定工作状态。



变容二极管的主要参数
品质因素Q和截止频率f\(_{C}\)是变容二极管的两项主要性能参数。一般在甚高频(VHF)、特高频(UHF)谐振回路中使用的可变电容器,品质因素Q很高,变容二极管要取代它,亦必须有足够高的Q值。我们可以将变容二极管等效简化为图6电路,其中Cj为结电容,r\(_{s}\)是取决于二极管材料、结面积大小和空间电荷区厚度的串联电阻,可写出其Q值表示式为:
Q≈\(\frac{1}{2πfr}\)\(_{s}\)Cj

图7是两种变容二极管的Q值与频率关系曲线图,可以看到:当频率升高时,Q值降低,一般称Q=1时的频率f\(_{C}\)为截止频率,fC=\(\frac{1}{2πr}\)\(_{s}\)Cj。使用时,电路的工作频率应低于截止频率f\(_{C}\)。由于Q值与频率有关,又与结电容有关,也就与反压有关,因而在半导体器件手册中,总是给出在某一测试频率和反压情况下的Q值,供选管时参考。

手册中还给出了变容管最高反压V\(_{RM}\)和最大允许功耗PCM,应用时切勿超过,否则也会同一般二极管一样被击穿或烧毁。
变容二极管的应用
变容二极管的容量既受控于所加反压,因而常用电位器调节电压来控制变容管的容量变化,为了使容量变化缓慢些,可采用多圈电位器,当要求遥控时,也只要将控制电压加到管子两端就可以了。变容管体积小、应用方便、控制电路也比较简单,因而目前已广泛应用在收录机、电视机、录象机、通信机及各种电子测量设备中,用于调谐放大、振荡、自动频率微调及信频等电路中。
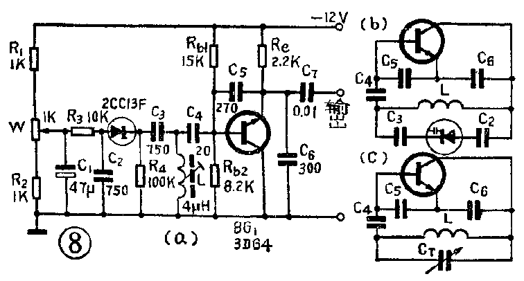
图8a是采用变容二极管的振荡电路,其中R\(_{b1}\)、Rb2和R\(_{e}\)用来建立振荡管BG1的直流工作点,变容二极管所加反压是-12伏电源通过R\(_{1}\)、W和R2分压器经R\(_{3}\)、R4提供的,调节电位器W就可改变反压,从而改变振荡频率,因而采用变容管的振荡器叫做压控振荡器(英文缩写成VCO)。C\(_{1}\)、R3、C\(_{2}\)组成π型滤波器,用来抑制由-12伏电源带来的干扰,减少控制电压对振荡波形的影响。振荡信号由C7耦合输出。图8b是交流等效电路。由于C\(_{2}\) 、C3容量较大,对交流信号可看作短路,而变容管在实际上又起着可变电容器C\(_{T}\)的作用,因而电路又可简化成图8C,这就是电容三点式振荡电路,常称席勒电路。图8a电路的振荡频率调在8MHz。

同样,我们亦可将变容二极管用在电视机高频头的本振、高放及输入电路中,代替多连可变电容器,改革了高频头的传统结构,使高频头小型化,且使电视机有可能进行遥控。
图9为变容二极管用于自动频率微调电路的情况,它与固定电容C串联后并入受控振荡器的LC谐振回路。当信号频率或受控振荡器频率发生变化时,鉴频器就有直流电压输出加到变容二极管上,便变容管容量变化,从而改变了受控振荡器LC回路的并联电容值,使振荡频率跟踪信号频率的变化,起到自动频率微调作用。

在一些工作频率极高的电子设备中,往往需要有UHF或SHF(超高频)频段的振荡器,可以采用倍频的方法来得到极高频率的振荡信号。即让一个频率较低的某波信号fi通过由非线性器件组成的倍频器,如图10,最后在输出端得到需要的基波第n次倍频nfi。在UHF、SHF频段可用变容二极管倍频,以得到较高的倍频效率。

倍频原理可用图11简单说明:若图10a电路中,将基波f\(_{i}\)经基波带通滤波器加到变容二极管两端,由于变容管Cj—V\(_{R}\)曲线的非线性,因而流过变容管的电流会发生畸变,而一个畸变了的波形中,除有基波外,还有很多谐波。如图11a虚线所示的畸变波可分解成由实线所示的基波fi和二次谐波2f\(_{i}\)。图11b虚线所示的畸变波可分解成由实线所示的基波fi、二次谐波2f\(_{i}\)和三次谐波3fi。这时用一个谐波带通滤波器就可以将所需要的第n次谐波选出来输出。

图10是变容二极管倍频器的两种电路结构型式,其中图10a为并联型倍频器,图10b为串联型倍频器。变容管用在倍频电路中时要注意管子切勿超过其规定功耗P\(_{CM}\),因为对倍频器来说,输入的是基波,输出的是所选第n次谐波,因而变容管在这里便成为一个耗能元件,基波及除nfi以外其它次谐波的能量将全部耗散在其PN结上使管子发热。
变容二极管在回路中的接入方式
由于变容管的C\(_{j}\)-VR特性呈现非线性,因而将它接入谐振回路时,回路的频率随电压的变化f-V\(_{R}\)特性亦会呈现非线性。为了改善回路f-VR的非线性,我们应该了解变容二极管在回路中的接入方式对回路的f—V\(_{R}\)特性的影响。
变容二极管在谐振回路中大致有三种接入方式:(1)并联式接入,如图12a。这种接入方式,回路的f—VR特性完全取决于变容管,因而非线性因素最大,一般不予采用。(2)串联式部分接入,如图12b。这种接入方式的回路电容为给电容C\(_{j}\)与固定电容C的串联值,因而使f-VR特性的非线性得到改善,被广泛采用。(3)全电容接入,如图12c,根据所加电压极性可有两种接法。由于两个变容管背靠背接入回路,因而使f-V\(_{R}\)特性的非线性得到改善。这种接入方法,要求两管参数对称一致,但由于两管反向串接,使Q值下降,因而要选用高Q值管。如果回路电容量不够,亦可再并上一组变容管,这时四个管子的参数也要求对称一致。
