收音机接收不同电台的信号时,声音大小不一样。这是因为各个电台发射的功率大小不同,接收距离也不一样造成的。有时接收同一电台的信号,声音也出现忽大忽小的变化,这种现象称为“衰落”。短波信号由于受电离层变化的影响较大,衰落现象比较明显。一般收音机装有“远程—近程”开关和“音量”调节旋钮,这种人工控制音量大小的方法可以在一定程度上弥补不同电台声音大小的差别,但对忽大忽小的变化信号则仍然无能为力。因此,在超外差式收音机中,广泛采用自动增益控制电路,把输出信号的差别降低。
自动增益控制电路又称AGC电路。它的作用是随着输入信号的强弱自动地调整收音机的增益。在晶体管超外差式收音机里,因为中放承担了大部分的增益,所以一般都是利用改变中放管直流偏置电压的方法,来改变中放级的电压放大倍数。这就是,输入信号弱时,使中放管的直流偏置电压高一些,这时它的电压放大倍数较大;输入信号强时,使中放管的直流偏置电压降低,这时它的电压放大倍数减小。这样,输入信号的强弱变化虽然很大,而输出信号的强弱变化就不十分明显了。显然,这里有两个问题需要研究,一是改变中放级的直流偏置电压为什么能够改变电压放大倍数;二是如何自动改变中放级的直流偏置电压。下面分别加以说明。
直流偏压对电压放大倍数的影响
图1是一个典型的共发射极中放电路,C\(_{1}\)、C2为中频旁路电容,前级输出的中频信号电压,通过中频变压器的次级线圈L\(_{2}\)输入到晶体管的基极。放大级的负载是一个LC并联振荡回路,在中频频率时回路处于谐振状态,可以等效为一个纯电阻Rc,R\(_{b1}\)、Rb2及R\(_{e}\)构成晶体管直流偏置电路。下面我们就分析它的直流偏置电压改变时,电压放大倍数为什么会变化。

图2a是晶体管的输入特性曲线,这个曲线表示在集电极与发射极之间的电压U\(_{ce}\)一定的情况下,基极电流Ib随发射结电压U\(_{be}\)而变化的情况。该曲线的特点是下段弯曲、上段陡直。我们可以选择高低不同的两种偏置电压来比较一下:(1)当偏置电压较高,Ube=U\(_{beQ1}\)时,工作点为Q1,I\(_{b}\)=IbQ1(见图2a);(2)当偏置电压较低,U\(_{be}\)=UbeQ2时,工作点为Q\(_{2}\),Ib=I\(_{bQ2}\)(见图2b)。如果分头在Q1及Q\(_{2}\)点输入中频小信号电压ui1及u\(_{i2}\),并且取ui1=u\(_{i2}\),则它们在基极回路中产生的中频信号电流ib1和i\(_{b2}\)是不同的,显然,ib1>i\(_{b2}\)。由此可见,利用晶体管输入特性下弯上直的特点,改变直流偏置电压UbeQ,不仅可以改变晶体管基极的直流偏置电流I\(_{bQ}\)的大小,而且能够改变基极回路中的中频信号电流ib的大小。U\(_{beQ}\)增加时,ib也增加;U\(_{beQ}\)减小时,ib也减小。

下面我们再来看晶体管的输出特性曲线,见图3。这是一个曲线族,其中每一条曲线都表示了在基极电流I\(_{b}\)一定的情况下,集电极电流I|C随集电极与发射极之间的电压U\(_{ce}\)而变化的情况。把基极电流取不同的值,就构成了许多条不同的曲线。该曲线族有这样的特点:下部间隔较密,随着集电极电流IC的增长,间隔变宽,当I\(_{C}\)很大时,间隔又密起来。晶体管的这种特性是由它内部载流子的运动规律决定的。我们知道,曲线上某点的电流放大系数β,等于该点集电极电流Ib的增量与基极电流I\(_{b}\)的增量的比值,即β=△IC/△I\(_{b}\)。由于相邻曲线基极电流的变化相等,所以曲线密就是集电极电流变化小,β值低;曲线疏就是集电极电流变化大,β值高。β随IC变化的规律可以画出一条曲线,即β-I\(_{C}\)曲线,见图4。由图4可见,IC很小时,β值小,随着I\(_{C}\)的增大,β值增大,IC很大时β值又下降。因此,只要改变I\(_{C}\)的值,就可以改变β值。而IC的改变又是受I\(_{b}\)控制的。如果分别取Ib等于图2中的直流偏置电流I\(_{bQ1}\)及IbQ2,就能够找出和它们相对应的集电极电流I\(_{CQ1}\)和 ICQ2(在图3所示的输出特性曲线上即为Q\(_{1}\)及Q2点的电流)。再由图4求得它们的β值,显然,Q\(_{1}\)点的β值β1较大,Q\(_{2}\)点的β值β2较小。于是我们就可以求出工作点在Q\(_{1}\)及Q2时的集电极中频信号电流i\(_{C1}\)=β1i\(_{b1}\),iC2=β\(_{2}\)ib2。由输入特性曲线的分析知道:i\(_{b1}\)>ib2,又由输出特性曲线的分析知道:β\(_{1}\)>β2。则i\(_{C1}\)>iC2。由此可以求出它们在集电极谐振回路两端的中频信号输出电压u\(_{0}\)1=ic1R\(_{c}\),u02=i\(_{C2}\)RC。则u\(_{0}\)1>u02。故得到工作点在Q\(_{1}\)及Q2时的中频电压放大倍数K\(_{u1}\)=uo1u\(_{i1}\),Ku2=u\(_{o2}\);ui2。因为已设输入中频信号电压u\(_{i1}\)=ui2,所以K\(_{μ1}\)>Ku2。


从上面的分析可以看出:当偏置电压较大时(u\(_{beQ1}\)),工作点在Q1点,电压放大倍数K\(_{u1}\)大;当偏置电压较小时(ubeQ2),工作点在Q\(_{2}\)点,电压放大倍数Ku2小。所以我们可以用改变偏置电压U\(_{beQ}\)的方法来控制中频电压放大倍数Ku。
怎样自动改变中放级的直流偏压
中放级的直流偏压怎样随输入信号的强弱而自动变化呢?下面我们结合具体电路来分析这个问题。
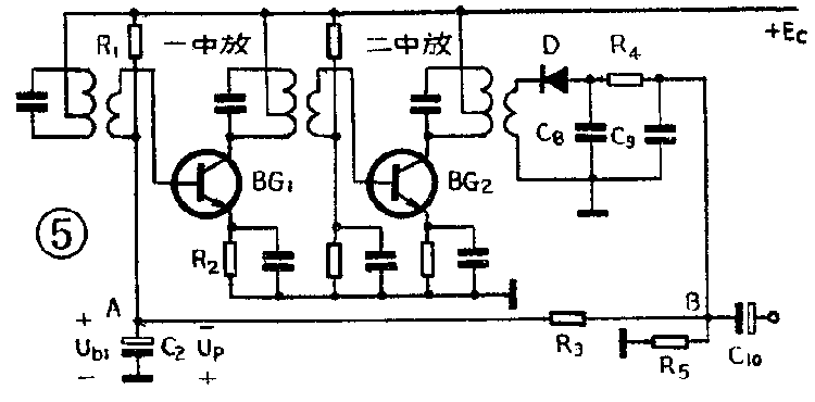
图5是晶体管超外差式收音机中采用最多的一种AGC电路。在没有中频输入信号时,第一中放管BG\(_{1}\)基极对地的直流电压Ub1可近似由这样两个偏置电阻分压确定,上偏置电阻为R\(_{1}\),下偏置电阻则为R3+R\(_{5}\)‖(R4+R\(_{D}\)),式中RD为检波二极管的正向电阻。设此时晶体管基极与发射极之间的偏置电压为U\(_{beQ1}\)。基极偏置电流为IbQ1。有中频信号输入之后,经中放由二极管检波。检波后电流里的中频成分,由R\(_{4}\)、C8及C\(_{9}\)组成的低通滤波器滤除。包含有音频及直流成分的电流在B点对地产生电压降。其中音频电压经过耦合电容器C10送到低放,而直流电压通过R\(_{3}\)C2组成的低通滤波器滤出加到A点与地之间。这个电压就是AGC电压,用U\(_{P}\)表示。因为UP的极性是负的,与U\(_{b1}\)的方向相反,所以UP的产生将使B\(_{G1}\)的直流偏置电压UbeQ减小。而且输入信号越大,U\(_{p}\)也越大,UbeQ就越小。如果我们在输入信号较小时,把偏置电压U\(_{beQ}\)调得较大,则Ku较大,使输出电压u\(_{O}\)能够达到一定的数值。而当输入的信号电压较大时,由于UP的作用,使偏置电压U\(_{beQ}\)减小,则Ku减小,使输出电压u\(_{O}\)并不增加很多,从而达到了自动增益控制的目的。这种利用ICQ减小使输出电压减小的控制方式叫做反向自动增益控制。

几个具体问题
(1)关于受控级的选择。在超外差式晶体管收音机中,受控级通常选为第一级中放。这是因为该级输入的中频信号较小,一般不会产生很大的失真。而第二级中放中频信号的幅度已经很大,受控后则会造成严重的非线性失真。一般也不在变频级加AGC,因为变频级工作点的改变,将会影响本地振荡的稳定性及变频增益。
(2)关于受控晶体管工作点的选择。受控晶体管工作点的选择与一般放大电路是有区别的。在一般低频放大电路里,由于输入信号幅度较大,工作点总是选在输入特性曲线的直线部分,输出特性曲线间隔比较均匀的中间部分,以减小非线性失真。而在AGC电路中,工作点是随输出电压大小移动的,而且由于β—I\(_{C}\)曲线中开始一段上升较陡,为了提高控制效果受控级晶体管的静态集电极电流ICQ取得比较小,约0.4~0.6毫安。
(3)滤波器时间常数τ的选择。图5中的R\(_{3}\)C2组成了低通滤波器。τ=R\(_{3}\)C2,通常称τ为 AGC电路的时间常数。正确地选择τ是很重要的。τ过大,AGC电压U\(_{P}\)的变化跟不上外来信号强弱的变化,甚至使AGC失效;τ太小,滤波不净,在A点将会残留一定幅度的音频信号电压(即UP中混有音频电压),使中放的增益受到它的附加控制:音频幅度大时,中放增益降低;音频幅度小时,中放增益提高。这种现象叫做反调制现象。反调制的结果是使检波输出的音频信号幅度降低,而且音频信号的频率越低,幅度降低得越多,这就会使音频信号产生频率失真。一般取τ=0.02~0.2秒。例如R\(_{3}\)=5.1K, C2=20μ时,τ=0.1秒(注意:因为C\(_{2}\)容量较大,一般都采用电解电容器)。
(4)检波二极管的接法:从图5可知,二极管的接法直接关系到U\(_{P}\)的方向,所以一定不能接反,否则将会引起啸叫。对于NPN型晶体管组成的中放电路,需要负极性的AGC电压,二极管的接法如图5所示。由PNP型晶体管组成的中放电路,则需要正极性的AGC电压,二极管的接法应反过来。
反向自动增益控制电路的优点是电路简单,效果较好,控制电流小,因而对检波电路的影响小。其缺点是控制范用不够宽,当输入信号过大时,就会使晶体管截止,产生严重的非线性失真。所以,往往将这种电路与其他AGC电路配合使用。它的另一缺点是由于受控晶体管输入阻抗的变化,使前面的变频级输出回路等效Q值变化,从而引起通频带变化。当输入信号强时,通频带将变窄,音质变坏。当输入信号弱时,通频带变宽,选择性变坏。另外,I\(_{CQ}\)的变化化要引起输出阻抗变化。造成本级等效负载变化及回路失谐。因此,在某些情况下,可以把回路的 Q值适当降低,以减小AGC电路的影响。(刘铁夫)