大家知道,OCL高音质扩音机需要正负对称的直流电源,电源输出端需有“+”、“-”和“地”三个接线端。它所要求的电源变压器也较特殊,在市场上一般不好买。下面介绍几种电路形式及业余制作办法,其电源变压器可利用旧电子管收音机中的电源变压器改制,如果你的变压器初、次级电压和功率容量合适,还完全可以直接代用,并不一定非去买新的。
1.为了获得正负对称电源,变压器次级采用双线并绕是一种常见形式。本文只介绍用旧电子管收音机电源变压器改制的办法。
将旧变压器拆开,仅拆去次级和灯丝绕组,不要将初级弄坏。拆灯丝绕组时,应记住该绕组的总圈数N\(_{2}\),如果灯丝电压为6.3伏,则可知道该变压器的每伏圈数为N2/6.3。那么次级应绕多少圈呢?还应先知道次级要求的交流电压是多少。一般可以这样计算:首先应知道你的扩音机需要多大的直流电压,设为V\(_{0}\),则变压器次级的交流电压为V2=V\(_{0}\)(1-1/4)。如果V0=±16伏,则V\(_{2}\)=16(1-1/4)=12伏。也就是说,次级只要绕两个相同的12伏绕组就行了。在拆灯丝绕组时,如果已数清楚了N2=38,则每伏匝数为38/6.3≈6。次级12伏绕组应绕6×12=72圈。可采用双线在原基础上并绕72圈即可。导线线径应根据扩音机的功率来选择,一般为0.5~1毫米。绕好后,插上铁心,并经侵漆、干燥后即可使用。只要扩音机输出额定功率不大于40瓦,原变压器铁心的容量是够用的。电源的接线方法见图1。

如果业余爱好者感到双线并绕工艺复杂,不好制作,也可以采用单线绕制法。先绕第一个绕组(72圈),然后抽头,再绕第二个绕组(72圈)。应注意,两个绕组的匝数必须一致,不要记错。接线方法和图1一样。
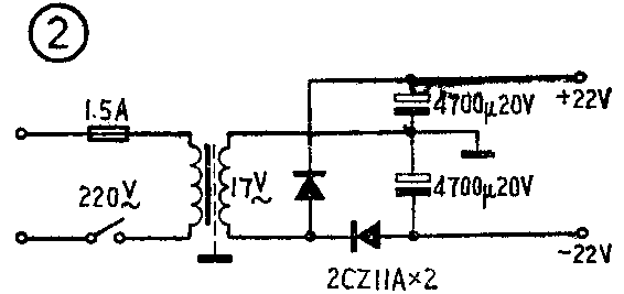
2.如果感到次级中心抽头的办法还有些麻烦,也可干脆只绕一个绕组,然后用对称式倍压整流的方法,取得正、负对称电压。例如,扩音机要求±22伏直流电源,则变压器次级交流电压应为V\(_{2}\)=22×(1-1/4)≈17伏。如果变压器每伏匝数为6,则次级线圈绕6×17≈100匝即可。连线方法如图2。

需要说明的是,为了保证应有的输出功率,并使输出电压稳定,次级绕组的线径,最少要比双线并绕时粗50%。滤波电容的容量、整流管的反压、最大工作电流等都应比双线并绕时增大一倍以上,并保证性能一致。
一般晶体管电视机用的电源变压器、扩音机中用的25瓦线间变压器等,只要整流后的电压适合于OCL扩音机需要,都可以直接使用。
3.如果你手头的变压器次级只有一个绕组,容量也够用。只是次级电压V\(_{2}\)较高,就不能再用倍压整流的办法了。这时可采用图3线路来获得正负对称电源。应注意,图3中R1、 R\(_{2}\)的阻值应对称,电阻的额定功率均应大于3瓦。

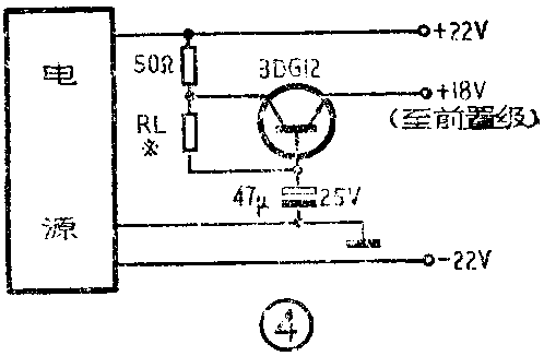
4.许多OCL扩音机,功放级和前置分别采用两级电源。遇到这种情况时,可如图4所示接上一个电子滤波器就解决了。调节图4中的电阻R\(_{L}\),从三极管的发射极就可以得到听需要的前置电源的正端电压。三权管的β值在50左右即可。

如果嫌这种前置电源电压不够稳定,还可以如图5所示加上稳压电路。调节图5中的R\(_{L}\),使稳压管有10毫安的工作电流即可。稳压管的稳定电压为18.6伏,输出稳定电压18伏。如果没有合适的稳压管,可用几只不同型号的稳压管串连起来,只要能稳定在18.6伏就可以。为什么单取一个18.6伏,而不取18伏?是因为考虑了3DG12的eb结有一个 0.6伏左右的压降。

这个电路的稳压管消耗十几毫安电流,再加上前置级的消耗,正电压会略有下降。解决办法是在电源“+”端到“地”之间增加一个补偿电容CL,CL容量的大小可经试验确定,一般为几百微法就够了,大一点也无妨。(张凤岐)