自制收音机是无线电爱好者制作活动中比较普遍的项目。制作过程中,如果不注意元件的选择或忽视焊接质量,往往会造成收音机性能不佳。怎样才能提高作品的水平呢?下面谈谈几点个人意见,供读者参考。
碳膜电阻 正品碳膜电阻,通常在电阻体上标明阻值标记。可选用误差为10%或20%的级差。如买次品或处理品,应用欧姆表复测一下,核对阻值是否正确。以免误用标称值不符合实际阻值要求的电阻。无漆膜保护的电阻,可用任何油漆涂复。组装电阻时,要将电阻体和引线套上合适的套管。串、并联代替一个电阻时,可参考图1的方法。

电位器 是收音机中最易损坏的元件。它怕潮,膜片碳粉较容易脱落,引出脚与膜片容易接触不良。挑选时要严格。一般WT或WTK系列大电位器比小型电位器质量好。阻值的误差率可选用20~30%。电位器旋转至始点和终点时,中心点和一端焊片之间的阻值越小越好。否则会出现音量关不小或音量开不到最大的毛病。电位器上的开关应启闭灵活,有些次品开关切不断电源,造成整机长时间通电。可按图2检查电位器质量,徐徐旋转轴,欧姆表针应作相应的指示变化,如有突然跳动或反向移动则表明接触不良。三个焊片要牢固,无活动现象,以防收音机出现杂音或时响时不响的现象。

双连电容器 是收音机调谐频率的元件。质量要求严。关键的是两联电容器的跟踪误差要小。正品双连通常不超过±(1.5% +1.5PF)才能保证整机频率的统调性能。购买副品双连,要求旋动轴尽可能没有晃动。转动调谐轴时不应有阻碍现象。要防止双连跌落,更应防止用锯、锉之类工具加工旋动轴,否则两联容量的同步会大受影响。安装双连时,电路板或支架要平,固定螺钉不可太长。固定拉线盘时应用手扶住转盘拧螺钉。拉线盘不可拴得太紧。
固定电容器 应按指定的标称值使用,尽量不要超过耐压使用。使用次品电容,除了鉴别容量是否合适外,对耐压性能要特别慎重。使用前最好进行负荷试验。把电容器按极性接于所用电源两端,通电2~4小时,如无外壳发热和击穿的均可使用。在负荷过程中发现电源电压下降,说明电容有漏电现象。对于1pF~0.lμF的电容,用欧姆表R×10K档测量电容两端,如欧姆数大于500兆欧,说明漏电量在允许的范围。
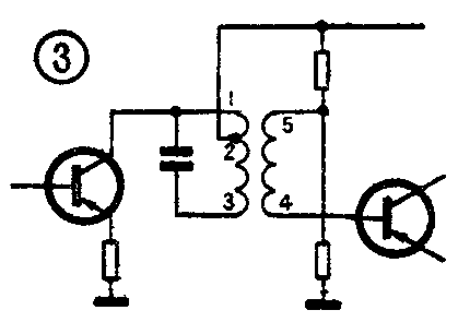
中频变压器 (也称中周)品种规格极多,应根据电路图中的要求选择型号。中频变压器常有高Q值、低Q值和圈数多寡之分,一般专为配合某种机型使用。自制收音机选用中频变压器应考虑电路特点,避免引起自激或增益不够。一般,电子管机上用的中频变压器一套两只,晶体管机上用的一套三只。这些变压器哪只用在前哪只用在后都有规定,不可颠倒使用。中周的磁芯、磁帽应完整无缺,否则会造成电感量不足使电路增益降低。焊接中频变压器时应注意初级的始端和末端不可接错,通常是把初级圈数少(即靠近中心头)的那个始端接入集电极电路,如图3所示。与中频变压器配合的谐振电容,必须按说明书规定的数值使用。另外有的厂家出产的中频变压器内已付有电容,此时就不必外加谐振电容器了。总之使用中频变压器之前务必仔细阅读说明书,防止盲目焊接。次品中频变压器一般有过高的Q值,表现为整机啸叫,使用时应在槽路中并联一只电阻,如图4所示。对于低Q值的中频变压器表现为整机灵敏度低,此时可适当提高中放级的偏置电流,或选用β高的管子。


振荡线圈 型号极多,有专用的,也有通用的。要看所选整机电路的要求去买。各种振荡线圈都有它要求配用的双连或跟踪电容,配用的电容量要准确。一般应选择容量误差小于5%的一级品,尽可能使用云母电容,以提高槽路Q值。误用振荡线圈所带来的结果是收音机度盘刻度不准、频率统调困难、啸叫或灵敏度低等现象。自绕振荡线圈除了要使匝数准确外,还要注意所选磁芯磁帽的规格。中频变压器中的磁芯不可在振荡线圈中使用。
磁棒和输入线圈 磁棒的质量对整机灵敏度有较大影响。根据外壳尺寸尽可能地长,直径也是越大越好。次品性能很不一致,应挑选因长度不合格而筛选下来的不合格品,或因两端有碰损而筛选下来的次品。绕制线圈最好用塑料线圈管或质地较好的厚牛皮纸卷绕。绕好的线圈应用绝缘清漆涂刷封固。使用白蜡封固的线圈高频损耗大,影响灵敏度。7股以上的纱包线是绕输入线圈的好材料,也可使用φ0.15mm左右的漆包线单股绕制,切勿用多股绞合的漆包线绕制线圈,这样线圈Q值会降低很多
扬声器 是收音机的终端器件,装置有输入、输出变压器的收音机,如阻抗选用不合适,整机的失真度、频率响应、输出功率等性能大受影响。无输入、输出变压器的电路对扬声器阻抗要求不太严格,除输出功率受到影响之外,其他性能影响不大。次品扬声器多半是音量较小和音质不佳,也有的音量小时音质模糊,音量大了声音发劈。
晶体管 收音机的变频级为了保证足够的增益、最小的噪声和保持工作稳定,应尽量选用①截止频率为最高本振频率的3~5倍。②电流放大系数β一般选在30~60范围内。太低会影响变频增益,过高容易自激。③尽量选择基极扩散电阻r\(_{bb}\)和集电结电容Cc小的管子,以提高频率高端的灵敏度。④高频噪声系数尽可能小些,以使整机灵敏度相对提高。⑤集电极反向电流应选小于10μA的。中频管的型号不受什么限制。为了不使第一中放级的增益太高,β值应选在30~60之间。第二级中放管可选在40~80范围。低频电路的晶体管应保证低频增益、输出功率、最小噪声等几项指标。推挽管应选择①集电极穿透电流I\(_{CEO}\)尽量要小,因为ICEO太大不仅放大器不稳定而且噪声大。一般锗管I\(_{CEO}\)不应大于500~1000μA,硅管ICEO很小可略而不计。②集电极耗散功率P\(_{CM}\)应配合整机电路要求和扬声器的额定功率。太小达不到原电路输出功率的要求,太大则是大材小用。③一般推挽管的β值可选在50~120范围内。低频放大器通常可选用3AX31A和3AX31B,ICEO应不大于1000μA。挑选检波二极管时可用万用表R×1000档测量正反向电阻,正向阻值应小于2KΩ,反向电阻应大于2MΩ。
偏置电流 自制收音机各级工作电流可调到规定范围的上限。混频或变频级静态电流不宜过大,否则会使变频增益降低,噪声增大。调整偏流时室温在20℃为宜。表1列出几种常规收音机的晶体管配套方法及各级集电极静态电流范围。

元件的加工及焊接 提高焊接质量是自制收音机的关键之一。不良的焊接最容易出现假焊,造成组装之后无声或磕碰电路时不响;使用不耐久;铜箔脱胶及元件松动等弊病。下述几项要点可作焊接时的参考。1.所有的元器件包括中频变压器、线圈等都要用刀子将焊接处刮净,并立即用松香焊剂烫上锡。2.收音机使用的接线最好是0.05×7的彩色塑胶软线,质量不佳的引线一般不易上锡。为了修理时便于查找,软线的颜色应按习惯用法,焊接时可参考表2、 3。 3.焊接时切不可使用腐蚀性大的助焊剂。自制收音机可用酒精松香溶剂。配制方法是用7克松香末溶于装在墨水瓶的酒精中。4 .元件插入电路板的孔中之后可将焊接处弯钩再焊,弯构处约 2~3mm。 5.中频变压器、低频变压器等要紧贴电路板,其他阻容元件可离电路板2~7mm。 6.整机焊接除了使焊点光滑无毛尖外,不要在非焊点的铜箔上涂锡,以免电路板曲翘。不耐热的元件(如晶体管,中频变压器及塑封元件)不可烫的时间太长,焊接时间不应超过3~5秒。烙铁一般25瓦已足够用。7.电烙铁铜头要保持清洁,使用时要及时除去氧化层,并使烙铁头沾锡饱满。焊接时稍用力用烙铁头压焊点。焊后烙铁头迅速提起以保证焊点光滑。
印刷电路板的制做 工厂生产的收音机,由于电路板的设计、工艺、加工精细,元件排列合理,所以故障较少发生。业余条件下自行设计腐蚀电路板,首先应使电路板整体尺寸符合机壳安装位置,然后再进行铜箔腐蚀。顺序可参照图5。电路板上的元件分布可仿照类似的整机。不可无规律地安排元件位置。元件排列要疏密均匀。第二中放级与检波级元件不可靠近磁棒。有关电路接地端应集中一处联接。电路铜箔的通行路线必须就近连通,尽量避免兜圈子。提高自制电路板的质量请参考下面地点:1.铜箔线粗细不匀及多毛刺的走线,可待电路涂料干后用小刀仔细修匀。2.腐蚀电路板最好先用去污粉把铜皮上的油污除去,缩短腐蚀时间,避免铜箔的脱胶翘起。一般可按图6的方法,把三氯化铁溶液放在陶瓷或玻璃器皿中,外面再用脸盆装上热水,这样可以加速腐蚀。腐蚀过程中可用小刷子搅动三氯化铁溶液,使被腐蚀部分经常接触新鲜液面。3.铜箔表面被氧化就产生不上锡的现象,往往造成假焊。为此已腐蚀好的电路板可用去污粉加水磨擦,直到铜箔发亮为止。擦干水迹立即涂以一层酒精松香液,可以保护铜箔不再被氧化。而且焊接时可不必再上其他焊剂了。4.从焊点上引出的导线如按图7引出则不太容易在焊接处折断。5.电路板上中频变压器的安装孔尺寸必须精确,否则极难插入中频变压器。通用的10×10mm中频变压器可按图8尺寸钻孔。钻孔前可先用钢冲头在钻点上砸坑,这样钻出的孔位容易保证。其他元器件的孔径在0.9~1.2mm范围内选择。6.描制电路板走线的涂料可用沥青溶解于煤油稀释使用,电路腐蚀之后再用煤油清除沥青。也可用硝基漆描制电路,腐蚀后可用香蕉水清洗。(毛瑞年)




表2
塑料接线颜色 习惯应用范围
红、紫、棕 电源正极或分流电路
白、灰、黑 电源负极或偏压电路
黄、浅红 输出电路
绿、蓝 输入电容
表3
塑料套管 习惯应用范围
红、黄 晶体管集电极
绿、蓝 晶体管基极
白、灰、黑 晶体管发射极