三、U、I、R、g尺的用法
例1:已知一分压器,电路图如定尺部分的正面所示,R\(_{1}\)=4.7KΩ,R2=10KΩ,电源电压U=12V,求流过电阻中的电流、节点电压U\(_{1}\)。
解:抽动滑尺,让U=12V的那点对准定尺上“↓U”,通过心算R\(_{1}\)+R2得14.7KΩ,在定尺R=14.7KΩ处对应的滑尺上I=820μA。
把滑尺I=820μA点对准定尺上R=4.7KΩ处,这时“↓U”指在滑尺上U=3.8V处,即U\(_{1}\)=3.8V。
例2:已知电阻R=4KΩ,求电导g。
在定尺R=4KΩ处,查得对应g=250μ
四、Un、In、h\(_{11}\)、h22尺;h\(_{21}\)、I2、I\(_{1}\)尺;h12、U\(_{1}\)、U2尺的用法
这三组尺度可以直接计算晶体三极管h参数。
例1:有一只三极管,使用在共发射极电路中,将电路输出端短路,测得U\(_{b}\)=3V, Ib=1.5mA,求hie是多少?
解:用U\(_{n}\)、In、h\(_{11}\)一组刻度尺。在共发射极电路中,Un=U\(_{b}\),In=I\(_{b}\),h11=hie。把U\(_{n}\)=3V对准定尺“↓U”,在滑尺In=1.5mA点对应的定尺h\(_{11}\)=2KΩ,h11=hie=2KΩ。
例2:3AX3晶体管使用在共发射极电路中。已知hoe=3.3×10\(^{-}\)5在电路中将输入端开路,U\(_{c}\)=6V,求Ic为多少?
解:用U\(_{n}\)、In、h\(_{22}\)一组刻度尺。在共发射极电路中,Un=U\(_{c}\),In=I\(_{c}\),h22=hoe。把滑尺U\(_{n}\)=6V对准定尺“↓U”,这时在定尺h22=33μ上对应的滑尺I\(_{n}\)=200μA。In=I\(_{c}\)=200μA。
例3:3AX3晶体管使用在共发射极电路中。已知I\(_{c}\)=10mA,Ib=200μA,求晶体管电流放大系数β=?
解:用h\(_{21}\)、I2、I\(_{1}\)一组刻度尺。在共发射极电路中,I2=I\(_{c}\),I1=I\(_{b}\),h21=β。把滑尺I\(_{2}\)=10mA对准定尺I1=200μA,这时在“↓h\(_{21}\)”对应的滑尺刻度h21=50即h\(_{21}\)=β=50。
例4:已知晶体管3AX3的hre=7.33×10\(^{-}\)4,把它接在共发射极电路中,U\(_{c}\)=12V,求晶体管内反馈电动势Ub。
解:用h\(_{12}\)、U1、U\(_{2}\)一组刻度尺。在共发射极电路中,h12=hre,U\(_{2}\)=Uc,U\(_{1}\)=Ub。把滑尺h\(_{12}\)=7.33×10\(^{-4}\)对准定尺“↓h12”,在定尺U\(_{2}\)=12V点上对应的滑尺U1=8.8mV,U\(_{1}\)=Ub=8.8mV。
五、τ、R、C尺的用法
例1:在RC电路中,已知电阻R=50KΩ,电容C=100pF,求时间常数τ?
解:抽动滑尺,把滑尺C=100pF对准定尺上R=50KΩ处,在定尺下方“1τ”对应刻度上读出滑尺τ=5μs。

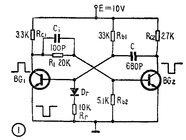
例2:求图1中无偏压单稳态电路的恢复时间t\(_{n}\),输入脉宽tk和分辨时间t\(_{f}\)为多少?
解:①从图1中可以看出恢复过程中的时间常数是R\(_{c2}\)×C,一般取(3~5)Rc2×C为充电完毕所需要的时间,这里选t\(_{n}\)=4Rc2C。
已知R\(_{c2}\)=2.7KΩ,C=680pF,抽动滑尺,把滑尺C=680pF处对准定尺R=2.7KΩ,在定尺上4τ对应处读得tn=6.8μs。
②t\(_{k}\)=τtn2=0.7R\(_{b1}\)·C,已知Rb1=33KΩ,C=680pF,则单稳态的脉冲宽度可用下列方法求出。抽动滑尺,把滑尺C=680pF对准定尺R=33KΩ,在定尺0.7τ处读得t\(_{k}\)=15.7μs。
③t\(_{f}\)=tk+t\(_{n}\)=15.7μs+6.8μs=22.5μs。
六、F、L、C尺的用法
例1:已知电视机的视放电路前接一伴音陷波器,其电感数值L=12μH,电容器电容量C=50pF,求陷波电路的谐振频率F。
解:抽动滑尺,把定尺上C=50pF点对准滑尺L=12μH处,在定尺上“↓F”指示出滑尺F=6.5MHz
例2:已知超外差收音机中频F=465KHz,中周谐振电容器的电容量C=510pF,求中周线圈的电感量L。
解:抽动滑尺,使定尺上“↓F”与滑尺F=465KHz对准,在定尺上C=510pF点对应滑尺刻度读出L=230μH。
七、X\(_{c}\)、C、F、Q;F、L、XL尺的用法
例1:已知超外差收音机中频F=465KHz,中周谐振电容器的电容量C=510pF求回路容抗X\(_{c}\)。
解:抽头滑尺,使定尺上Q=1处(印有字母F处)对准滑尺F=465KHz处,从滑尺上C=510pF处读得定尺X\(_{c}\)=670Ω。

例2:图2所示电路中,求阻抗为纯电阻时的频率值及与这些频率相应的ρ、Q、B、Roe。
解:(一)用F、L、C尺求谐振频率:滑尺向左拉,L=250+75=1(mH),拉滑尺让L=1mH对准定尺上C=1000pF处,这时定尺“↓F”指出滑尺上F=159KHz。
(二)用X\(_{c}\)、C、F、Q;F、L、XL二组刻度求ρ、Q、B、Roe
①滑尺向左拉,把滑尺上F=159KHz点对准定尺上Q=1处(“F”处),观察C=1000pF(或者L=1mH时)对应的X\(_{c}\)或XL都为1KΩ,即ρ=2KΩ
②滑尺向右拉,把滑尺上L=1mH对准r,(r=r\(_{l}\)+r2=3Ω+2Ω=5Ω)即把滑尺上L=1mH对准5Ω,滑尺F=159KHz点对应的定尺上Q=200。
③已知Q=200,F=159KHz,把定尺上Q=200处对准F=159KHz,在定尺Q=1处(“F”处)对应的频带宽度B=800Hz。
④已知Q=200,F=159KHz,C=1000pF
对于图2电路需要用一个修正值P,P=L\(_{2}\)/L
L=750+250=1000(μH),P=750/1000=0.75
Roe=QρP\(^{2}\)=LP2rc=QP\(^{2}\);2πFC将定尺上Q=200处
对准F=159KHz,滑尺C=1000pF对应尺上
Roe′=200KΩ。
Roe=Roe′P\(^{2}\)=200×0.752=112.5KΩ
八、R、C、F尺的用法
定尺刻度部分反面最下部分是R、C、F刻度,它的下方F\(_{1}\)、F2、F\(_{3}\)、F4四个字母和箭头,是指示四种典型RC振荡电路的谐振频率。这组刻度可方便地选择几种振荡电路反馈网络的元件,具体使用方法不在此介绍了。
九、U\(_{2}\)/U1,P\(_{2}\)/P1 dB尺的用法
例1:已知放大器输入电压U\(_{1}\)=8mV,输出电压U2=60V,求其电压增益?
解:已知U\(_{1}\)=8mV,U2=60×10\(^{3}\)mV,
U\(_{2}\)/U1=\(\frac{60×10}{^{3}}\)8=7500
把滑尺全部抽出来,在滑尺正面下方的U\(_{2}\)/U1尺上找到7500查得分贝值为77.5dB。
十、λ=3×10\(^{8}\)F尺的用法
本组尺可将频率换算成波长,波长换算成频率。
例如已知F=5MHz,求波长为多少?
把滑尺全部抽出来,滑尺反面的中部有λ刻度,找到F=5MHz处,它对应的λ=60m
十一、T=1/F尺的用法
本组尺可将频率换算成周期,周期换算成频率。例如已知频率F=50MHz,求周期T为多少?
解:把滑尺全部抽出来,在T=1/F刻度上找到50MHz点,它对应的T=20ns(温金纯)
