谈到开关,人们自然会想到电灯拉线开关、收音机琴键开关、电视机高频头的转鼓式开关……,家用电器上几乎无一没有开关,这些开关都属于手动机械式开关。很多工业设备上也必须有开关,像机床、电机等等,这些开关常见用的是继电器属于电磁式开关,可以手动或程序控制。上述这些开关都靠簧片接触,是“有触点”开关,开关速度低且体积也比较大。
半导体二极管既然具有单向导电特性,因而也可用作开关,它是一种“无触点”开关。
作为一个开关,在理想情况下,要求接通时电阻为零,使电流流经开关不产生压降;断开时电阻为无穷大,完全切断电流。还要求开关从一个状态转换到另一个状态所需时间为零。这样的理想开关实际上是没有的。
二极管的开关特性
二极管的开关特性可用它的伏安特性曲线来描述。将特性曲线理想化,用折线来表示,可画成如图1。当二极管所加正向电压V\(_{F}\)≥0.7伏时(锗管≥0.3伏),正向电流剧增,二极管正向导通,其正向电阻RF=\(\frac{ΔV}{_{F}}\)ΔIF很小,约数十到数百欧姆;当二极管所加反向电压V\(_{r}\)小于击穿电压Vrm时,二极管只有很小的反向饱和电流,二极管截止,其反向电阻R\(_{r}\)=ΔVr;ΔI\(_{r}\)很大(也可等效看作绝缘电阻),硅管约10兆欧以上,锗管也有几百千欧至几兆欧。由此可见,二极管只能说是比较理想的开关。

二极管从截止到导通或由导通到截止都需要时间(图2),前者叫开通时间,后者叫反向恢复时间,两者之和称开关时间。手册上一般只列出反向恢复时间,例如2CK型硅开关二极管只有几毫微秒、2AK型锗开关二极管有几百毫微秒,开通时间比反向恢复时间还要小得多。

影响二极管开关时间的因素很多,其中比较主要的是PN结附近载流子的存贮效应。当二极管加正向电压时,除了形成正向电流外,从P区进入N区的空穴,有部分并不立刻与N区中的电子复合而存贮起来;N区进入P区的电子也一样。这些存贮起来的载流子,越靠近PN结越密集,因而当二极管加上反向电压时,存贮起来的空穴和电子各自被驱散到P区和N区,形成反向电流,到完全截止状态就需要一段时间。为了加快载流子的复合,减少存贮的载流子,往往在半导体中掺入少许杂质,如金元素;或者将管子结面积做小些。当然也可适当提高所加反向电压,加快对存贮载流子的驱散速度,从而提高开关速度。
PN结电容亦会影响到开关时间,因为当外加电压正反向变化时,它好像电容充放电一样,使开关速度降低。结电容越大,开关时间越长。
所以,开关二极管除了必须满足一般二极管的要求外,还必须有更小的正向电阻、更大的反向电阻和较高的开关速度。这就需要在工艺、结构上采取专门的措施,因而在成本、价格上自然会比一般二极管稍高些。
开关二极管的应用
开关二极管由于寿命长、可靠性高、开关速度高且体积小、易于程序控制,被广泛应用于自动控制设备、电子测量仪器和一些家用电器的开关电路中。这里仅就其几个主要应用方面作些简介。
削波器 脉冲电路中常用开关二极管接成削波器,根据需要将输入信号波形的一部分削掉,使输出信号幅度限制在一定范围内。根据二极管在电路中接法的不同,可分成串联削波器和并联削波器。
(1)串联削波器:如图3a,二极管D与负载R\(_{L}\)串联。同半波整流一样,只有正半周输入二极管才导通、有输出,负半周被削掉;若将二极管反接,则负半周有输出,正半周被削掉。

当要求输出一定波形时,可给二极管按要求先加上一定电压E,如图3b。显然,只有输入电压V\(_{S}\)>E,二级管才导通、有输出,而VS低于E的部分都被削掉。图4为所加电压E和二极管D以不同方式联接的限幅削波情况。

(2)并联削波器:如图5a,二极管D与负载R\(_{L}\)并联,图中R为削波电阻,电路要求RL》R》R\(_{F}\)(RF为二极管正向电阻)。当输入V\(_{S}\)正半周时,二极管D截止,VS被R与R\(_{L}\)分压,由于RL》R,故输出电压V\(_{L}\)=RLR\(_{L}\)+RVS≈V\(_{S}\);当VS负半周时,D导通,V\(_{S}\)被R与RF分压,由于R》R\(_{F}\),VL=R\(_{F}\);R+RFV\(_{S}\)≈0,即负半周被削掉。若图中二极管D反接,则正半周被削掉,负半周有输出。

同样,当要求输出一定波形时,亦可按要求先给二极管加一定电压E,如图5b。显然,只有V\(_{S}\)>E,才有输出,而小于E的部分都被削掉。图6为所加电压和二极管D以不同方式联接时的削波情况。不难理解,当并联削波器接成图7a电路时,就可进行双向削波,其波形如图7b。

根据以上分析,我们可归纳出削波器的几个主要用途:①输入电压极性选择。在自动控制电路中常常需要选择输入电压极性进行控制,利用图3、5原理可以很方便地选出正、负极性输入电压。②波形变换。利用图7原理,可将正弦波变成方波,这种波形变换的优点是不会引起频率变化。当然,这样得到的方波,边缘不会很陡。③幅度选择。利用上述各种电路,可以很方便地从一系列幅度不等的输入信号中,选出某一幅值的信号,如图8。


二极管门电路 在数字电路系统中,如电子计算机、数字通信和数字仪表中,广泛应用“门电路”,所谓“门”就是开关,它能根据一定条件控制信号的通、断。基本门电路“与”门和“或”门都可以用开关二极管组成。
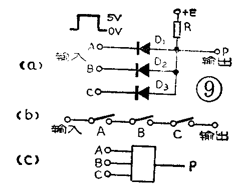
(1)“与”门:如图9a,有A、B、C三个输入端,一个输出端P。当A、B、C均输入低电位0伏时,三个二极管均正向导通,由于管压降很小(硅管约0.7伏、锗管约0.3伏),输出端P的电压V\(_{P}\)≈0伏,即P点电位由于二极管导通而被定位到0伏,好像电位被箝住了一样,这就是二极管的箝位作用。只要A、B、C中有一个输入低电位0伏,P点就会被该二极管首先箝位到0伏,而其它两个二极管就处于反向接法,因而不导通。只有输入端都是高电位(5V)时,三个二极管均正向导通,输出端P点才被箝在高电位(5V)。这就是所谓“与”逻辑关系。日常生活中也会遇到这种逻辑关系,例如图9b,三个开关串接,只有三个开关都合上才有输出,而只要有一个断开,就没有输出,这时其它开关断开与否已对输出没有影响。“与”门亦可有更多个输入端。“与”门的逻辑符号如图9c。

(2)或门:如图10a,其逻辑关系也很简单,当A、B、C输入端都是低电位0伏时,二极管均正向导通,P点被箝位到V\(_{P}\)≈0伏;当A、B、C都是高电位5伏时,VP≈5伏;只要有一个输入端为高电位,P点就被该二极管首先箝位到5伏。这种“或”逻辑关系很像图10b开关电路,只要有一个开关合上,P点就会有输出,而其它开关合上与否已对输出没有影响。只有三个开关都断开时,P点才无输出。“或”门的输入端亦可有很多个。“或”门的逻辑符号如图10c。

上述分析过程中,我们都忽略了二极管正向压降,而实际应用中是不能忽略的,因而要求组成门电路的开关二极管正向压降越小越好,从这个角度看,锗管比硅管好;但锗管的反向电流比硅管大百倍,从而影响到工作稳定性,因而从要求反向电流小着眼,硅管又比锗管好。要根据具体使用场合,合理选用。(金国钧编译)