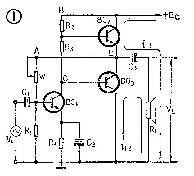
一些晶体管收音机的功率输出级采用加有自举电路的互补对称功率放大器。为了说明它的自举电路的作用,我们先简单分析一下无自举电路的互补对称功率放大器的工作原理,其电路见图1。图中BG\(_{1}\)是前置放大器,BG2、BG\(_{3}\)组成互补推挽输出级。没有信号输入时,调整电位器W,可使D点的直流电压VD=\(\frac{1}{2}\)E\(_{C}\)。适当选择电阻R3的数值,可以为BG\(_{2}\)、BG3提供适当的直流偏置电压。为了提高输出效率,这种互补推挽输出级一般工作在甲乙类(接近乙类)。当输入信号V\(_{i}\)为正半周时,BG1、BG\(_{3}\)管工作;输入信号Vi为负半周时,BG\(_{1}\)、BG2管工作。这就是说,互补对称管BG\(_{2}\)、BG3是轮流工作的,BG\(_{2}\)导通时,BG3截止,BG\(_{2}\)截止时,BG3导通。

对于功放输出级,我们总是希望两个功放管能在被充分利用的状态下工作,也就是希望BG\(_{2}\)截止时,BG3能接近饱和导通状态;BG\(_{3}\)截止时,BG2能接近饱和导通状态。例如,当信号电压V\(_{i}\)为负半周最大值时,BG1管集电极电流瞬时值i\(_{c1}\)最小,集电极(c点)电压Vc接近电源电压E\(_{c}\),这时BG2导通,BG\(_{3}\)截止。如果BG2接近饱和状态,其管压降V\(_{ce2}\)就接近于0V,这时负载电流为iL1,负载电压V\(_{L}\)=Ec-V\(_{ce2}\)-Vc3。已知E\(_{c}\)和Vce2的值,下面看V\(_{c3}\)是多少。由于没有信号输入时,VD=1/2EC,而这个电压将全部加到电容器C3上,又由于C\(_{3}\)的容量很大,它对交流信号的阻抗近似为0,因此有交流信号时,它上边的交流电压也近似为0,或者说它上边仍然只有\(\frac{1}{2}\)EC的直流电压。这就可以求出负载电压V\(_{L}\)=Ec-V\(_{ce2}\)-1;2EC=\(\frac{1}{2}\)E\(_{C}\)-Vce2≈1;2E\(_{C}\)。当Vi为正半周最大值时,BG\(_{2}\)截止,BG3接近饱和,BG\(_{3}\)的管压降Vce3≈0V,因此D点电压V\(_{D}\)≈0V。此时负载电流为iL2,负载电压V\(_{L}\)=VD-V\(_{c3}\)≈0V-\(\frac{1}{2}\)EC=-1;2E\(_{C}\)。这样,负载RL两端得到的交流输出电压的振幅值就近似等于12E\(_{C}\)。
上面所说的是理想情况,实际上BG\(_{2}\)导通时,并不能达到接近饱和的状态。因为要使BG2由放大区进入饱和区,就必须供给它足够的基极电流。在该电路中,BG\(_{2}\)的基极电流是由电源EC通过电阻R\(_{2}\)供给的,由于电流流经R2时要产生压降V\(_{R2}\),而且基极电流越大,VR2也越大,这就降低了BG\(_{2}\)的基极电压,限制了BG2的基极电流,因此BG\(_{2}\)达不到接近饱和的状态,Vce2也不能接近于0V,而是等于V\(_{R2}\)与BG2的发射结电压V\(_{be}\)之和,结果使负载电压VL=E\(_{c}\)-Vce2-V\(_{c3}\)<\(\frac{1}{2}\)Ec。
上面的讨论给了我们一个启发:如果BG\(_{2}\)的基极电流由一个比EC更高的电源供给,问题不是就得到解决了吗?为了能够方便地得到这个电源,于是人们便想到了自举电路。

图2就是一个加有自举电路的互补对称功率放大器。和图1相比,它只是多了一个自举电容C和一个电阻R。电阻R是为了防止输出信号经电源短路而加的,所以叫作隔离电阻。由图2可以看出,当输入信号V\(_{i}\)=0时,中点电压VD=\(\frac{1}{2}\)E\(_{C}\),A点电压VA=V\(_{D}\)=1;2EC,B点电压V\(_{B}\)=EC-V\(_{R}\)(电阻R上的压降),而自举电容C就处在A点与B点之间,因此C被充电,充电电压VC=V\(_{B}\)-VA=E\(_{C}\)-VR-\(\frac{1}{2}\)E\(_{C}\)=1;2EC-V\(_{R}\)。VR的值很小,为了讨论问题方便,可以将它忽略,于是自举电容C上的充电电压V\(_{C}\)≈\(\frac{1}{2}\)EC。当C的数值很大时,即使它上面有交流电流通过,它的充电电压也基本保持不变(为1;2E\(_{C}\))。
下面分析有输入信号时的情况。V\(_{i}\)为负半周时,BC2导通,随着V\(_{i}\)往负的最大值变化,BG2就由放大区往饱和区接近,此时中点电压V\(_{D}\)由\(\frac{1}{2}\)EC往E\(_{C}\)值上升。由于B点电压VB=V\(_{D}\)+VC(V\(_{C}\)为电容C上电压),显然,B点电压随着中点电压VD的上升而水长船高般的自动上升,自举电路的作用就这样体现出来了。例如,当BG\(_{2}\)接近饱和状态时,中点电压VD≈E\(_{C}\),于是B点电压便自举到VB=V\(_{D}\)+VC≈E\(_{C}\)+1;2EC≈1.5E\(_{C}\)。此电压值大于电源电压值,因此可以通过R2向BG\(_{2}\)提供足够大的基极电流,促使BG2管饱和,这时的输出电压V\(_{L}\)=EC-V\(_{ce2}\)-Vc3≈\(\frac{1}{2}\)E\(_{C}\),因此BG2也和BG\(_{3}\)一样得到充分利用。(董继光)