稳压管在电子仪器和直流稳压电源中是不可缺少的元件。但是稳压管存在着两个缺点,一是同一型号稳压管的稳压值是离散的,即它们的稳压数值并不是一个固定值,而是一个大概范围。例如2CW6A的稳压值就在7伏到8.5伏之间;二是每一只稳压管的稳压值又是固定的,不能任意调节。这两个缺点给选管带来很多麻烦,有时甚至很难找到一只合用的稳压管。下面我们向大家介绍一种用三极管组成的稳压管,也有人把它叫作模拟稳压管。这种稳压管的稳压值是连续可调的,因此它比普通稳压管使用起来方便灵活得多。下面我们介绍它的工作原理。

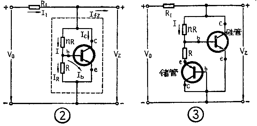
图1是一个采用普通稳压管的稳压电路,图中的R\(_{1}\)为限流电阻,DZ是稳压管,V\(_{0}\)是输入直流电压,VZ是稳压后的输出直流电压、即稳压管的稳定电压值。图2和图1的电路是相同的,只是图1中的稳压管D\(_{Z}\)被图2虚线框中的模拟稳压管所代替。模拟稳压管由一只硅三极管和两只偏流电阻组成。由于晶体管基——射极间的电压Ube基本上是稳定的,因此下偏流电阻R两端的电压也基本不变。如果晶体管的β值很高,而下偏流电阻R又不太大,那么就会有I\(_{R}\)》Ib,I\(_{R}\)≈I。于是晶体管c、e两极间的电压(即我们所要求的稳压值)就可用下式来计算:
U\(_{ce}\)=I(nR+R)=(n+1)IR=(n+1)Ube。其中n是上、下偏流电阻的比值,n不一定取整数。从上式可以看出,只要适当地选择n值,就可以得到任意的稳定电压值。
那么它是怎样起稳压作用的呢?我们知道,一个直流电源,其输出直流电压之所以有变化,主要是由下列两个原因引起的:一是由于电网电压的变化而引起的输入直流电压V\(_{0}\)的变化(V0升高或降低);二是负载电阻R\(_{fz}\)的变化(Rfz增大或减小,图中未画出R\(_{fz}\))。稳压电路的作用就是把变化了的输出电压拉回来,使其基本保持稳定。例如,当图2中的输入直流电压V0增高时,由于限流电阻R\(_{1}\)和负载电阻Rfz是分压的关系,所以稳定电压值U\(_{ce}\)(即VZ)必随着升高,于是晶体管c、b两极间的电压也随着增大。由于上偏置电阻nR的阻值一定,它上面的电压增大,必然是由于流过它的电流增大而引起的。下偏置电阻R两端的电压由于被晶体管的e、b结所箝位,因此当c、e间电压增加时,R两端的电压增加极少,流过R的电流基本不变化,这就使nR上的电流增量大部分流进晶体管的基极,基极电流增大,并导致集电极电流I\(_{c}\)增大。因为Ic与I\(_{fz}\)都要流过限流电阻R1,I\(_{c}\)的增大,必然使I1也增大,因此R\(_{1}\)上的压降也随着增大。总之,当V0增大时,R\(_{1}\)两端的压降也增大,两者互相抵消,这就保证了晶体管c、e间的电压基本稳定。其它几种情况读者可自行分析,这里不再赘述。

在图2电路中,我们假定U\(_{be}\)在任何情况下都是不变的。实际上Ube将随温度而变化,因此环境温度不同时,模拟稳压管的稳定电压值也将发生变化。为了克服这一缺点,我们在图2的下偏置电阻R上串联了一只由锗三极管接成的二极管,见图3。
图3电路的稳定电压值可由下式求出:
U\(_{ce硅}\)=(n+1)IR+Ube
由于IR=U\(_{be}\)-Uce锗
所以U\(_{ce硅}\)=(n+1)(Ube硅-U\(_{be锗}\))+Ube锗
=(n+1)(U\(_{be硅}\)-Ube锗+\(\frac{U}{_{be锗}}\)n+1)



