本文向你介绍一个容易制作、性能优良的无线话筒,话筒的发射机电路仅有五个元件:一块集成电路、一个话筒头、两个2000PF电容、一个自制的电感线圈。显然,这样简单的电路即使一个初学者也能组装起来。
话筒采用调频方式,工作频率为88~108MHz,用一般调频收音机、带调频波段的收录机即可接收;电源电压可采用4.5~9V,此时电源功耗为60mw~120mw;当电源电压为9伏时,天线端输出电压可保证大于3伏,有效发射距离≥40米;当环境温度在10℃~70℃之间变化时,频率飘移小于20KHz。基于上述特点,这种无线话筒用于教学上是十分合适的。
工作原理简述
集成块与其它几个元件的完整接线图见图1,印制电路板见图2(电路板图的比例为5:1,也就是说,实际印制板的尺寸是图2尺寸的1/5)。如果将集成电路的内部电路也画出来,其完整电路见图3,图中虚线所示的为集成块外电路元件。



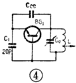
图3中,BG\(_{1}\)担任振荡及调制。振荡电路采用电容三点式,因为C3、C\(_{4}\)对高频可视为通路,所以电容三点式振荡电路可画成图4形式。Cce为BG\(_{1}\)的结电容。C0为电容话筒的电容量。从图中可以看出,C\(_{0}\)直接并联在振荡槽路里,当人对着话筒讲话时,声压的变化迫使C0的容量也按照声音的变化规律变化,于是对振荡电路进行了直接调制。BG\(_{2}\)连接成共基极放大电路,可对前级已调制的信号进行必要的功率放大,然后通过C7馈送到天线上去。这种电路虽然功率增益不大,但可以有效地减低天线变动时对振荡频率和调制度的影响,使振荡频率比较稳定。

电源部分的考虑
虽然无线话筒体积较小,但电源部分一般体积较大。如果话筒与电源之间用引线连接,会增加出故障的几率。另一方面,电源功耗较大,一节9伏叠层电池,往往只能用10多个小时。
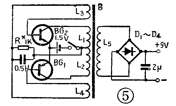
为了克服上述缺点,我们采用了一种简单的升压装置。电源采用1.5伏小型高容量银锌电池或镍镉电池,经过振荡、升压、整流,可获得9伏、8毫安的输出。升压电路见图5,图中,BG\(_{1}\)、BG2均采用3AX31,β>50;变压器铁心采用E型铍膜合金片,铁心截面为5×5毫米;L\(_{1}\)、L2用φ0.21毫米漆包线双线并绕20圈,L\(_{3}\)、L4用φ0.15毫米漆包线双线并绕25圈,L\(_{5}\)用φ0.08毫米漆包线绕200圈;D1~D\(_{4}\)采用2CK型超小型二极管。

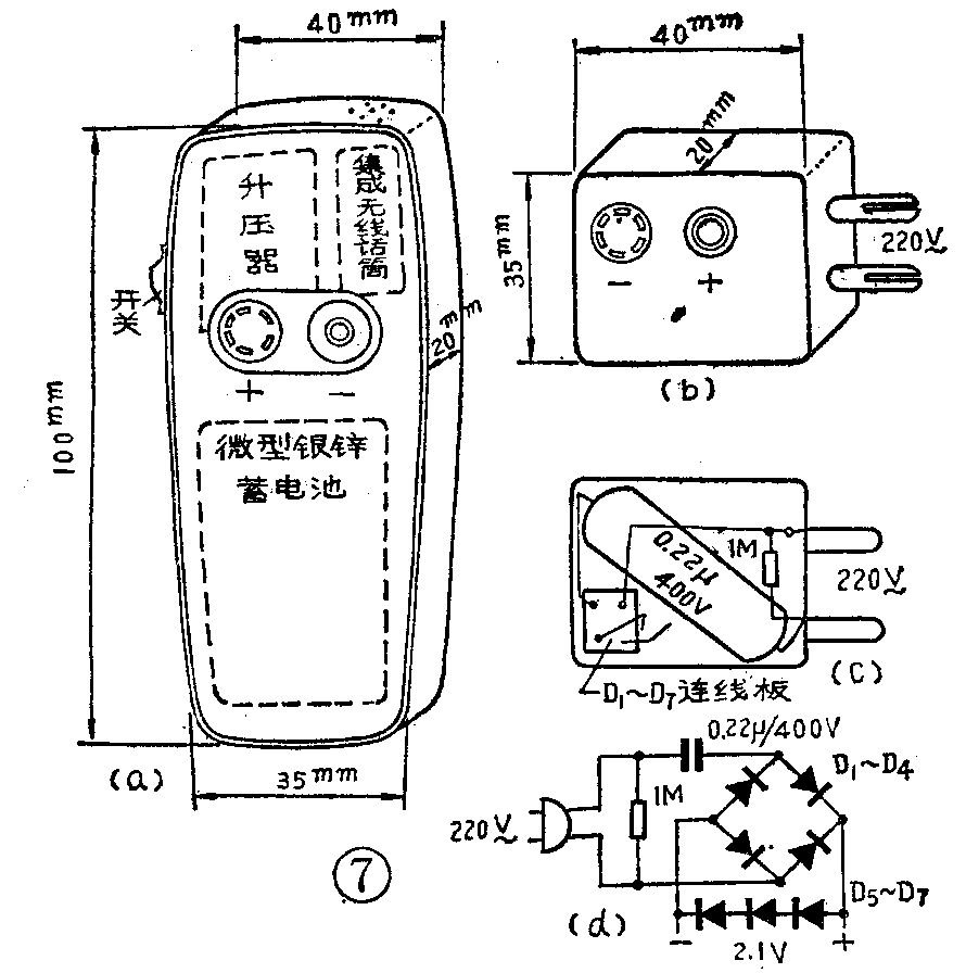
由于银锌电池和镍镉电池均可充电反复使用,充一次电可连续使用10多个小时,所以使用起来很方便。无线话筒与电源之间的配接有两种形式。图6是通过引线相接的一种形式,无线话筒的体积很小,可以很方便地放在上衣口袋里;图7(a)是一种集装式结构,因为升压器及银锌电池体积都不大,所以整个话筒的体积也不大。这种方式的特殊优点是省去了电源引线,外露的仅有一根天线,使用起来比较可靠。


供银锌电池充电用的充电器,采用简易电容降压式整流电路,电原理图见图7(d)。图中D\(_{1}\)~D4作桥式整流用,D\(_{5}\)~D7起稳压作用,可保护蓄电池,避免过压充电。D\(_{1}\)~D7均选用2CP型整流二极管。充电电流约20毫安。图7(c)为元件排列位置图;图7(b)为充电器的外形图。充电器与无线话筒之间采用按扣式连接方式。需要充电时,将两者电极的“+”和“-”对应接好,并将220伏电源插头插到电源上就行了。应注意的是,当不需要充电时,应将充电器从集装器上取下,否则使用时银锌蓄电池将通过充电器放电,容易损坏蓄电池。
制作及调试
电感线圈L采用φ0.7毫米漆包线,在3.5毫米钻头上绕7圈,在第2圈处引出一个抽头,然后脱胎而成。
电容话筒的电容量应选用15~20PF的,也可以用一般市售收录机中的小型驻极体话筒芯代替。集装式无线话筒的外壳可用市售充电手电筒外壳改装。
在调试方面,当电路焊接完毕并检查无误后,可接通电源,用电流表测量整机总工作电流,如果在8~10毫安范围内就算正常。如果低于此值,则可能是集成块的某个引脚没有焊好。如果有数字式频率计,可将此仪器接在天线与地之间,就能直接测出无线话筒的工作频率。拨动电感线圈L,可调整、改变工作频率。如果没有数字式频率计,也可借用有调频波段的收音机直接接收。由于电容话筒的电容量差异较大,所以调整时应十分耐心。如果用普通调频收音机接收时音质很差,接收距离很短,则可能是频率不对,收音机收到的不是基频,而是多次谐波。仔细拨动电感就可解决。接收机选用具有自动频率微调性能的调频接收机效果最好(例如益华202F收录两用机)。集装式结构内的话筒头要加有屏蔽罩,否则由于人体的感应会影响工作的稳定性。屏蔽罩可用普通半导体收音机中的中周外壳代替。
关于集成块的说明
本文电路中所采用的集成电路,是上海市师范学院半导体车间的产品,该产品曾分别供给上海风雷广播器材厂、杭州无线电七厂、上海南洋中学等单位试用,效果良好。读者可直接和上海师范学院科研处(上海市桂林路)联系购买。
如果一时买不到集成块,可参照图3电原理图用分立元件组装。图中BG\(_{1}\)、BG2采用小型硅晶体三极管,f\(_{T}\)>450MHz,BVCEO>25V,β>15。
最后应说明一下,无线话筒保密性较差,某些需要保密的内容不适宜采用无线话筒传送或录制。(何久安 奚天敬)