问:一部飞跃牌19D1晶体管电视机的桥式整流组合管4BG11(QL200V1A)的一臂开路或击穿了,手头一时没有合适的同类组合管替换,有什么解决办法?
答:在这种情况下可以利用一下已损坏了的整流组合管。桥式整流组合管内部是由四个硅整流二极管组成的单相桥式整流器,当其中有一臂击穿或开路后,其余三臂仍是好的,只要另外加上一只整流管就行了。具体方法:把组合管从底板上取下,然后用细齿钢锯条小心地如图所示从虚线处往下锯,若二极管A损坏就锯虚线A′(其余类推),锯到组合管厚度的一半即可,此时损坏的整流管的一脚与复合管断离(可用欧姆表量一下)。这时可将组合管装回底板上,并在损坏了的管子接线处换一只好整流管焊上。换上的整流管最高反向电压应>200伏,整流电流≥1安。可选2DP5A、2DP5B、2CZ20A、2CZ20B等管子。(花维国)

问:一台飞跃19D1黑白电视机使用一段时间后,机内0.5A保险丝熔断,经检查是行输出管3BG\(_{13}\)(DF104C)击穿,换上新的行输出管,开机几分钟后,行输出管又被击穿了,请问是何原故?如何解决?
答:这种故障常常是由于扫描部分供电电压偏高造成的。检修时,先焊下坏的行输出管,断开行推动管3BG\(_{12}\)(3DA87D),接通电源,此时测量100V电压,往往发现电压偏高至125V,甚至达140V,这时调整4W5(2.2K),电压无明显变化。出现上述情况表明比较放大管4BG17(3DG6B)损坏,可换上一只好的,再调整4W5,使电压正好达100V。然后断开电源,焊好行推动管,换上新的行输出管,接通电源,用表再测量100V电压,如偏低,可调整4W5使电压正常。开机出现光栅后,用万用表直流10V档测量电阻3R\(_{43}\)(2W51Ω)两端的电压,如行输出管工作正常,此电压约为7~8V,若大于9V,说明行输出管β值太低,电阻3R43将会因电流过大而发烫或冒烟,此时需换一只β值高的行输出管试试,此外,也可以换一只β值高的行推动管来配合。
100V电压升高还可能造成其它元件如行消隐电阻3R\(_{25}\)(51K)、二极管3BG20(2AP10)、视放管2BG\(_{5}\)(3DA87B)等损坏,在检修时亦应注意。(吴益民)
问:按飞跃9DS4电路自装一台电视机,使用一段时间后,屏幕上只有一条幅度不足的水平亮线,喇叭中发出较大哼声。虽反复检查场扫描电路,仍找不出故障原因,怎么办?
答:这种故障多半是行回扫电容C\(_{334}\)、C335、C\(_{339}\)容量减退引起的。由于这些电容容量减退,使行回扫时间缩短、行输出管的损耗增大,集电极电流增大许多,稳压电源由于负荷过重而电压下降、纹波增加,此时若场扫描电路本身因管子等元件质量较差而振荡不稳的话,场振荡就会受影响而停振,造成上述故障导致行输出电流增大、供电电压降低的原因很多,如行输出管饱和压降大,开关性能不良;阻尼管损坏,行振荡或行激励波形不对等,但由这些原因造成的故障一般水平一条线不是满幅就是暗淡,而回扫电容容量衰退所造成的故障特征为水平一条亮线为整幅的四分之三左右,供电电压虽然下降,但幅度不大,因此很容易区别。总之,组装电视机时要注意,行回扫电容要选用耐压高的优质电容器。(王德沅)
问:能否用FU-29(TN-29)型电子管做行输出管?
答:FU-29(TN-29)型电子管为束射四级功率管,它的阳极电压使用管帽从顶端引出,能够耐高压,故可用来代替6P12或6P13做行扫描输出管。其主要参数为:灯丝电压 6.3V~(并联),灯丝电流1.9A(并联),最大供电阳极电压750V,帘栅压200V。使用时,应将两部分束射四极管并联使用。其管脚接线如图所示。(张钮)

问:一台上海104一2型电视机的帧输出变压顺坏了,按要求的数据绕制了一个,但装到机上调试的,发现屏幕中部和下部光栅的水平扫描线排列疏密不均,调节垂直线性电位器也不起作用,这是什么原因?
答:电视机的帧输出变压器的制作要求是很严格的,不仅匝数和线径要求准确,绕制时排线要紧密均匀,层间匝数要尽可能保持一致。线包绕好后,铁芯要一边顺插,不可对插。铁芯插好后要在虎钳上将铁芯夹紧夹齐,再用螺钉和夹板把铁芯固定结实。否则,铁芯松弛、铁芯导磁率低、硅钢片上粘有杂质或是线包绕制凌乱都会造成变压器磁场强度不匀,产生线性失真的毛病。(孙民庆)
问:能用国产保险丝管代换进口电视机中的保险丝管吗?
答:能用。规格、尺寸相同的可以直接代用。有些进口电视机中保险丝管尺寸较为特殊,而国产保险丝管又无此尺寸,可以用硬接线焊在保险丝管两端,再直接焊在电视机底板上。有些进口电视机的保险丝管规格较特殊,如日立P-26D电视机交流保险丝管F901为315mA,而国产保险丝管无此规格,遇此情况,可以选择相近规格的国产保险丝管代换,如选择0.5A的保险丝管,效果良好。有些进口电视机的保险丝管上还标有电压值,这只是对所使用的电路电压而言,没有什么实际意义,因为保险丝管只是在电路中起过载电流保护作用,与电压无关,因此国产保险丝管只标明电流值,而不标电压值。(花维国)
问:一般盒式录音机磁头的寿命大致有多长时间?有何迹象表明磁头寿命将要终结?怎样延长磁头的使用寿命?
答:录、放音时由于磁带与磁头之间相互磨擦,磁头会被磨损,磨损的程度主要取决于磁头的制作材料。普及型盒式机磁头一般由坡莫合金制成。这种磁头价格低廉,但其硬度较低,不大耐磨。使用氧化铁磁带时,其寿命大约为几百小时。如果误用了硬度比氧化铁高6倍的氧化铬磁带,则这种磁头的寿命便会大大缩短。带有磁带选择器(TAPE SELECTOR)的中高档盒式录音机,为了能兼容氧化铬磁带,一般不再采用坡莫合金磁头,而选用适合氧化铬磁带的高硬度“长寿命磁头”,例如铝硅铁合金磁头、垫压铁氧体磁头或单晶铁氧体磁头等。这类长寿命磁头的耐磨性要比普遍坡莫合金磁头高9倍左右。为了尽量延长磁头的使用寿命,除了弄清楚磁头与磁带之间的配用关系之外,还应该经常用磁头清洁剂擦洗磁头,去除粘在上面的磁粉和灰尘等污物。此外,还应该选用表面光洁度高,表面加工优良而磁粉徽粒细的磁带。磁头使用日久,如果电路部分正常而出现失真明显变大或音量明显不足的现象,经清洗磁头和调整磁头方位角之后仍不见改善时,则可能意味着磁头即将寿终正寝了,应及时更换新磁头。(吴大伟)
问:有红灯711交流收音机一台,原配阻抗为4Ω、功率为1.5VA的扬声器。现改装外援喇叭箱,配用口径为8英寸或10英寸的扬声器,其阻抗为8Ω而功率为3~5VA。请问,换扬声器后整机不做其他改动行吗?若要改动,又该如何改动?
答:换扬声器后整机不做其它改动,收音机也能够工作。但是,因为扬声器阻抗变了,而输出变压器的初、次级圈数比未变,致使功率放大级的负载阻抗值变了,放大器偏离了最佳工作状态,其非线性失真增加,最大输出功率下降。影响放音质量。因此,最好对整机也做相应改动。
应该改动的地方是输出变压器次级绕组的圈数。按最佳匹配时,输出变压器初、次圈数比的公式为:
\(\sqrt{B}\)\(_{H}\)/(Raη),式中W\(_{1}\)、W2分别为初、次级圈数;R\(_{H}\)为扬声器的标称阻抗;Ra为输出级电子管所要求的最佳负载阻抗(6P1管要求R\(_{a}\)在5~6KΩ范围内选择);η为变压器效率可取0.8。
原711机输出变压器采用舌宽12mm的铁芯,叠厚18mm;初级绕组2800匝,线径0.12mm;次级绕组84匝,线径φ0.5mm。可见,原设计选择
R\(_{a}\)=RH(W\(_{2}\);W1)\(^{2}\)·η
=\(\frac{4}{(}\)84;2800)\(^{2}\)×0.8
=5555≈5.5(KΩ)
现改用R\(_{H}\)=8Ω扬声器,可重新算得:
W\(_{2}\)=W1·\(\sqrt{R}\)\(_{H}\)/(Ra·η)
=2800·\(\sqrt{8/5555×}\)0.8
≈117(匝)
因此,应拆下原输出变压器次级绕组,另用φ0.5mm漆包线绕117匝,注意头尾及绕向应与原来相同。
当然,欲充分发挥大口径扬声器低频响应好的特点,最好另设计一只初级电感量再大些的输出变压器。(上官沁)
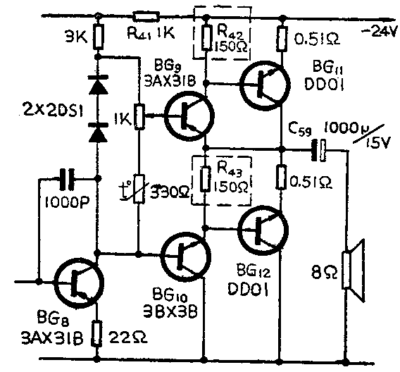
问:春雷3T4半导体收音机的功效管3AD6C能否用DD01等硅NPN到大功率管代用?
答:可以代用,此时可按图示改动电路,把R\(_{42}\)、R43的阻值由51欧改为150欧。(李传钟)

问:春雷3T4型收音机使用一段时间之后,为什么调谐电台的喇叭会发出“喀啦”声。
答:这主要是因为机器使用一段时间之后调谐轴与轴套之间有污物了,调谐时轴与轴套时接触时不接触,因而形成微弱的感应电流,影响到高频输入电路。由于该机的灵敏度很高所以产生较大调谐杂声。遇到这种情况可以在轴与轴套之间加一点缝纫机油,来回多转几下杂声就可以消除了。(李传钟)
问:在业余安装集成电路DY-ICIII型OCL扩音机时,对于电解电容器的选择应注意些什么问题?
答:在80年第3期的电路中,C\(_{3}\)、C4、C\(_{11}\)为耦合电容,如果漏电太大会使集成运放块产生零点飘移,甚至产生阻塞现象,所以应采用质量较好的;C12是FC3输入端的负反馈旁路电容,质量也应较好,容量可适当增大,例如增加到100微法(10伏)也可以,这样做对提高低频响应有好处。(松龄)