本文介绍的扩音机具有如下特点:1.不失真输出功率为5瓦,很适合一般家庭需要;2.电路简单,不需要特殊元件,并给出了部分元件的代用经验;3.整机频响宽、失真小。电路中还加入了等响度音量控制电路,音量开小时,低音也不会感到缺乏。
电路原理简介
以往我们见到的扩音机,为了展宽频率范围,在电路中常加入反馈量较大的RC负反馈网络。由于反馈电容C的容抗和频率有关,并且RC网络的衰减特性曲线常常存在拐点,经过多次负反馈后,整机频响特性则容易在某部分出现隆起或下陷,使音质变坏。
为了克服上述缺点,在设计本机电路时采取了一些新的措施。一是整机无反馈时的放大倍数(即开环增益)设计得很高,二是在电路中采用了纯电阻式的深度负反馈电路。我们知道。当电路的开环增益很高、负反馈又很深时,电路放大倍数仅和负反馈元件有关。由于负反馈元件都是纯电阻,与频率无关,所以电路对信号整个频段的放大倍数都一样,特性曲线比较平坦,就展宽了频响特性,改善了音质。当需要提升信号频率的高端或低端时,可借助电路中连续可调的特性比较平滑的高低音电位器来补充。
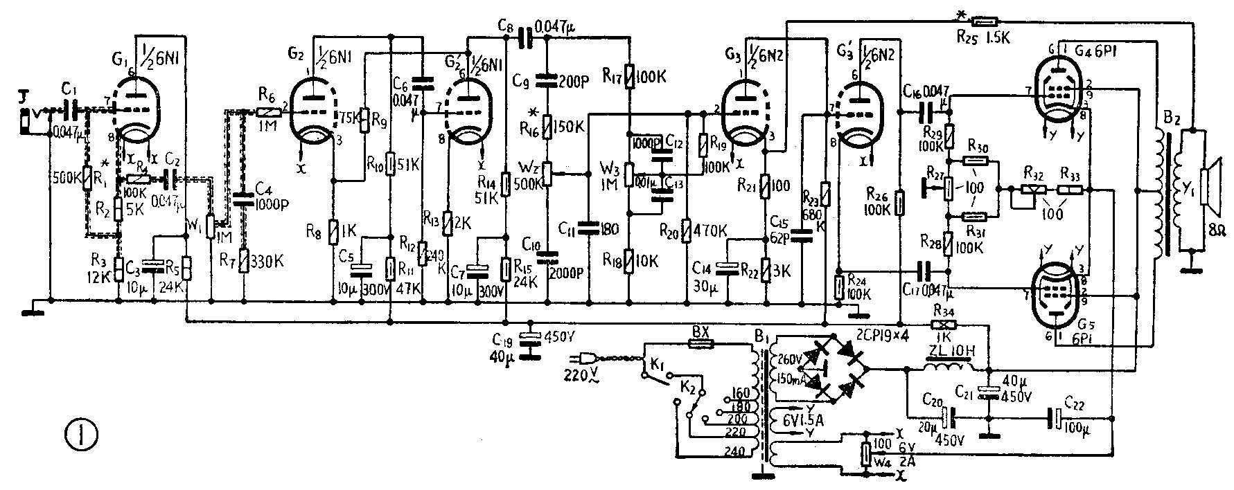
图1为整机电路图。放大作用以音调网络为界分为前、后两部分。前一部分为电压放大部分,由G\(_{2}\)、G′2组成,反馈元件为R\(_{9}\)、R8,这一部分的闭环放大倍数近似为R\(_{9}\)/R8;后一部分为末前级、倒相级、功率放大级,分别由G\(_{3}\)、G′3、G\(_{4}\)和G5组成。G\(_{3}\)选用高μ管6N2,与下一级之间采用直接耦合,可展宽低频响应。G′3连接成剖相倒相形式,分别从屏极电阻和阴极电阻上取出大小相等、相位相反的信号去推动功放级。调节功放级G\(_{4}\)和G5的阴极电阻,可使功放级工作在超线性区。这一部分的负反馈元件是R\(_{25}\)、R21,调节R\(_{25}\),可改变反馈深度。

G\(_{1}\)管接成阴极输出器,输入阻抗很高,近似为R3R\(_{2}\)×R1,可与电唱机的晶体唱头很好地匹配。本机灵敏度不小于50毫伏,从插孔J端插接话筒也可以,只是输出功率会小些。
由于人耳在音量较小时对低音不敏感,所以在电路中设置了一个等响度音量控制电路。在图1中,这个电路由R\(_{4}\)、C2、W\(_{1}\)、 C4、R\(_{7}\)构成。它的原理是:当W1的滑臂移向靠地一端时(即小音量时),由于W\(_{1}\)阻值较大,若不接C4、R\(_{7}\),则从滑臂端取出的信号基本与频率无关。接上C4、R\(_{7}\)以后,由于C4对高频信号阻抗很小,衰减很大,就相对地提升了低音;当滑臂移至上端时(大音量),W\(_{1}\)阻值很大,可视为开路。又因为对整个频带来说,C2、R\(_{4}\)的串联阻抗远远小于C4、R\(_{7}\)的串联阻抗,所以可近似认为在滑臂端取出的信号基本与频率无关,具体原理请参考本刊1979年第7期《等响度音量控制电路》一文。
为了避免低频自激,图1电路中必须加入由C\(_{3}\)R5、C\(_{5}\)R11、C\(_{7}\)R15组成的去耦电路。为了降低G\(_{1}\)、G2等因灯丝和阴极间漏电而引起的交流声,将X-X灯丝绕组接到功放管的阴极上。调节W\(_{4}\),可使热噪声平衡,使交流声减小。
具体制作经验
1.电源部分。电源变压器的铁心截面积为32×47毫米\(^{2}\)。初级采用φ0.5毫米漆包线,从160伏到240伏,每20伏抽一个头,共抽5个头。160伏时绕640圈,180伏时绕720圈,200伏时绕800圈,220伏时绕880圈,240伏时绕960圈。这样在电源电压发生波动时,倒换初级抽头,可保证扩音机有正确的工作点;次级高压包采用φ0.33毫米漆包线绕1060圈。灯丝分为两组,一组y-y用φ0.86毫米漆包线绕26圈供给功放管;另一组x—x用φ1.04毫米漆包线绕26圈供给其它电子管灯丝。
扼流圈ZL采用GEIB-22硅钢片,叠后22毫米,用φ0.27毫米漆包线绕2700圈。为了使扼流圈不产生直流饱和,在铁心上应有空隙以增加磁阻。为此,铁心可采用对叠方式叠合,留下约0.5毫米的空隙,空隙间塞上绝缘纸。
2.输出变压器。为使输出变压器适应宽频带要求,制作工艺又不太繁锁,可将初级分成内外两层(共四个绕组),将次级夹在中间,见图2。铁心选用优质硅钢片,窗口面积为14×42毫米\(^{2}\),铁心截面积为28×32毫米2。绕制时,层与层之间要紧凑,线包与铁心之间的空隙要尽量小。要求用高强度漆包线绕制,并应经过浸漆处理。

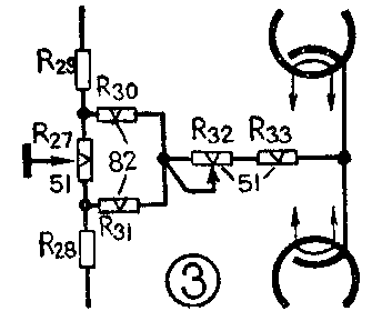
3.其它零件的选择及代换。①R\(_{2}\)、R3、R\(_{8}\)、R13、R\(_{22}\)以及功放管的阴极电阻网络,是决定各级工作点的电阻,阻值应稳定且准确。R10、R\(_{14}\)的阻值也不要随便改变。R24、R26的阻值应相等。G′1、G\(_{2}\)两级有关电阻的瓦数应适当选大些;②电子管G′1和G\(_{2}\)、G′2用6N1较好,不能用6N2,这是因为6N2频响不宽。但可以用6N15代用。G\(_{3}\)、G′3原图中采用6N2,但可以用6N1代替,代管后电阻R\(_{23}\)。应降至100千欧左右,R24、R\(_{26}\)的阻值应降至25千欧左右。G4、G\(_{5}\)可以用6P14代替,但代替后阴极电阻应降至120欧左右,改动后的具体电路见图3。输出变压器初级圈数不动,次级改为152圈即可;③整机增益较高,必须严防干扰信号进入。电源变压器可采用直立式,并用支架将变压器支起来,使其高于底板一段距离,这样可防止变压器漏磁通过底板进入电路而引起的交流声。电源变压器的线包应与扼流圈的线包垂直,并应远离输出变压器。G1、G\(_{2}\)管离电源变压器也要远一些。电解电容器与功放管要有一定距离,避免电容器烤得过热而干涸失效;④要特别注意G2管栅极以前的有关元件的焊接和引线屏蔽情况,尽量把与栅极相连的元件直接焊在管座上,元件引线靠栅极的一端要尽量缩短,其连接线要采用金属屏蔽线,并且在靠近栅极一头将屏蔽外皮接地。屏蔽线外面套上塑料套管。将一根直径大于1毫米的镀银铜线横放在底板下部作为公共地线。公共地线与底板只在一点相连,以避免由底板来的交变感应信号在地线上产生电压降。对电容器C\(_{1}\)要进行屏蔽,可在外面裹上锡箔,然后用裸铜线捆好并接地。


调试是比较简单的。①调整R\(_{27}\),使G4、G\(_{5}\)屏流一样大;②调R32,使G\(_{4}\)、G5公共阴极电压为18~21伏;③电子管全部插上后,调整W\(_{4}\),使交流声最小;④R25接上以后,若出现振荡现象,说明电路是正反馈,只要将原输出变压器与R\(_{25}\)相连一头改接到地线,把R25改接到变压器原接地一头即可。⑤将高音电位器先拧到最大(即W\(_{2}\)动臂向R16方向滑动),此时高音提升量最小。这时如果喇叭中没有高频丝丝声,可逐渐降低R\(_{16}\)的阻值,高频提升量则慢慢加大,直到刚不出现丝丝声时为止;⑥将低音提升电位器W3拧到最大位置,如果交流声很严重,则应适当降低R\(_{1}\)数值,但应使R3R\(_{2}\)×R1数值保持在500千欧~2兆之间,太低就不行了。(胡仲康)