硅、锗半导体二极管用于检波,可算是最理想的器件了,在收音机和电视机里都是用半导体二极管作检波用。一般中波、短波广播用的是调幅波;调频广播用的是调频波;电视台发射的电视信号中又包括图象信号和伴音信号,图象信号是调幅波,伴音信号是调频波。那末二极管是怎样把音频信号从这些不同的信号中检出来的呢?
二极管在调幅波检波中的作用
目前大多数广播电台发射的电波都是调幅波,也就是说它的幅度是随着所传送的音频信号而变化的,如图1a,所以在一般收音机中就利用二极管从输入的调幅波中检取出音频信号。根据输入信号的大小,二极管可以工作在其特性曲线的线性区(直线部位)或非线性区(弯曲部位),前者叫做大信号检波,后者叫小信号检波。

图2为二极管工作在小信号检波时的情况。因为二极管的伏安特性不是一条直线,特性曲线的底部弯曲,上部接近于直线。当检波输入信号的幅度较小时,二极管工作在它的特性曲线的弯曲部位,信号通过二极管后,正半周顺利通过,负半周被压扁了,检波输出波形变成上下不对称,其中包含有三种成分——直流、音频和高频成分。如果在检波器输出端接一只旁路电容C(图3)把高频成分滤去,音频和直流成分就可送到耳机(或送到下一级低频放大器去),直流成分对耳机不起作用,只有音频信号能推动耳机膜片振动发出声音,这样音频信号就被检出来了,我们就能从耳机里听到电台的广播节目了。通过数学分析可知,小信号检波的音频输出电流i\(_{d}\)与输入信号幅度U1(t)的平方成正比,即i\(_{d}\)=\(\frac{1}{2}\)aU1\(^{2}\)(t)(式中a为系数),故小信号检波也叫平方律检波。矿石收音机或再生来复式晶体管收音机中的检波器,由于输入信号小,就处在这种工作状态。


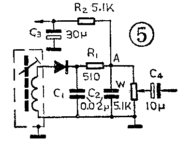
当检波输入信号的幅度较大时,例如超外差晶体管收音机中送到检波器的信号,就可使二极管工作在线性区,如图4。大信号检波与整流过程一样,它是利用二极管正向导通反向截止这一特性来进行检波的,只有在输入信号正半周时,二极管才导通,有检波输出,负半周输入信号都被削掉。由于输入信号幅度大,处于二极管特性曲线的线性区,因而检波输出中的音频成分与输入电压幅度成正比,也就是说,这种大信号检波方式失真小、效率高。图5是一种超外差晶体管收音机中的检波电路,由图可见,它与半波整流电路相似,只是检波器后接的RC滤波器参数不同。为了得到检波后的不失真音频信号成分,滤波电容C\(_{1}\)、C2都不能太大,只要能将高频成分滤掉就行。经滤波后,在A点只有音频成分和直流成分了,然后分成两路,一路经电容C\(_{4}\)耦合到下一级低频放大器去,直流成分被C4阻隔,剩下音频成分最终去推动喇叭放出声音;另一路经R\(_{2}\)、C3将音频成分滤掉,剩下直流成分送到前级中频放大器去作自动电平控制用。


图6是电视机中的图象检波电路,图象信号(常称视频信号)检波也属于大信号振幅检波,所以这电路和图5相似,但是为什么图中检波二极管的连接方法刚好和图5相反呢?我们可以从图7a和7b中看出,检波输出的视频信号的极性与二极管的接法有关。图7a中检波输出的同步信号向上,称为负极性视频信号,即信号幅度最大值相应于图象黑色部分,信号幅度最小值却相应于图象白色部分;而图7b中检波输出同步信号向下,称为正极性视频信号。把负极性信号加到显象管的阴极,显象管屏幕上出现的图象就和电视台发送图象的黑白相对应。如果把正极性信号加到显象管的阴极,那么屏幕上出现的图象黑白倒置就象照片的底片那样。由于要求加到显象管阴极的信号为负极性信号,而在显象管与检波器之间还必须加入视频放大器,因而检波二极管D的极性应根据对检波后的信号极性要求而定,要求和视频放大电路的级数相配合,以保证显象管负极性输入为准。例如图6中后面只有一级视频放大电路,二极管D检波输出为正极性视频信号,经一级视放电路倒相后正好成为负极性视频信号送到显象管阴极。


此外,图象检波电路与收音机检波电路的不同还在于滤波器参数。由于图象载频较高,图象信号的频率范围又较宽,因而要求图象检波器必须有足够宽的频率范围,为此采用了LC构成的П型滤波器,其中滤波电容的容量要比收音机检波电路中的小得多。
二极管在调频波检波中的作用
现在有些地方已经有了调频广播,例如北京就有91.55兆赫、95.6兆赫两套调频广播节目。调频广播是用音频信号对载波的频率进行调制,已调波的频率随音频信号变化而振幅却固定不变,如图1b。调频波抗干扰能力强、频带宽、音质好,收听效果比调幅波好。但由于频带占得宽,所以不能设在中、短波波段,只能置于超短波波段,调频广播的国际标准频段是88—108兆赫。要收听调频台的广播,收音机内就需要有调频检波器,也叫鉴频器。电视图像信号是调幅波,伴音信号却是调频波,因而电视机内既有调幅检波器,又有调频检波器。
调频检波器(鉴频器)的任务就是从调频波中检出原调制信号。要完成这个任务,一般要分成两步进行。第一步先将等幅的调频波变成幅度随频率变化的调幅波,使其幅度变化的规律和频率变化的规律相同,也就是和调制信号大小变化规律相同,如图8b;第二步再利用振幅检波器检出信号幅度的变化,从而得到原调制信号,图8c。

鉴频器常用的有三类:斜率鉴频器、相位鉴频器和比例鉴频器。斜率鉴频器常见的有单失谐回路鉴频器(如图9)和双失谐回路鉴频器(如图10)两种。前者电路简单,但工作频带较窄、失真较大;后者实际上是由两个单失谐回路鉴频器对接起来构成的,因而工作频带较宽、失真亦小些。图11为相位鉴频器,可在小频偏的情况下工作,但抗干扰能力较差。使用时在前面要加限幅放大器。图12为比例鉴频器,抗干扰能力强,电路结构简单,因而被广泛应用于电视机和调频接收机中。这四个图中虚线左边都是一个以LC回路为负载的调谐放大器,用来进行调频—调幅变换,以完成鉴频器第一步任务;虚线右边都是振幅检波部分,完成第二步任务。我们可以看到无论在那一类鉴频器中,都要用二极管来完成振幅检波任务。就是在近代一些电子测量设备中已广泛采用的相位检波器(用来检出两个信号的相位差),即所谓鉴相器,二极管在其中亦承担了振幅检波的任务,因而半导体二极管的振幅检波特性是其最基本的特性。




对检波二极管的要求
检波既是为了检出调制信号,因而其最基本的要求是失真要小、效率要高。图2、图4说明,大信号检波比小信号检波失真小、效率高,也就是说,提高检波输入电压幅度可减小失真、提高效率。同时亦说明,对于一定电平的输入信号,若二极管的正向特性曲线越陡(即正向电阻愈小),亦可减小失真、提高效率。理想情况下,我们希望检波二极管的正向电阻为零、反向电阻为无穷大,实际上不可能,因而一般总是在晶体管图示仪(如JT—1)上用特性曲线来比较二极管的优劣,在业余条件下亦可用欧姆表测管子正反向电阻来挑选(用R×100档测正反向电阻应相差两倍以上才行)。当工作频率较高时,还必须注意二极管PN结电容要尽量小(可在手册中查到)应能满足检波频率的要求,否则将影响效率。
目前国产中短波收音机和电视机中所用的检波管大多采用点接触锗二极管2AP9(亦可用2AP10代)。该管结电容≤0.5pf,可工作在100MHz以下,10MHz时检波效率η≥65%,其正反向特性在2AP型管中居优,当加正向电压1状时,正向电流≥8mA,而加反向电压-10伏时,反向电流≤200μA。电视机鉴频器用的二个2AP9,正反向特性应配对挑选,否则将引起失真。
检波二极管在应用中由于工作电压较低,击穿的可能性不大,但有时由于管子制造工艺上的问题,亦会出现正向电阻变大、内部断极等毛病(亦有在印制板上管脚虚焊现象),使收音机灵敏度下降、音量变小、音质变差,若电视机视频检波管出现上述毛病,则会使伴音不清、图象变淡,严重时甚至无音无影。(金国钧编译)