问:一台飞跃12D4型电视机在距电视台较近处收看9频道正常,收看2、4频道图象左右镶黑白边,这是为什么?
答:这种情况是由于AGC电路起控性能差所造成的。由于通道增益是随着工作频率的增高而降低的,所以收看9频道的图象正常时,对于2、4频道势必嫌频道增益太高,应由AGC电路自动降低通道增益。倘若AGC电路不能将通道增益有效地降低,导致信号过强而失真,就会破坏图象通道的正常工作,使加到显象管的视频信号失真,造成图象出现浮雕状和镶黑白边的现象。此时,应兼顾高、低频道的增益,重新调整AGC电路的起控电压。(张钮)
问:按飞跃12D1自装一台电视机,对比度调强时光栅断裂成如图所示的小段,形成整幅麻点状。调换高频头,调整图象中放和伴音中放级均不见效,是何原因?如何解决。
答:这种故障是因视放级产生自激振荡造成的。因为在视放级中有多个感性元件,如补偿线圈2L\(_{13}\)、2L14等,当对比度调强时,视放级增益较高,寄生耦合较大,容易产生自激振荡。这个自激振荡信号加到显象管的阴极,调制电子束,使扫描线变成明暗相间的小段,这种自激频率较高,一般在4~6.5MHz左右,反映在小屏幕电视屏幕上,就形成一片细小的麻点。解决方法是适当减小视放级在某一频率上的增益,改变寄生耦合的参数等。例如将电阻2R35减小为20~30K,或在2L\(_{14}\)上并联一个3~10K的1/8W电阻,也可将视放管换一个β值较小或极间电容较小的管子。(王德沅)

问:我买了一台牡丹31H3A型电视机,图象很好,只是伴音混有很响的交流嗡嗡声,不知如何消除?
答:这种噪声的产生,一般是由于低频电路布线、元件位置及接地点不妥当,使接地点电路形成一个环路所致。消除方法很简单,只要在底板上扬声器接地插头的一侧,用小刀或锯条割开一个缺口(如图所示),就可以明显地消除交流声。(重山)

问:我单位有一部彩色电视机,只能收看黑、白节目,但把它移到信号较强的地方时,又能收看彩色节目,请问是什么道理?应如何解决?
答:你单位可能离电视台较远,或接收环境不好,电视信号较弱。在这种情况下,黑白电视机会出现雪花和声音小的现象;而彩色电视机由于彩色副载波电平过低,色同步信号小,会引起彩色严重失真,图象混乱,无法正常收看。因此,彩色电视机都没有消色电路,当色度信号过低时,彩色断路器就关闭,只有亮度信号通过亮度通道继续工作,这时彩色电视机就只能收到黑白图象了。
要解决这个问题,可以买一个天线放大器加在室外天线上试一试,以提高增益,增强色度信号。(钱仲礼)
问:我按本刊1977年11期刊登的《自制简易高频头》制作,发现调整起来很困难,有什么更好的解决方法吗?
答:由于原线路中各频道调谐和振荡线圈是串联的,调整时互相牵制不易将三个频道都调好。如果按图所示将各频道的调谐、振荡线圈由串联改为并联,调整起来就很容易了。此时,调谐和振荡线圈的绕制数据要如表所列数据作点改动,其它均可按原线路制作。本人采用的是三只3DG11处理管,效果也很好。(孙丽芳)

回路 高放调谐 本机振荡
频道 2 6 8 2 6 8
编号 L6 L5 L4 L9 L8 L7
圈数 15 6 1.5 13 5 2.5
(匝)
问:一台飞跃12D4黑白电视机的显象管(310JHB4)损坏了,能用国产31SX3B显象管代换吗?
答:能用国产31SX3B显象管代换进口的310JHB4显象管。这两种显象管的主要性能相似,外形尺寸大小基本相符,接线也相同,可以将31SX3B显象管直接安装在原机壳上,不必改动原显象管座的接线和偏转线圈。但310JHB4显象管的灯丝电压为11.2V,在电路上串接了电阻2R29(10Ω)从12V处降压取得11.2V灯丝电压,而31SX3B显象管灯丝电压为12V,因此代换时要将电阻2R29用一根导线短路。
换上新的显象管后,要适当的调整偏转线圈和图象中心调节器,以得到正常的光栅。(花维国)
问:捷克进口的24英寸晶体管、集成电路混合式黑白电视机帧扫描输出管KU611坏了,能否用国产管代替?
答:该机帧输出管用30V电源供电,可用国产的3DA1或型号相类似的管子代替KU611。(傅忠良)
问:日本SONY牌盒式录音磁带有那几种类型?市面上出售的SONY CHF 60是氧化铬磁带吗?为什么颜色呈深灰色?
答:日本SONY(索尼,又称新力)公司目前生产的盒式磁带共有四个类别六种型号。属于氧化铁(γ-F\(_{e2}\)O3)带类的有AHF型、BHF型和CHF型三种,均采用正常偏磁和120微秒均衡。其中AHF型采用超细微粒子、高密度磁性材料涂敷,专供录、放立体声音乐使用;BHF型具有频响平坦的特点,可供录、放音乐使用;CHF型具有噪声低、失真小和动态宽的特点,但磁粉微粒较粗,仅供普通场合使用,多用作语言录音,此型售价在SONY录音带中是最低的,销售也最广泛。
属于铁铬双层带类的有F\(_{e}\)Cr型,频响宽广,可用于正常偏磁或高级机中专设的F\(_{e}\)Cr位置。
属于氧化铬(C\(_{r}\)O2)带类的有JHF型,具有动态宽、噪声低、复印小等特点,此带表面涂有减少磁头磨损的涂层。但仅适用于设有高偏磁和70微秒均衡的高级盒式录音机。
属于金属微粒带类的有Metallic型,磁粉不采用金属氧化物,而采用铁钴纯金属合金。其动态与频响均很宽。由于材料的矫顽力极高,所以复印效应很小,但抹音困难。此型需采用最高偏磁和70微秒均衡。只适用于少数昂贵的能兼容金属磁带的盒式录音机和录音座。
由此可见,SONY CHF 60磁带是日本索尼公司生产的低档氧化铁类盒式磁带,双面可供录音一小时。至于磁带呈深灰色,则是因为制造时为了降低磁带表面电阻,以减弱静电噪声,而在磁性粉末中掺入少量导电的黑颜色碳黑粉所造成的。铬带的表面呈深黑色,且光亮如镜,这是铬带本身的颜色,二者不能混为一谈。(吴大伟)
问:自绕一电子管收音机输出变压器,圈数与头、尾均对,接入整机后出现自激,而将反馈回路断开,自激便消除了。请问是何道理?该如何解决?
答:这是由于初级或次级绕组有一组绕线方向反了,使原整机电路的负反馈变成了正反馈,引起自激。遇此情况,可不必重绕变压器,只需将初级(或次级)头、尾与电路的连接互换即可。(沁)
问:春雷3T4收音机用的整流硅堆QSZ-1A/3V损坏了,能否用其他型号的二极管代替?
答:QSZ-1A/3V是一种硅材料桥式整流块,是将四只二极管接成桥式电路、再密封在一个小长方形塑料壳内,用起来方便可靠。如果损坏可以用其他二极管代换,但代用管的反峰击穿电压应大于30伏,整流电流应大于1安培。
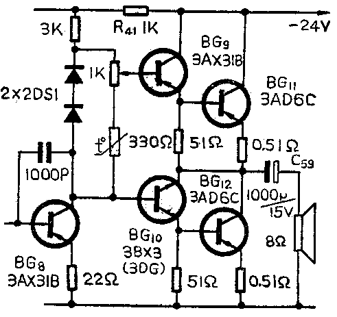
问:春雷3T4半导体收音机中使用的3BX3B可否用3DG一类的硅管代用?

答:可以代用。但这样代换之后,BG\(_{9}\)、BG10两基极之间需要1伏左右电压,所以应如图所示用两只2DS1管子串联才行。 (以上李传钟)
问:我有一台具有调频波段的收音机(或收录机),不知道离调频电台多远的距离能够满意收听?
答:这由调频电台的发射功率、发射无线架设的高度及收音机灵敏度三个因素决定。一般,称能够收到节目的区域为电台广播的覆盖面积。若设发射天线相对于接收点的高度为150米,那么1千瓦的发射台覆盖半径约为50公里;10千瓦的发射台覆盖半径约为65公里。也就是说距离10千瓦发射功率电台65公里处的地方,还能收到节目,再远噪声就增加了,离得太远就收不到了。
另外,收音机的灵敏度差异也很大,一般,约在2~20微伏之间,灵敏度高的机子接收距离就远些。(沁)
问:怎样消除集成电路DY-ICIII型扩音机的低频自激?
答:所谓低频自激,就是在没有信号输入或有信号输入的喇叭中出现的一种“朴、朴”汽船声。这是业余自制晶体管扩音机或集成电路扩音机常出现的一种故障。
晶体管扩音机相对于电子管扩音机来说,电源电压较低,电流较大,因此对地线要求比较严格。这是因为电流大时,在接线电阻、假焊电阻上所产生的寄生电压较大,就容易产生正反馈甚至引起自激。同理,晶体管或集成电路扩音机对电源滤波系统和退耦电路也要求比较严格。可采取措施预防和排除自激。
1.地线应采用粗线,焊接应牢靠,避免假焊。
2.不要把金属外壳当成地线通路来用。
3.金属屏蔽线应一端接地,不要两端都接地。
4.电源线、地线及信号输出线都应从印刷线路板右方(即靠近大功率管的部位)接入,不要图方便从左方接入。
5.如果安装工艺没有问题,但仍有低频自激,则应检查电路变压器有否故障,滤波电容容量是否不足或漏电严重等。OCL电路电源电流动态范围较大,但为了简单起见,常常不使用稳压电源,而只用大容量的电解电容滤波。此时电解电容器的容量一定要足够。
6.检查退耦电容器C\(_{2}\)、C10、C\(_{13}\)容量是否足够,是否漏电。(松龄)