大家知道,超外差式收音机的重要优点之一是灵敏度高,而提高灵敏度的关键是尽可能提高中频放大器的增益。这里所指的中频就是465千赫。这个频率对晶体管来说,仍属于高频工作范围。由于晶体管的集电结存在着结电容C\(_{cb}\),因此过高地增加单级中放的增益,由于Ccb的反馈作用,就会使中放级的工作不稳定,甚至可能引起自激振荡。为了解决这个问题,一个办法是尽量选择C\(_{cb}\)小的晶体管,这是因为Ccb小,容抗就大,内反馈小。另一个办法就是在管子外部加上一个中和电容C\(_{N}\),用CN来抵消C\(_{cb}\)的内反馈的影响。很多收音机就是用这种办法来保证其工作的稳定性的。
但是,采用中和电容的中频放大器并不十分理想。由于不同的晶体管集电结电容C\(_{cb}\)不同,因此中和电容的数值就要相应地随着改变,这就增加了调整的麻烦。此外,中和电容一旦调好以后,其数值则固定不变。而集电结电容Ccb则会随晶体管的直流工作状态等因素发生变化,因此会使中和作用受到不同程度的破坏。有些中频放大器虽加有中和电容,仍然有自激现象产生,就是由于中和不良造成的。
能否找到一种电路,既不用中和电容,又可以满足增益高、工作稳定的要求呢?能!这就是我们所要介绍的串接放大器。
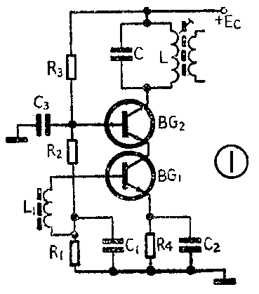
串接放大器的电路如图1所示。它把两个晶体管串联起来工作,其中BG\(_{1}\)接成共发射极电路,BG2接成共基极电路,R\(_{1}\)、R2、R\(_{3}\)给两管提供适当的直流偏压。由L1耦合过来的中频信号加到BG\(_{1}\)的基极,经BG1放大后直接耦合到BG\(_{2}\)的发射极,再经BG2放大,由中频变压器组成的调谐回路作BG\(_{2}\)的负载。这种电路也叫共射——共基混合连接放大电路。

下面我们分析这种电路的增益情况。为了便于说明问题,需要画出该放大器的交流等效电路。因为直流电源和电容C\(_{1}\)、C2、C\(_{3}\)对465千赫的交流阻抗都很小,可以看成短路,于是R1、R\(_{4}\)便分别被C1、C\(_{2}\)短路,R2一端接C\(_{1}\)、另一端接C3,R\(_{3}\) 一端接C3、另一端接电源,因此R\(_{2}\)、R3两端对交流信号来说都是接地的,也就是说,R\(_{2}\)、R3 也都被地短路,这样便画出图1的交流等效电路,见图2。

我们先分析BG\(_{1}\)的增益情况。由于BG1接成共发射极电路,其输入电流由基极加入,而输出电流由集电极引出,因此它的电流放大倍数为β,这是大家所熟悉的。共射电路的电压增益计算公式也是大家所熟悉的,即
K\(_{V1}\)=βRc1/(R\(_{s}\)+Ri1)
其中R\(_{c1}\)是BG1的负载电阻,R\(_{i1}\)是BG1的输入电阻,R\(_{s}\)是信号源内阻。由图2可以明显地看到,BG2的输入电阻R\(_{i2}\)就是BG1的负载电阻R\(_{c1}\)。由于BG2是共基极接法,而共基电路的特点是输入电阻很小,只有几十欧,因此,BG\(_{1}\)的电压增益很小,只是略大于1,一般在1.3倍左右。
下面再分析BG\(_{2}\)的增益情况。BG2的输入信号仍加在基极和发射极之间,但输出信号由集电极和基极之间取得。这里基极成了输入电路与输出电路的公共端,这也是把它叫作共基电路的原因。BG\(_{2}\)的输入电流是发射极电流ie,输出电流是集电极电流i\(_{c}\)。电流放大倍数是输出电流与输入电流的比,即
K\(_{i}\)=ic/i\(_{e}\)=α
由于i\(_{c}\)总小于ie,所以α也总是小于1,但十分接近于1。由此可见,共基电路没有电流放大作用。
那么共基电路的电压增益又是怎样的呢,前边已经谈到,共基被大器的负载电阻就是调谐回路的谐振阻抗,图2中用R\(_{c2}\)来表示。这个阻抗很大,可达几十KΩ。集电极电流ic在R\(_{c2}\)上产生的电压就是输出电压,即u出=i\(_{c}\)·Rc2。而它的输入电压则为输入电阻R\(_{i2}\)与输入电流ie的乘积,即u\(_{入}\)=Ri2·i\(_{e}\)。于是共基电路的电压增益则为
K\(_{v2}\)=icR\(_{c2}\)ieR\(_{i2}\)=αRc2;R\(_{i2}\)
由于R\(_{c2}\)》Ri2,所以共基电路的电压增益很高。
既然串接放大器是由共射——共基电路组成的,那么它的总电压增益就应该是
K\(_{总}\)=KV1·K\(_{V2}\)=βRc1R\(_{s}\)+Ri1·αR\(_{c2}\);Ri2
考虑到R\(_{c1}\)就是Ri2,α≈1,所以
K\(_{总}\)=βRc2/(R\(_{s}\)+Ri1)
这个计算公式与单级共射中放电路的电压增益计算公式是一样的。由于R\(_{c2}\)远远大于Rs和R\(_{i}\),再加上可以选择β值较高的晶体管,因此K总的数值可以作得很高。
既然这个电路的总电压增益很高,又没有加中和电容,那么它是怎样保证稳定工作的呢?由图2可见,BG\(_{2}\)的基极是接地的,因此,就BG2管本身而言,集电极输出端经集电结电容C\(_{cb2}\)反馈到BG2基极的信号电流被接地了,BG\(_{2}\)的输出当然就不会影响它的输入了。BG1是共发射极电路,它的集电极输出电压是要通过集电结电容C\(_{cb1}\)反馈到BG1的基极的。但是反馈电流的大小,随电压增益的大小而变,增益越高,反馈越大。前面谈到,BG\(_{1}\)的电压增益很小,近似为1,这就使内反馈大为减小。采用这种电路一般可使内反馈电流减小一百多倍,足可以达到稳定的要求。当然,这是付出了代价的,这就是牺牲了BG1管的电压增益。然而这个损失又通过提高BG\(_{2}\)管的电压增益补救了回来。总之,串接放大器的电压增益很高,不加中和电容,工作稳定,不容易产生自激,这是它的优点。然而,和普通中频放大器相比,要多用一只晶体管,电路较复杂。所以一般只有在较高级的收音机里才采用这种电路。
图3是一种高级收音机中串接放大器的实际电路。由于BG\(_{2}\)是共基电路,其输出阻抗就是晶体管集电极与基极之间的阻抗,这个阻抗很高,因此它对中频谐振回路的品质因数影响不大,这样一来,集电极就可以直接接到中周线圈的一端上,而不用抽头接入,这样就可以减小耦合损失,有利于提高增益。(周维田)
