如果没有专用失真仪,在业余情况下要想测量放大器的失真度是困难的。通过试验,我们试制了一种能够测量失真度的滤波器,配合交流毫伏表,可较准确地测试出1000赫音频信号的谐波失真,基本上能反映出被测设备的非线性失真情况。
测试原理及方法
将一个频率为1000赫的正弦波信号加到被测放大器输入端,由于放大器具有非线性失真,在放大器输出端得到的信号,除了有1000赫的基波信号外,还会产生许多1000赫信号的谐波成分,这就叫放大器产生了非线性失真。失真大小常用失真系数γ来表示。γ=\(\sqrt{U}\)\(^{2}\)\(_{2}\)+U23+U\(^{2}\)\(_{4}\)+……U1。式中,U\(_{1}\)代表基波电压有效值;U2、U\(_{3}\)、U4……分别代表高次谐波电压的有效值。如果根据上式来测量失真度,显然比较麻烦,这是因为在业余条件下U\(_{1}\)不容易单独测量。但是当失真系数小于30%时,我们可以利用下式近似地求出失真系数,误差并不大。这个公式为
γ=\(\sqrt{U}\)\(^{2}\)\(_{2}\)+U23+U\(^{2}\)\(_{4}\)+……U21+U\(^{2}\)\(_{2}\)+U32+U\(^{2}\)\(_{4}\)+……。

根据上述道理,我们设计出了图1这样一个测量失真度的电路。图中U\(_{sr}\)代表输入电压(即被测放大器的输出信号),Usc代表通过滤波网络以后的输出信号。它的测试原理是:当将包括基波和各种谐波的U\(_{sr}\)加到图1输入端后,通过一个RC选频网络,将基波滤掉,在输出端就会得到只包括各次谐波成分的输出电压Usc。U\(_{sr}\)、Usc的有效值均可以用交流毫伏表测出来,可以认为U\(_{sc}\)≈\(\sqrt{U}\)\(^{2}\)2+U2\(_{3}\)+U\(^{2}\)4+……,U\(_{sr}\)≈U21+U\(^{2}\)\(_{2}\)+U23+U\(^{2}\)\(_{4}\)+……,通过开关转换,先后测出Usr和U\(_{sc}\)的数值,于是可算出失真系数为γ=UscU\(_{sr}\)%。
通常采用的选频网路有文氏电桥和双T型网络。图1虚线左半部分为一个双T型网络,它的选频特性如图2中的曲线①。从曲线①可以看出,它的选频特性不十分理想,它虽然有效地抑制了基波,但把二次直至十次以上的谐波也不同程度地滤掉了,这样就自然影响了测试的准确性。为了校正图2中曲线①的缺欠,在图1中增加了由C\(_{4}\)、W2、L\(_{1}\)组成的一个串联谐振电路。它能将经双T网络衰减掉的高次谐波重新提升起来,测试结果就准确多了。校正后的特性见图2中的曲线②。

制作及调整
该滤波器的制作是比较容易的。所有的电阻可采用金属膜电阻或炭膜电阻。电容可采用聚苯乙烯电容、涤纶电容或金属化纸介电容。阻容件均要求选用误差小于5%的产品。电感L的电感量为380毫亨。可采用MXO-600、GU36×22的罐形磁芯,线圈用QZφ0.12~φ0.15的漆包线绕500~600圈。图3为罐形磁芯的剖面图,里面的间隙约为0.1毫米,这个间隙通常是磨出来的。调整磁芯或线圈圈数使电感量为380毫亨即可。应该指出,所用元件的数值越难准确,测试的精确度也就越高。

调整方法如下:先将开关K置于位置1,自U\(_{sr}\)处送入1伏(频率为2000赫)信号。再将K置于位置2,调节W2使交流毫伏表的指示仍为1伏。这样串联谐振电路就算调整好了。W\(_{2}\)调整好以后,自Usr处送1伏的被测信号(此信号中包括频率为1000赫的基波,以及信号通过放大器后产生的各次谐波),用失真度测试仪在U\(_{sr}\)处测出其失真系数,接着用滤波器测量并算出失真系数。调整W1,使得用滤波器得出的结果与用失真度测试仪测得的结果一致,整个滤波器就算调整好了。如果没有失真度测试仪进行校准,W\(_{1}\)一般应放在中间位置附近,测试误差一般不会很大。
使用效果及改进
交流毫伏表可采用GB-9型电子管毫伏表,如果采用其它毫伏表应注意其输入阻抗要大于1兆欧,输入电容要小于50微微法。
附表
被测放大器输出电压 0.5伏 1伏 2伏 2.6伏
滤波器测得的失真度 1.76% 1.45% 1.45% 8.4%
SZ—3测得的失真度 1.85% 1.45% 1.48% 9%
附表中的数据是用自制滤波器与SZ—3失真度测试仪同时对一个音频放大器进行测试的结果。从表中可以看出,用滤波器测出的数据也是比较准确的。制作该滤波器的元件的精确度为±2%左右。
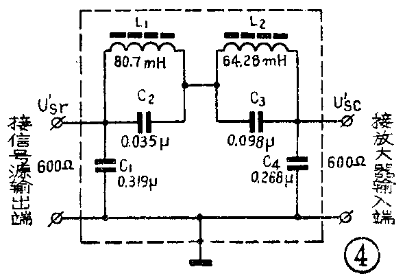
为了测量一个放大器,就需要有一个1000赫的、失真度很小的信号源。一般业余爱好者自制的信号源失真度都比较大,当然会影响到测试结果。为此,我们又设计了一个如图4所示的滤波器,将它接到1000赫信号源输出端,能将1000赫信号的二次和三次谐波电平衰减65分贝左右,更高次的谐波电压能衰减50分贝左右。能使信号源的谐波系数小到0.001~0.002%。不过对滤波器元件的精确度要求更高些。
图4中,L\(_{1}\)、L2均采用前面讲过的那种罐形磁芯。线圈用QZφ0.2漆包线绕制,L\(_{1}\)绕253匝,L2 绕把226匝。(颜浩 吴伟光)
