有些晶体管超外差式收音机使用一段时间之后,低端收音正常,高端收台不清并混有短波电台的声音;也有些收音机整个中波段均混有短波电台的节目。这是一种“短波电台混入中波段”的故障。这种故障多是由于本地振荡过强,波形不好,由谐波而造成的。
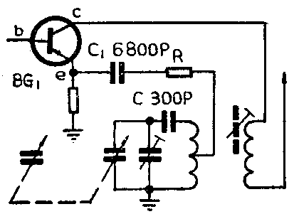
减弱本地振荡的方法很多。例如可以在振荡线圈上并联电阻,或减小抽头处的交连电容(如从6800p减为3300p),或调换、重新绕制振荡线圈,或减小变频管集电极静态电流等。这些方法较为麻烦而且有时效果不明显。
我使用的方法是将一只小电阻R串接在振荡线圈的抽头与交连电容C\(_{1}\)之间(如图所示),这种方法简便易行,效果明显。R可取15~50欧姆的范围由实验而定。R也可接在交连电容与BG1的发射极e之间,视方便而决定。(杜玉昆)
